SNVSBQ5 June 2021 LMR33620AP-Q1 , LMR33630AP-Q1
PRODUCTION DATA
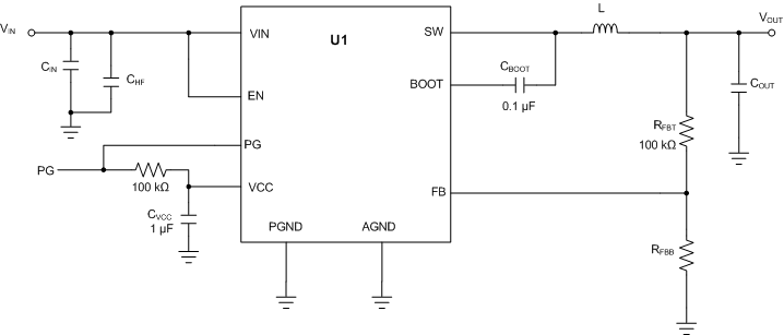
Unless otherwise specified the following conditions apply: VIN = 12 V, TA = 25°C. The circuit is shown in Figure 9-27, with the appropriate BOM from Table 9-3.

| VOUT = 5 V | 400 kHz | RNX Package |

| VOUT = 5 V | 2.1 MHz | RNX Package |

| VOUT = 5 V |

| VOUT = 5 V | ƒSW = 400 kHz |

| VIN = 12 V | VOUT = 5 V | |
| tf = tr = 2 µs | IOUT = 0 A to 3 A | |

| VOUT = 3.3 V |

| VOUT = 3.3 V | ƒSW = 400 kHz |

| VIN = 12 V | VOUT = 3.3 V | |
| tf = tr = 2 µs | IOUT = 0 A to 3 A | |

| VIN = 12 V | VOUT = 5 V | IOUT = 3 A |
| ƒSW = 400 kHz | RNX package | |

| VIN = 12 V | VOUT = 5 V | IOUT = 3 A |
| ƒSW = 400 kHz | RNX package | |

| VIN = 12 V | VOUT = 5 V | IOUT = 3 A |
| ƒSW = 400 kHz | RNX package | |

| VOUT = 3.3 V | 400 kHz | RNX Package |

| VOUT = 3.3 V | 2.1 MHz | RNX Package |

| VOUT = 5 V | IOUT = 0 A | RFBT = 1 MΩ |

| VOUT = 5 V | ƒSW = 2100 kHz |

| VIN = 12 V | VOUT = 5 V | |
| tf = tr = 2 µs | IOUT = 1 A to 3 A | |

| VOUT = 3.3 V | IOUT = 0 A | RFBT = 1 MΩ |

| VOUT = 3.3 V | ƒSW = 2100 kHz |

| VIN = 12 V | VOUT = 3.3V | IOUT = 1 A to 3 A |
| tf = tr = 2 µs | ||

| VIN = 12 V | VOUT = 5 V | IOUT = 3 A |
| ƒSW = 400 kHz | RNX package | |

| VIN = 12 V | VOUT = 5 V | IOUT = 3 A |
| ƒSW = 400 kHz | RNX package | |

| VIN = 12 V | VOUT = 5 V | IOUT = 3 A |
| ƒSW = 400 kHz | RNX package | |
Figure 9-27 Circuit for Application Curves| VOUT | FREQUENCY | RFBB | COUT | CIN + CHF | L | U1 |
|---|---|---|---|---|---|---|
| 3.3 V | 400 kHz | 43.3 kΩ | 4 × 22 µF | 2 × 4.7 µF + 2 × 100 nF | 6.8 µH, 14 mΩ | LMR33630ARNX |
| 3.3 V | 2100 kHz | 43.3 kΩ | 4 × 22 µF | 2 × 4.7 µF + 2 × 100 nF | 1.2 µH, 7 mΩ | LMR33630CRNX |
| 5 V | 400 kHz | 24.9 kΩ | 4 × 22 µF | 2 × 4.7 µF + 2 × 100 nF | 8 µH, 25 mΩ | LMR33630ARNX |
| 5 V | 2100 kHz | 24.9 kΩ | 4 × 22 µF | 2 × 4.7 µF + 2 × 100 nF | 1.5 µH, 8.2 mΩ | LMR33630CRNX |
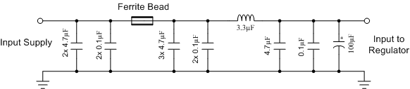
Figure 9-28 Typical Input EMI Filter