SBOS642C March   2013  – January 2020 OPA188

PRODUCTION DATA.  

  1. Features
  2. Applications
  3. Description
    1.     Device Images
      1.      Auto-Zero Technology Provides Ultra-Low Temperature Drift
  4. Revision History
  5. Device Comparison Table
    1. 5.1 Portfolio Comparison
  6. Pin Configuration and Functions
    1.     Pin Functions
  7. Specifications
    1. 7.1 Absolute Maximum Ratings
    2. 7.2 ESD Ratings
    3. 7.3 Recommended Operating Conditions
    4. 7.4 Thermal Information
    5. 7.5 Electrical Characteristics: High-Voltage Operation
    6. 7.6 Electrical Characteristics: Low-Voltage Operation
    7. 7.7 Typical Characteristics: Table of Graphs
      1. 7.7.1 Table of Graphs
    8. 7.8 Typical Characteristics
  8. Detailed Description
    1. 8.1 Overview
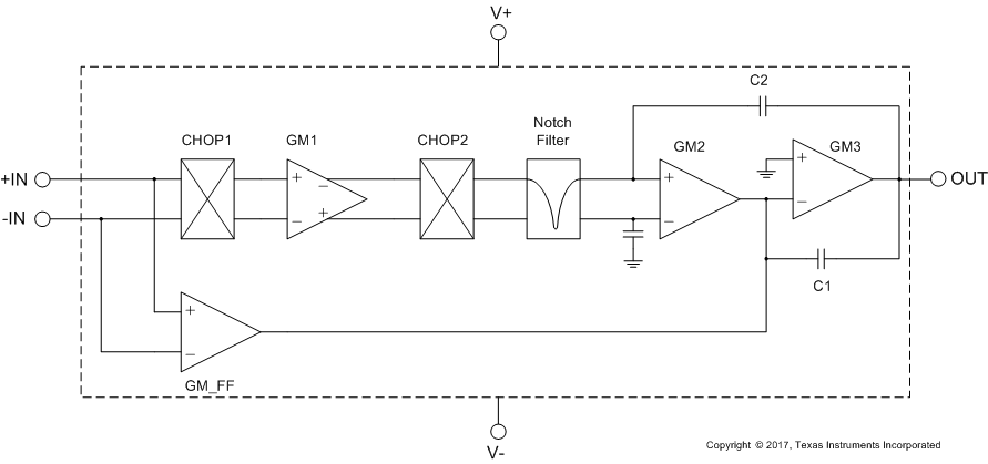
    2. 8.2 Functional Block Diagram
    3. 8.3 Feature Description
      1. 8.3.1 Operating Characteristics
      2. 8.3.2 Phase-Reversal Protection
      3. 8.3.3 Input Bias Current Clock Feedthrough
      4. 8.3.4 Internal Offset Correction
      5. 8.3.5 EMI Rejection
      6. 8.3.6 Capacitive Load and Stability
      7. 8.3.7 Electrical Overstress
    4. 8.4 Device Functional Modes
  9. Application and Implementation
    1. 9.1 Application Information
    2. 9.2 Typical Applications
      1. 9.2.1 High-Side Voltage-to-Current (V-I) Converter
        1. 9.2.1.1 Design Requirements
        2. 9.2.1.2 Detailed Design Procedure
        3. 9.2.1.3 Application Curves
      2. 9.2.2 Discrete INA + Attenuation for ADC With 3.3-V Supply
      3. 9.2.3 Bridge Amplifier
      4. 9.2.4 Low-Side Current Monitor
      5. 9.2.5 Programmable Power Supply
      6. 9.2.6 RTD Amplifier With Linearization
  10. 10Power Supply Recommendations
  11. 11Layout
    1. 11.1 Layout Guidelines
    2. 11.2 Layout Example
  12. 12Device and Documentation Support
    1. 12.1 Device Support
      1. 12.1.1 Development Support
        1. 12.1.1.1 TINA-TI (Free Download Software)
    2. 12.2 Documentation Support
      1. 12.2.1 Related Documentation
    3. 12.3 Receiving Notification of Documentation Updates
    4. 12.4 Support Resources
    5. 12.5 Trademarks
    6. 12.6 Electrostatic Discharge Caution
    7. 12.7 Glossary
  13. 13Mechanical, Packaging, and Orderable Information

Package Options

Mechanical Data (Package|Pins)
Thermal pad, mechanical data (Package|Pins)
Orderable Information

Functional Block Diagram

Figure 38 shows a representation of the proprietary OPA188 architecture. Table 3 lists the active and passive component counts for this device. The component count allows for accurate reliability calculations.

OPA188 fbd_SBOS642.gif
Figure 38. Functional Block Diagram

Table 3. Component Count

COMPONENT COUNT
Transistors 636
Diodes 5
Resistors 41
Capacitors 72