SLASET3D April   2019  â€“ January 2024 TAS2563

PRODUCTION DATA  

  1.   1
  2. Features
  3. Applications
  4. Description
  5. Pin Configuration and Functions
  6. Specifications
    1. 5.1  Absolute Maximum Ratings
    2. 5.2  ESD Ratings
    3. 5.3  Recommended Operating Conditions
    4. 5.4  Thermal Information
    5. 5.5  Electrical Characteristics
    6. 5.6  I2C Timing Requirements
    7. 5.7  SPI Timing Requirements
    8. 5.8  PDM Port Timing Requirements
    9. 5.9  TDM Port Timing Requirements
    10. 5.10 Timing Diagrams
    11. 5.11 Typical Characteristics
  7. Parameter Measurement Information
  8. Detailed Description
    1. 7.1 Overview
    2. 7.2 Functional Block Diagram
    3. 7.3 Feature Description
      1. 7.3.1  PurePath Console 3 Software
      2. 7.3.2  Device Mode and Address Selection
      3. 7.3.3  General I2C Operation
      4. 7.3.4  General SPI Operation
      5. 7.3.5  Single-Byte and Multiple-Byte Transfers
      6. 7.3.6  Single-Byte Write
      7. 7.3.7  Multiple-Byte Write and Incremental Multiple-Byte Write
      8. 7.3.8  Single-Byte Read
      9. 7.3.9  Multiple-Byte Read
      10. 7.3.10 Register Organization
      11. 7.3.11 Operational Modes
        1. 7.3.11.1 Hardware Shutdown
        2. 7.3.11.2 Software Shutdown
        3. 7.3.11.3 Mute
        4. 7.3.11.4 Active
        5. 7.3.11.5 Perform Load Diagnostics
        6. 7.3.11.6 Mode Control and Software Reset
      12. 7.3.12 Faults and Status
      13. 7.3.13 Digital Input Pull Downs
    4. 7.4 Device Functional Modes
      1. 7.4.1 PDM Input
      2. 7.4.2 TDM Port
      3. 7.4.3 Playback Signal Path
        1. 7.4.3.1 Digital Signal Processor
        2. 7.4.3.2 High Pass Filter
        3. 7.4.3.3 Digital Volume Control and Amplifier Output Level
        4. 7.4.3.4 Auto-mute During Idle Channel Mode
        5. 7.4.3.5 Auto-start/stop on Audio Clocks
        6. 7.4.3.6 Supply Tracking Limiters with Brown Out Prevention
        7. 7.4.3.7 Class-D Settings
      4. 7.4.4 SAR ADC
      5. 7.4.5 Boost
      6. 7.4.6 IV Sense
      7. 7.4.7 Load Diagnostics
      8. 7.4.8 Clocks and PLL
      9. 7.4.9 Thermal Foldback
    5. 7.5 Register Maps
      1. 7.5.1  Register Summary Table Page=0x00
      2. 7.5.2  PAGE (page=0x00 address=0x00) [reset=0h]
      3. 7.5.3  SW_RESET (page=0x00 address=0x01) [reset=0h]
      4. 7.5.4  PWR_CTL (page=0x00 address=0x02) [reset=Eh]
      5. 7.5.5  PB_CFG1 (page=0x00 address=0x03) [reset=20h]
      6. 7.5.6  MISC_CFG1 (page=0x00 address=0x04) [reset=C6h]
      7. 7.5.7  MISC_CFG2 (page=0x00 address=0x05) [reset=22h]
      8. 7.5.8  TDM_CFG0 (page=0x00 address=0x06) [reset=9h]
      9. 7.5.9  TDM_CFG1 (page=0x00 address=0x07) [reset=2h]
      10. 7.5.10 TDM_CFG2 (page=0x00 address=0x08) [reset=4Ah]
      11. 7.5.11 TDM_CFG3 (page=0x00 address=0x09) [reset=10h]
      12. 7.5.12 TDM_CFG4 (page=0x00 address=0x0A) [reset=13h]
      13. 7.5.13 TDM_CFG5 (page=0x00 address=0x0B) [reset=2h]
      14. 7.5.14 TDM_CFG6 (page=0x00 address=0x0C) [reset=0h]
      15. 7.5.15 TDM_CFG7 (page=0x00 address=0x0D) [reset=4h]
      16. 7.5.16 TDM_CFG8 (page=0x00 address=0x0E) [reset=5h]
      17. 7.5.17 TDM_CFG9 (page=0x00 address=0x0F) [reset=6h]
      18. 7.5.18 TDM_CFG10 (page=0x00 address=0x10) [reset=7h]
      19. 7.5.19 DSP Mode & TDM_DET (page=0x00 address=0x11) [reset=7Fh]
      20. 7.5.20 LIM_CFG0 (page=0x00 address=0x12) [reset=12h]
      21. 7.5.21 LIM_CFG1 (page=0x00 address=0x13) [reset=76h]
      22. 7.5.22 DSP FREQUENCY & BOP_CFG0 (page=0x00 address=0x14) [reset=1h]
      23. 7.5.23 BOP_CFG0 (page=0x00 address=0x15) [reset=2Eh]
      24. 7.5.24 BIL_and_ICLA_CFG0 (page=0x00 address=0x16) [reset=60h]
      25. 7.5.25 BIL_ICLA_CFG1 (page=0x00 address=0x17) [reset=0h]
      26. 7.5.26 GAIN_ICLA_CFG0 (page=0x00 address=0x18) [reset=0h]
      27. 7.5.27 ICLA_CFG1 (page=0x00 address=0x19) [reset=0h]
      28. 7.5.28 INT_MASK0 (page=0x00 address=0x1A) [reset=FCh]
      29. 7.5.29 INT_MASK1 (page=0x00 address=0x1B) [reset=A6h]
      30. 7.5.30 INT_MASK2 (page=0x00 address=0x1C) [reset=DFh]
      31. 7.5.31 INT_MASK3 (page=0x00 address=0x1D) [reset=FFh]
      32. 7.5.32 INT_LIVE0 (page=0x00 address=0x1F) [reset=0h]
      33. 7.5.33 INT_LIVE1 (page=0x00 address=0x20) [reset=0h]
      34. 7.5.34 INT_LIVE3 (page=0x00 address=0x21) [reset=0h]
      35. 7.5.35 INT_LIVE4 (page=0x00 address=0x22) [reset=0h]
      36. 7.5.36 INT_LTCH0 (page=0x00 address=0x24) [reset=0h]
      37. 7.5.37 INT_LTCH1 (page=0x00 address=0x25) [reset=0h]
      38. 7.5.38 INT_LTCH3 (page=0x00 address=0x26) [reset=0h]
      39. 7.5.39 INT_LTCH4 (page=0x00 address=0x27) [reset=0h]
      40. 7.5.40 VBAT_MSB (page=0x00 address=0x2A) [reset=0h]
      41. 7.5.41 VBAT_LSB (page=0x00 address=0x2B) [reset=0h]
      42. 7.5.42 TEMP (page=0x00 address=0x2C) [reset=0h]
      43. 7.5.43 INT & CLK CFG (page=0x00 address=0x30) [reset=19h]
      44. 7.5.44 DIN_PD (page=0x00 address=0x31) [reset=40h]
      45. 7.5.45 MISC (page=0x00 address=0x32) [reset=80h]
      46. 7.5.46 BOOST_CFG1 (page=0x00 address=0x33) [reset=34h]
      47. 7.5.47 BOOST_CFG2 (page=0x00 address=0x34) [reset=4Bh]
      48. 7.5.48 BOOST_CFG3 (page=0x00 address=0x35) [reset=74h]
      49. 7.5.49 MISC (page=0x00 address=0x3B) [reset=58h]
      50. 7.5.50 TG_CFG0 (page=0x00 address=0x3F) [reset=0h]
      51. 7.5.51 BST_ILIM_CFG0 (page=0x00 address=0x40) [reset=36h]
      52. 7.5.52 PDM_CONFIG0 (page=0x00 address=0x41) [reset=1h]
      53. 7.5.53 DIN_PD & PDM_CONFIG3 (page=0x00 address=0x42) [reset=F8h]
      54. 7.5.54 ASI2_CONFIG0 (page=0x00 address=0x43) [reset=8h]
      55. 7.5.55 ASI2_CONFIG1 (page=0x00 address=0x44) [reset=0h]
      56. 7.5.56 ASI2_CONFIG2 (page=0x00 address=0x45) [reset=1h]
      57. 7.5.57 ASI2_CONFIG3 (page=0x00 address=0x46) [reset=FCh]
      58. 7.5.58 PVDD_MSB_DSP (page=0x00 address=0x49) [reset=0h]
      59. 7.5.59 PVDD_LSB_DSP (page=0x00 address=0x4A) [reset=0h]
      60. 7.5.60 REV_ID (page=0x00 address=0x7D) [reset=0h]
      61. 7.5.61 I2C_CKSUM (page=0x00 address=0x7E) [reset=0h]
      62. 7.5.62 BOOK (page=0x00 address=0x7F) [reset=0h]
  9. Application and Implementation
    1. 8.1 Application Information
    2. 8.2 Typical Application
      1. 8.2.1 Design Requirements
      2. 8.2.2 Detailed Design Procedure
        1. 8.2.2.1 Mono/Stereo Configuration
        2. 8.2.2.2 Boost Converter Passive Devices
        3. 8.2.2.3 EMI Passive Devices
        4. 8.2.2.4 Miscellaneous Passive Devices
      3. 8.2.3 Application Curves
  10. Power Supply Recommendations
    1. 9.1 Power Supplies
    2. 9.2 Power Supply Sequencing
      1. 9.2.1 Boost Supply Details
      2. 9.2.2 External Boost Mode (Boost Bypass Mode)
  11. 10Layout
    1. 10.1 Layout Guidelines
    2. 10.2 Layout Example
  12. 11Device and Documentation Support
    1. 11.1 Documentation Support
      1. 11.1.1 Related Documentation
    2. 11.2 Receiving Notification of Documentation Updates
    3. 11.3 Support Resources
    4. 11.4 Trademarks
    5. 11.5 Electrostatic Discharge Caution
    6. 11.6 Glossary
  13. 12Revision History
  14. 13Mechanical, Packaging, and Orderable Information

Package Options

Refer to the PDF data sheet for device specific package drawings

Mechanical Data (Package|Pins)
  • YBG|42
  • RPP|32
Thermal pad, mechanical data (Package|Pins)
Orderable Information

IV Sense

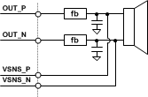
The TAS2563 provides speaker voltage and current sense for real time monitoring of loudspeaker behavior. The VSNS_P and VSNS_N pins should be connected after any ferrite bead filter (or directly to the OUT_P and OUT_N connections if no EMI filter is used). The V-Sense connections eliminate IR drop error due to packaging, PCB interconnect or ferrite bead filter resistance. It should be noted that any interconnect resistance after the V-Sense terminals will not be corrected for, so it is advised to connect the sense connections as close to the load as possible.

GUID-A3686DB7-1DE3-4A62-BF1C-82DDBC5DEADF-low.gifFigure 7-20 V-Sense Connections

I-Sense and V-Sense can be powered down by asserting the ISNS_PD and VSNS_PD register bits respectively. When powered down, the device will return null samples for the powered down block. The IV-sense is High Pass Filtered and the Bi-Quad filter coefficients can be changed from the default 2 Hz using the IVHPFC_N0, IVHPFC_N1, IVHPFC_D1 registers using the equations [N, D] = butter(1, fc/(fs/2), 'high'); round(N(0)*2^31);. These coefficients can be calculated and set using Section 7.3.1.

Table 7-90 I-Sense Power Down
ISNS_PDSETTING
0
I-Sense is active
1
I-Sense is powered down (default)
Table 7-91 V-Sense Power Down
VSNS_PDSETTING
0
V-Sense is active
1
V-Sense is powered down (default)