SLLSFD1F January   2021  â€“ July 2025 TCAN1043A-Q1

PRODUCTION DATA  

  1.   1
  2. Features
  3. Applications
  4. Description
  5. Pin Configuration and Functions
  6. Specifications
    1. 5.1  Absolute Maximum Ratings
    2. 5.2  ESD Ratings
    3. 5.3  ESD Ratings - IEC Specifications
    4. 5.4  Recommended Operating Conditions
    5. 5.5  Thermal Information
    6. 5.6  Power Dissipation Ratings
    7. 5.7  Power Supply Characteristics
    8. 5.8  Electrical Characteristics
    9. 5.9  Timing Requirements
    10. 5.10 Switching Characteristics
    11. 5.11 Typical Characteristics
  7. Parameter Measurement Information
  8. Detailed Description
    1. 7.1 Overview
    2. 7.2 Functional Block Diagram
    3. 7.3 Feature Description
      1. 7.3.1 Supply Pins
        1. 7.3.1.1 VSUP Pin
        2. 7.3.1.2 VCC Pin
        3. 7.3.1.3 VIO Pin
      2. 7.3.2 Digital Inputs and Outputs
        1. 7.3.2.1 TXD Pin
        2. 7.3.2.2 RXD Pin
        3. 7.3.2.3 nFAULT Pin
        4. 7.3.2.4 EN Pin
        5. 7.3.2.5 nSTB Pin
      3. 7.3.3 GND
      4. 7.3.4 INH Pin
      5. 7.3.5 WAKE Pin
      6. 7.3.6 CAN Bus Pins
      7. 7.3.7 Faults
        1. 7.3.7.1 Internal and External Fault Indicators
          1. 7.3.7.1.1 Power-Up (PWRON Flag)
          2. 7.3.7.1.2 Wake-Up Request (WAKERQ Flag)
          3. 7.3.7.1.3 Undervoltage Faults
            1. 7.3.7.1.3.1 Undervoltage on VSUP
            2. 7.3.7.1.3.2 Undervoltage on VCC
            3. 7.3.7.1.3.3 Undervoltage on VIO
          4. 7.3.7.1.4 CAN Bus Fault (CBF Flag)
          5. 7.3.7.1.5 TXD Clamped Low (TXDCLP Flag)
          6. 7.3.7.1.6 TXD Dominant State Timeout (TXDDTO Flag)
          7. 7.3.7.1.7 TXD Shorted to RXD Fault (TXDRXD Flag)
          8. 7.3.7.1.8 CAN Bus Dominant Fault (CANDOM Flag)
      8. 7.3.8 Local Faults
        1. 7.3.8.1 TXD Clamped Low (TXDCLP)
        2. 7.3.8.2 TXD Dominant Timeout (TXD DTO)
        3. 7.3.8.3 Thermal Shutdown (TSD)
        4. 7.3.8.4 Undervoltage Lockout (UVLO)
        5. 7.3.8.5 Unpowered Devices
        6. 7.3.8.6 Floating Terminals
        7. 7.3.8.7 CAN Bus Short-Circuit Current Limiting
    4. 7.4 Device Functional Modes
      1. 7.4.1 Operating Mode Description
        1. 7.4.1.1 Normal Mode
        2. 7.4.1.2 Silent Mode
        3. 7.4.1.3 Standby Mode
        4. 7.4.1.4 Go-To-Sleep Mode
        5. 7.4.1.5 Sleep Mode
          1. 7.4.1.5.1 Remote Wake Request via Wake-Up Pattern (WUP)
          2. 7.4.1.5.2 Local Wake-Up (LWU) via WAKE Input Terminal
      2. 7.4.2 CAN Transceiver
        1. 7.4.2.1 CAN Transceiver Operation
          1. 7.4.2.1.1 CAN Transceiver Modes
            1. 7.4.2.1.1.1 CAN Off Mode
            2. 7.4.2.1.1.2 CAN Autonomous: Inactive and Active
            3. 7.4.2.1.1.3 CAN Active
          2. 7.4.2.1.2 Driver and Receiver Function Tables
          3. 7.4.2.1.3 CAN Bus States
  9. Application Information Disclaimer
    1. 8.1 Application Information
      1. 8.1.1 Typical Application
      2. 8.1.2 Design Requirements
        1. 8.1.2.1 Bus Loading, Length and Number of Nodes
      3. 8.1.3 Detailed Design Procedure
        1. 8.1.3.1 CAN Termination
      4. 8.1.4 Application Curves
    2. 8.2 Power Supply Recommendations
    3. 8.3 Layout
      1. 8.3.1 Layout Guidelines
      2. 8.3.2 Layout Example
  10. Device and Documentation Support
    1. 9.1 Documentation Support
    2. 9.2 Receiving Notification of Documentation Updates
    3. 9.3 Support Resources
    4. 9.4 Trademarks
    5. 9.5 Electrostatic Discharge Caution
    6. 9.6 Glossary
  11. 10Revision History
  12. 11Mechanical, Packaging, and Orderable Information

Package Options

Mechanical Data (Package|Pins)
Thermal pad, mechanical data (Package|Pins)
Orderable Information

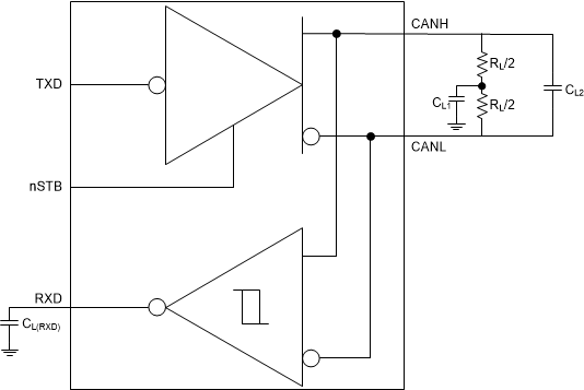
Parameter Measurement Information

TCAN1043A-Q1 Common-Mode Bias Unit and ReceiverFigure 6-1 Common-Mode Bias Unit and Receiver
TCAN1043A-Q1 Test CircuitFigure 6-2 Test Circuit
TCAN1043A-Q1 Supply Test CircuitFigure 6-3 Supply Test Circuit
TCAN1043A-Q1 Driver Test Circuit and MeasurementFigure 6-4 Driver Test Circuit and Measurement
TCAN1043A-Q1 Receiver Test Circuit and MeasurementFigure 6-5 Receiver Test Circuit and Measurement
TCAN1043A-Q1 Transmitter and Receiver Timing Behavior Test
          Circuit and MeasurementFigure 6-6 Transmitter and Receiver Timing Behavior Test Circuit and Measurement
TCAN1043A-Q1 TXD Dominant Time Out Test Circuit and MeasurementFigure 6-7 TXD Dominant Time Out Test Circuit and Measurement
TCAN1043A-Q1 Driver Short-Circuit Current Test and MeasurementFigure 6-8 Driver Short-Circuit Current Test and Measurement
TCAN1043A-Q1 Bias Reaction Time MeasurementFigure 6-9 Bias Reaction Time Measurement
TCAN1043A-Q1 Power-Up TimingFigure 6-10 Power-Up Timing