SPRSP36K September   2021  – April 2024 TDA4VM , TDA4VM-Q1

PRODUCTION DATA  

  1.   1
  2. Features
  3. Applications
  4. Description
    1. 3.1 Functional Block Diagram
  5. Device Comparison
    1. 4.1 Related Products
  6. Terminal Configuration and Functions
    1. 5.1 Pin Diagram
    2. 5.2 Pin Attributes
    3. 5.3 Signal Descriptions
      1. 5.3.1  ADC
        1. 5.3.1.1 MCU Domain
      2. 5.3.2  DDRSS
        1. 5.3.2.1 MAIN Domain
      3. 5.3.3  GPIO
        1. 5.3.3.1 MAIN Domain
        2. 5.3.3.2 WKUP Domain
      4. 5.3.4  I2C
        1. 5.3.4.1 MAIN Domain
        2. 5.3.4.2 MCU Domain
        3. 5.3.4.3 WKUP Domain
      5. 5.3.5  I3C
        1. 5.3.5.1 MAIN Domain
        2. 5.3.5.2 MCU Domain
      6. 5.3.6  MCAN
        1. 5.3.6.1 MAIN Domain
        2. 5.3.6.2 MCU Domain
      7. 5.3.7  MCSPI
        1. 5.3.7.1 MAIN Domain
        2. 5.3.7.2 MCU Domain
      8. 5.3.8  UART
        1. 5.3.8.1 MAIN Domain
        2. 5.3.8.2 MCU Domain
        3. 5.3.8.3 WKUP Domain
      9. 5.3.9  MDIO
        1. 5.3.9.1 MCU Domain
      10. 5.3.10 CPSW2G
        1. 5.3.10.1 MCU Domain
      11. 5.3.11 CPSW9G
        1. 5.3.11.1 MAIN Domain
      12. 5.3.12 ECAP
        1. 5.3.12.1 MAIN Domain
      13. 5.3.13 EQEP
        1. 5.3.13.1 MAIN Domain
      14. 5.3.14 EHRPWM
        1. 5.3.14.1 MAIN Domain
      15. 5.3.15 USB
        1. 5.3.15.1 MAIN Domain
      16. 5.3.16 SERDES
        1. 5.3.16.1 MAIN Domain
      17. 5.3.17 OSPI
        1. 5.3.17.1 MCU Domain
      18. 5.3.18 Hyperbus
        1. 5.3.18.1 MCU Domain
      19. 5.3.19 GPMC
        1. 5.3.19.1 MAIN Domain
      20. 5.3.20 MMC
        1. 5.3.20.1 MAIN Domain
      21. 5.3.21 CPTS
        1. 5.3.21.1 MCU Domain
        2. 5.3.21.2 MAIN Domain
      22. 5.3.22 UFS
        1. 5.3.22.1 MAIN Domain
      23. 5.3.23 PRU_ICSSG [Currently Not Supported]
        1. 5.3.23.1 MAIN Domain
      24. 5.3.24 MCASP
        1. 5.3.24.1 MAIN Domain
      25. 5.3.25 DSS
        1. 5.3.25.1 MAIN Domain
      26. 5.3.26 DP
        1. 5.3.26.1 MAIN Domain
      27. 5.3.27 Camera Streaming Interface Receiver (CSI_RX_IF) Subsystem
        1. 5.3.27.1 MAIN Domain
      28. 5.3.28 DSI_TX
        1. 5.3.28.1 MAIN Domain
      29. 5.3.29 VPFE
        1. 5.3.29.1 MAIN Domain
      30. 5.3.30 DMTIMER
        1. 5.3.30.1 MAIN Domain
        2. 5.3.30.2 MCU Domain
      31. 5.3.31 Emulation and Debug
        1. 5.3.31.1 MAIN Domain
      32. 5.3.32 System and Miscellaneous
        1. 5.3.32.1 Boot Mode Configuration
          1. 5.3.32.1.1 MAIN Domain
          2. 5.3.32.1.2 MCU Domain
        2. 5.3.32.2 Clock
          1. 5.3.32.2.1 MAIN Domain
          2. 5.3.32.2.2 WKUP Domain
        3. 5.3.32.3 System
          1. 5.3.32.3.1 MAIN Domain
          2. 5.3.32.3.2 WKUP Domain
        4. 5.3.32.4 EFUSE
      33. 5.3.33 Power Supply
    4. 5.4 Pin Multiplexing
    5. 5.5 Pin Connectivity Requirements
  7. Specifications
    1. 6.1 Absolute Maximum Ratings
    2. 6.2 ESD Ratings
    3. 6.3 Power-On-Hour (POH) Limits
    4. 6.4 Recommended Operating Conditions
    5. 6.5 Operating Performance Points
    6. 6.6 Electrical Characteristics
    7. 6.7 VPP Specifications for One-Time Programmable (OTP) eFuses
      1. 6.7.1 Recommended Operating Conditions for OTP eFuse Programming
      2. 6.7.2 Hardware Requirements
      3. 6.7.3 Programming Sequence
      4. 6.7.4 Impact to Your Hardware Warranty
    8. 6.8 Thermal Resistance Characteristics
      1. 6.8.1 Thermal Resistance Characteristics for ALF Package
    9. 6.9 Timing and Switching Characteristics
      1. 6.9.1 Timing Parameters and Information
      2. 6.9.2 Power Supply Sequencing
        1. 6.9.2.1 Power Supply Slew Rate Requirement
        2. 6.9.2.2 Combined MCU and Main Domains Power-Up Sequencing
        3. 6.9.2.3 Combined MCU and Main Domains Power- Down Sequencing
        4. 6.9.2.4 Isolated MCU and Main Domains Power- Up Sequencing
        5. 6.9.2.5 Isolated MCU and Main Domains, Primary Power- Down Sequencing
        6. 6.9.2.6 Entry and Exit of MCU Only State
        7. 6.9.2.7 Entry and Exit of DDR Retention State
      3. 6.9.3 System Timing
        1. 6.9.3.1 Reset Timing
        2. 6.9.3.2 Safety Signal Timing
        3. 6.9.3.3 Clock Timing
      4. 6.9.4 Clock Specifications
        1. 6.9.4.1 Input and Output Clocks / Oscillators
          1. 6.9.4.1.1 WKUP_OSC0 Internal Oscillator Clock Source
            1. 6.9.4.1.1.1 Load Capacitance
            2. 6.9.4.1.1.2 Shunt Capacitance
          2. 6.9.4.1.2 WKUP_OSC0 LVCMOS Digital Clock Source
          3. 6.9.4.1.3 Auxiliary OSC1 Internal Oscillator Clock Source
            1. 6.9.4.1.3.1 Load Capacitance
            2. 6.9.4.1.3.2 Shunt Capacitance
          4. 6.9.4.1.4 Auxiliary OSC1 LVCMOS Digital Clock Source
          5. 6.9.4.1.5 Auxiliary OSC1 Not Used
          6. 6.9.4.1.6 WKUP_LFOSC0 Internal Oscillator Clock Source
          7. 6.9.4.1.7 WKUP_LFOSC0 Not Used
        2. 6.9.4.2 Output Clocks
        3. 6.9.4.3 PLLs
        4. 6.9.4.4 Module and Peripheral Clocks Frequencies
      5. 6.9.5 Peripherals
        1. 6.9.5.1  ATL
          1. 6.9.5.1.1 ATL_PCLK Timing Requirements
          2. 6.9.5.1.2 ATL_AWS[x] Timing Requirements
          3. 6.9.5.1.3 ATL_BWS[x] Timing Requirements
          4. 6.9.5.1.4 ATCLK[x] Switching Characteristics
        2. 6.9.5.2  VPFE
        3. 6.9.5.3  CPSW2G
          1. 6.9.5.3.1 CPSW2G MDIO Interface Timings
          2. 6.9.5.3.2 CPSW2G RMII Timings
            1. 6.9.5.3.2.1 CPSW2G RMII[x]_REF_CLK Timing Requirements – RMII Mode
            2. 6.9.5.3.2.2 CPSW2G RMII[x]_RXD[1:0], RMII[x]_CRS_DV, and RMII[x]_RX_ER Timing Requirements – RMII Mode
            3. 6.9.5.3.2.3 CPSW2G RMII[x]_TXD[1:0], and RMII[x]_TX_EN Switching Characteristics – RMII Mode
          3. 6.9.5.3.3 CPSW2G RGMII Timings
            1. 6.9.5.3.3.1 RGMII[x]_RXC Timing Requirements – RGMII Mode
            2. 6.9.5.3.3.2 CPSW2G Timing Requirements for RGMII[x]_RD[3:0], and RGMII[x]_RCTL – RGMII Mode
            3. 6.9.5.3.3.3 CPSW2G RGMII[x]_TXC Switching Characteristics – RGMII Mode
            4. 6.9.5.3.3.4 RGMII[x]_TD[3:0], and RGMII[x]_TX_CTL Switching Characteristics – RGMII Mode
        4. 6.9.5.4  CPSW9G
          1. 6.9.5.4.1 CPSW9G MDIO Interface Timings
          2. 6.9.5.4.2 CPSW9G RMII Timings
            1. 6.9.5.4.2.1 RMII[x]_REF_CLK Timing Requirements – RMII Mode
            2. 6.9.5.4.2.2 RMII[x]_RXD[1:0], RMII[x]_CRS_DV, and RMII[x]_RX_ER Timing Requirements – RMII Mode
            3. 6.9.5.4.2.3 RMII[x]_TXD[1:0], and RMII[x]_TXEN Switching Characteristics – RMII Mode
          3. 6.9.5.4.3 CPSW9G RGMII Timings
            1. 6.9.5.4.3.1 RGMII[x]_RXC Timing Requirements – RGMII Mode
            2. 6.9.5.4.3.2 RGMII[x]_RD[3:0] and RGMII[x]_RCTL Timing Requirements – RGMII Mode
            3. 6.9.5.4.3.3 RGMII[x]_TXC Switching Characteristics – RGMII Mode
            4. 6.9.5.4.3.4 RGMII[x]_TD[3:0] and RGMII[x]_TX_CTL Switching Characteristics – RGMII Mode
        5. 6.9.5.5  CSI-2
        6. 6.9.5.6  DDRSS
        7. 6.9.5.7  DSS
        8. 6.9.5.8  eCAP
          1. 6.9.5.8.1 Timing Requirements for eCAP
          2. 6.9.5.8.2 Switching Characteristics for eCAP
        9. 6.9.5.9  EPWM
          1. 6.9.5.9.1 Switching Characteristics for eHRPWM
          2. 6.9.5.9.2 Timing Requirements for eHRPWM
        10. 6.9.5.10 eQEP
          1. 6.9.5.10.1 Timing Requirements for eQEP
          2. 6.9.5.10.2 Switching Characteristics for eQEP
        11. 6.9.5.11 GPIO
          1. 6.9.5.11.1 GPIO Timing Requirements
          2. 6.9.5.11.2 GPIO Switching Characteristics
        12. 6.9.5.12 GPMC
          1. 6.9.5.12.1 GPMC and NOR Flash — Synchronous Mode
            1. 6.9.5.12.1.1 GPMC and NOR Flash Timing Requirements — Synchronous Mode
            2. 6.9.5.12.1.2 GPMC and NOR Flash Switching Characteristics – Synchronous Mode
          2. 6.9.5.12.2 GPMC and NOR Flash — Asynchronous Mode
            1. 6.9.5.12.2.1 GPMC and NOR Flash Timing Requirements – Asynchronous Mode
            2. 6.9.5.12.2.2 GPMC and NOR Flash Switching Characteristics – Asynchronous Mode
          3. 6.9.5.12.3 GPMC and NAND Flash — Asynchronous Mode
            1. 6.9.5.12.3.1 GPMC and NAND Flash Timing Requirements – Asynchronous Mode
            2. 6.9.5.12.3.2 GPMC and NAND Flash Switching Characteristics – Asynchronous Mode
          4. 6.9.5.12.4 GPMC0 IOSET
        13. 6.9.5.13 HyperBus
          1. 6.9.5.13.1 Timing Requirements for HyperBus
          2. 6.9.5.13.2 HyperBus 166 MHz Switching Characteristics
          3. 6.9.5.13.3 HyperBus 100 MHz Switching Characteristics
        14. 6.9.5.14 I2C
        15. 6.9.5.15 I3C
        16. 6.9.5.16 MCAN
        17. 6.9.5.17 MCASP
        18. 6.9.5.18 MCSPI
          1. 6.9.5.18.1 MCSPI — Master Mode
          2. 6.9.5.18.2 MCSPI — Slave Mode
        19. 6.9.5.19 MMCSD
          1. 6.9.5.19.1 MMC0 - eMMC Interface
            1. 6.9.5.19.1.1 Legacy SDR Mode
            2. 6.9.5.19.1.2 High Speed SDR Mode
            3. 6.9.5.19.1.3 High Speed DDR Mode
            4. 6.9.5.19.1.4 HS200 Mode
          2. 6.9.5.19.2 MMC1/2 - SD/SDIO Interface
            1. 6.9.5.19.2.1 Default Speed Mode
            2. 6.9.5.19.2.2 High Speed Mode
            3. 6.9.5.19.2.3 UHS–I SDR12 Mode
            4. 6.9.5.19.2.4 UHS–I SDR25 Mode
            5. 6.9.5.19.2.5 UHS–I SDR50 Mode
            6. 6.9.5.19.2.6 UHS–I DDR50 Mode
            7. 6.9.5.19.2.7 UHS–I SDR104 Mode
        20. 6.9.5.20 CPTS
          1. 6.9.5.20.1 CPTS Timing Requirements
          2. 6.9.5.20.2 CPTS Switching Characteristics
        21. 6.9.5.21 OSPI
          1. 6.9.5.21.1 OSPI PHY Mode
            1. 6.9.5.21.1.1 OSPI With Data Training
              1. 6.9.5.21.1.1.1 OSPI Switching Characteristics – Data Training
            2. 6.9.5.21.1.2 OSPI Without Data Training
              1. 6.9.5.21.1.2.1 OSPI Timing Requirements – SDR Mode
              2. 6.9.5.21.1.2.2 OSPI Switching Characteristics – SDR Mode
              3. 6.9.5.21.1.2.3 OSPI Timing Requirements – DDR Mode
              4. 6.9.5.21.1.2.4 OSPI Switching Characteristics – DDR Mode
          2. 6.9.5.21.2 OSPI Tap Mode
            1. 6.9.5.21.2.1 OSPI Tap SDR Timing
            2. 6.9.5.21.2.2 OSPI Tap DDR Timing
        22. 6.9.5.22 PCIE
        23. 6.9.5.23 Timers
          1. 6.9.5.23.1 Timing Requirements for Timers
          2. 6.9.5.23.2 Switching Characteristics for Timers
        24. 6.9.5.24 UART
          1. 6.9.5.24.1 Timing Requirements for UART
          2. 6.9.5.24.2 UART Switching Characteristics
        25. 6.9.5.25 USB
      6. 6.9.6 Emulation and Debug
        1. 6.9.6.1 Trace
        2. 6.9.6.2 JTAG
          1. 6.9.6.2.1 JTAG Electrical Data and Timing
            1. 6.9.6.2.1.1 JTAG Timing Requirements
            2. 6.9.6.2.1.2 JTAG Switching Characteristics
  8. Detailed Description
    1. 7.1 Overview
    2. 7.2 Processor Subsystems
      1. 7.2.1 Arm Cortex-A72
      2. 7.2.2 Arm Cortex-R5F
      3. 7.2.3 DSP C71x
      4. 7.2.4 DSP C66x
    3. 7.3 Accelerators and Coprocessors
      1. 7.3.1 GPU
      2. 7.3.2 VPAC
      3. 7.3.3 DMPAC
      4. 7.3.4 D5520MP2
      5. 7.3.5 VXE384MP2
    4. 7.4 Other Subsystems
      1. 7.4.1 MSMC
      2. 7.4.2 NAVSS
        1. 7.4.2.1 NAVSS0
        2. 7.4.2.2 MCU_NAVSS
      3. 7.4.3 PDMA Controller
      4. 7.4.4 Power Supply
      5. 7.4.5 Peripherals
        1. 7.4.5.1  ADC
        2. 7.4.5.2  ATL
        3. 7.4.5.3  CSI
          1. 7.4.5.3.1 Camera Streaming Interface Receiver (CSI_RX_IF) and MIPI DPHY Receiver (DPHY_RX)
          2. 7.4.5.3.2 Camera Streaming Interface Transmitter (CSI_TX_IF)
        4. 7.4.5.4  CPSW2G
        5. 7.4.5.5  CPSW9G
        6. 7.4.5.6  DCC
        7. 7.4.5.7  DDRSS
        8. 7.4.5.8  DSS
          1. 7.4.5.8.1 DSI
          2. 7.4.5.8.2 eDP
        9. 7.4.5.9  VPFE
        10. 7.4.5.10 eCAP
        11. 7.4.5.11 EPWM
        12. 7.4.5.12 ELM
        13. 7.4.5.13 ESM
        14. 7.4.5.14 eQEP
        15. 7.4.5.15 GPIO
        16. 7.4.5.16 GPMC
        17. 7.4.5.17 Hyperbus
        18. 7.4.5.18 I2C
        19. 7.4.5.19 I3C
        20. 7.4.5.20 MCAN
        21. 7.4.5.21 MCASP
        22. 7.4.5.22 MCRC Controller
        23. 7.4.5.23 MCSPI
        24. 7.4.5.24 MMC/SD
        25. 7.4.5.25 OSPI
        26. 7.4.5.26 PCIE
        27. 7.4.5.27 SerDes
        28. 7.4.5.28 WWDT
        29. 7.4.5.29 Timers
        30. 7.4.5.30 UART
        31. 7.4.5.31 USB
        32. 7.4.5.32 UFS
  9. Applications and Implementation
    1. 8.1 Power Supply Mapping
    2. 8.2 Device Connection and Layout Fundamentals
      1. 8.2.1 Power Supply Decoupling and Bulk Capacitors
        1. 8.2.1.1 Power Distribution Network Implementation Guidance
      2. 8.2.2 External Oscillator
      3. 8.2.3 JTAG and EMU
      4. 8.2.4 Reset
      5. 8.2.5 Unused Pins
      6. 8.2.6 Hardware Design Guide for JacintoTM 7 Devices
    3. 8.3 Peripheral- and Interface-Specific Design Information
      1. 8.3.1 LPDDR4 Board Design and Layout Guidelines
      2. 8.3.2 OSPI and QSPI Board Design and Layout Guidelines
        1. 8.3.2.1 No Loopback and Internal Pad Loopback
        2. 8.3.2.2 External Board Loopback
        3. 8.3.2.3 DQS (only available in Octal Flash devices)
      3. 8.3.3 SERDES REFCLK Design Guidelines
      4. 8.3.4 USB VBUS Design Guidelines
      5. 8.3.5 System Power Supply Monitor Design Guidelines
      6. 8.3.6 High Speed Differential Signal Routing Guidance
      7. 8.3.7 Thermal Solution Guidance
  10. Device and Documentation Support
    1. 9.1 Device Nomenclature
      1. 9.1.1 Standard Package Symbolization
      2. 9.1.2 Device Naming Convention
    2. 9.2 Tools and Software
    3. 9.3 Documentation Support
    4. 9.4 Support Resources
    5. 9.5 Trademarks
    6. 9.6 Electrostatic Discharge Caution
    7. 9.7 Glossary
  11. 10Revision History
  12. 11Mechanical, Packaging, and Orderable Information
    1. 11.1 Packaging Information

Package Options

Refer to the PDF data sheet for device specific package drawings

Mechanical Data (Package|Pins)
  • ALF|827
Thermal pad, mechanical data (Package|Pins)
Orderable Information
GPMC and NOR Flash Switching Characteristics – Asynchronous Mode
NO. PARAMETER DESCRIPTION MODE(15) MIN MAX UNIT
133 MHz(16)
FA0 tw(be[x]nV) Pulse duration, output lower-byte enable and command latch enable GPMC_BE0n_CLE, output upper-byte enable GPMC_BE1n valid time Read N(12) ns
Write N(12)
FA1 tw(csnV) Pulse duration, output chip select GPMC_CSn[i](13) low Read A(1) ns
Write A(1)
FA3 td(csnV-advnIV) Delay time, output chip select GPMC_CSn[i](13) valid to output address valid and address latch enable GPMC_ADVn_ALE invalid Read B(2)-2.55 B(2)+2.65 ns
Write B(2)-2.55 B(2)+2.65
FA4 td(csnV-oenIV) Delay time, output chip select GPMC_CSn[i](13) valid to output enable GPMC_OEn_REn invalid (Single read) div_by_1_mode; C(3)-2.55 C(3)+2.65 ns
FA9 td(aV-csnV) Delay time, output address GPMC_A[27:1] valid to output chip select GPMC_CSn[i](13) valid div_by_1_mode; J(9)-2.55 J(9)+2.65 ns
FA10 td(be[x]nV-csnV) Delay time, output lower-byte enable and command latch enable GPMC_BE0n_CLE, output upper-byte enable GPMC_BE1n valid to output chip select GPMC_CSn[i](13) valid div_by_1_mode; J(9)-2.55 J(9)+2.65 ns
FA12 td(csnV-advnV) Delay time, output chip select GPMC_CSn[i](13) valid to output address valid and address latch enable GPMC_ADVn_ALE valid div_by_1_mode; K(10)-2.55 K(10)+2.65 ns
FA13 td(csnV-oenV) Delay time, output chip select GPMC_CSn[i](13) valid to output enable GPMC_OEn_REn valid div_by_1_mode; L(11)-2.55 L(11)+2.65 ns
FA16 tw(aIV) Pulse duration output address GPMC_A[26:1] invalid between 2 successive read and write accesses div_by_1_mode; G(7) ns
FA18 td(csnV-oenIV) Delay time, output chip select GPMC_CSn[i](13) valid to output enable GPMC_OEn_REn invalid (Burst read) div_by_1_mode; I(8)-2.55 I(8)+2.65 ns
FA20 tw(aV) Pulse duration, output address GPMC_A[27:1] valid - 2nd, 3rd, and 4th accesses div_by_1_mode; D(4) ns
FA25 td(csnV-wenV) Delay time, output chip select GPMC_CSn[i](13) valid to output write enable GPMC_WEn valid div_by_1_mode; E(5)-2.55 E(5)+2.65 ns
FA27 td(csnV-wenIV) Delay time, output chip select GPMC_CSn[i](13) valid to output write enable GPMC_WEn invalid div_by_1_mode; F(6)-2.55 F(6)+2.65 ns
FA28 td(wenV-dV) Delay time, output write enable GPMC_WEn valid to output data GPMC_AD[15:0] valid div_by_1_mode; 2.65 ns
FA29 td(dV-csnV) Delay time, output data GPMC_AD[15:0] valid to output chip select GPMC_CSn[i](13) valid div_by_1_mode; J(9)-2.55 J(9)+2.65 ns
FA37 td(oenV-aIV) Delay time, output enable GPMC_OEn_REn valid to output address GPMC_AD[15:0] phase end div_by_1_mode; 2.65 ns
For single read: A = (CSRdOffTime - CSOnTime) × (TimeParaGranularity + 1) × GPMC_FCLK(14)
For single write: A = (CSWrOffTime - CSOnTime) × (TimeParaGranularity + 1) × GPMC_FCLK(14)
For burst read: A = (CSRdOffTime - CSOnTime + (n - 1) × PageBurstAccessTime) × (TimeParaGranularity + 1) × GPMC_FCLK(14)
For burst write: A = (CSWrOffTime - CSOnTime + (n - 1) × PageBurstAccessTime) × (TimeParaGranularity + 1) × GPMC_FCLK(14)
with n being the page burst access number
For reading: B = ((ADVRdOffTime - CSOnTime) × (TimeParaGranularity + 1) + 0.5 × (ADVExtraDelay - CSExtraDelay)) × GPMC_FCLK(14)
For writing: B = ((ADVWrOffTime - CSOnTime) × (TimeParaGranularity + 1) + 0.5 × (ADVExtraDelay - CSExtraDelay)) × GPMC_FCLK(14)
C = ((OEOffTime - CSOnTime) × (TimeParaGranularity + 1) + 0.5 × (OEExtraDelay - CSExtraDelay)) × GPMC_FCLK(14)
D = PageBurstAccessTime × (TimeParaGranularity + 1) × GPMC_FCLK(14)
E = ((WEOnTime - CSOnTime) × (TimeParaGranularity + 1) + 0.5 × (WEExtraDelay - CSExtraDelay)) × GPMC_FCLK(14)
F = ((WEOffTime - CSOnTime) × (TimeParaGranularity + 1) + 0.5 × (WEExtraDelay - CSExtraDelay)) × GPMC_FCLK(14)
G = Cycle2CycleDelay × GPMC_FCLK(14)
I = ((OEOffTime + (n - 1) × PageBurstAccessTime - CSOnTime) × (TimeParaGranularity + 1) + 0.5 × (OEExtraDelay - CSExtraDelay)) × GPMC_FCLK(14)
J = (CSOnTime × (TimeParaGranularity + 1) + 0.5 × CSExtraDelay) × GPMC_FCLK(14)
K = ((ADVOnTime - CSOnTime) × (TimeParaGranularity + 1) + 0.5 × (ADVExtraDelay - CSExtraDelay)) × GPMC_FCLK(14)
L = ((OEOnTime - CSOnTime) × (TimeParaGranularity + 1) + 0.5 × (OEExtraDelay - CSExtraDelay)) × GPMC_FCLK(14)
For single read: N = RdCycleTime × (TimeParaGranularity + 1) × GPMC_FCLK(14)
For single write: N = WrCycleTime × (TimeParaGranularity + 1) × GPMC_FCLK(14)
For burst read: N = (RdCycleTime + (n - 1) × PageBurstAccessTime) × (TimeParaGranularity + 1) × GPMC_FCLK(14)
For burst write: N = (WrCycleTime + (n - 1) × PageBurstAccessTime) × (TimeParaGranularity + 1) × GPMC_FCLK(14)
In GPMC_CSn[i], i is equal to 0, 1, 2 or 3.
GPMC_FCLK is general-purpose memory controller internal functional clock period in ns.
For div_by_1_mode:
  • GPMC_CONFIG1_i Register: GPMCFCLKDIVIDER = 0h:
    • GPMC_CLK frequency = GPMC_FCLK frequency
For 133 MHz:
  • CTRLMMR_GPMC_CLKSEL[1-0] CLK_SEL = 00 = MAIN_PLL0_HSDIV3_CLKOUT
GUID-A3FBDF22-F6FD-47DB-AB38-8F57686CDECE-low.gif
In GPMC_CSn[i], i is equal to 0, 1, 2 or 3. In GPMC_WAIT[j], j is equal to 0, 1, 2, or 3.
FA5 parameter illustrates amount of time required to internally sample input data. It is expressed in number of GPMC functional clock cycles. From start of read cycle and after FA5 functional clock cycles, input data will be internally sampled by active functional clock edge. FA5 value must be stored inside AccessTime register bits field.
GPMC_FCLK is an internal clock (GPMC functional clock) not provided externally.
Figure 6-68 GPMC and NOR Flash — Asynchronous Read — Single Word
GUID-EACA74FB-0B2F-4BCF-A379-8A764A880575-low.gif
In GPMC_CSn[i], i is equal to 0, 1, 2 or 3. In GPMC_WAIT[j], j is equal to 0, 1, 2, or 3.
FA5 parameter illustrates amount of time required to internally sample input data. It is expressed in number of GPMC functional clock cycles. From start of read cycle and after FA5 functional clock cycles, input data will be internally sampled by active functional clock edge. FA5 value must be stored inside AccessTime register bits field.
GPMC_FCLK is an internal clock (GPMC functional clock) not provided externally.
Figure 6-69 GPMC and NOR Flash — Asynchronous Read — 32–Bit
GUID-A4474405-B540-4D58-8A8D-AFB41106A1A3-low.gif
In GPMC_CSn[i], i is equal to 0, 1, 2 or 3. In GPMC_WAIT[j], j is equal to 0, 1, 2, or 3.
FA21 parameter illustrates amount of time required to internally sample first input page data. It is expressed in number of GPMC functional clock cycles. From start of read cycle and after FA21 functional clock cycles, first input page data will be internally sampled by active functional clock edge. FA21 calculation must be stored inside AccessTime register bits field.
FA20 parameter illustrates amount of time required to internally sample successive input page data. It is expressed in number of GPMC functional clock cycles. After each access to input page data, next input page data will be internally sampled by active functional clock edge after FA20 functional clock cycles. FA20 is also the duration of address phases for successive input page data (excluding first input page data). FA20 value must be stored in PageBurstAccessTime register bits field.
GPMC_FCLK is an internal clock (GPMC functional clock) not provided externally.
Figure 6-70 GPMC and NOR Flash — Asynchronous Read — Page Mode 4x16–Bit
GUID-69CDD01B-3C5E-45B4-9C6A-139BCBABF1CD-low.gif
In GPMC_CSn[i], i is equal to 0, 1, 2 or 3. In GPMC_WAIT[j], j is equal to 0, 1, 2, or 3.
Figure 6-71 GPMC and NOR Flash — Asynchronous Write — Single Word
GUID-BD9CB115-9484-4196-9A41-FBA2BB49F543-low.gif
In GPMC_CSn[i], i is equal to 0, 1, 2 or 3. In GPMC_WAIT[j], j is equal to 0, 1, 2, or 3.
FA5 parameter illustrates amount of time required to internally sample input data. It is expressed in number of GPMC functional clock cycles. From start of read cycle and after FA5 functional clock cycles, input data will be internally sampled by active functional clock edge. FA5 value must be stored inside AccessTime register bits field.
GPMC_FCLK is an internal clock (GPMC functional clock) not provided externally.
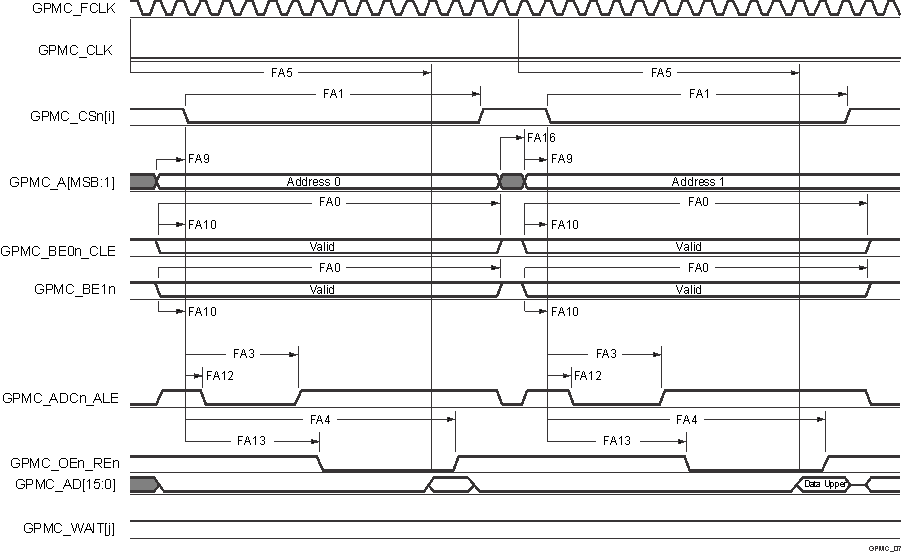
Figure 6-72 GPMC and Multiplexed NOR Flash — Asynchronous Read — Single Word
GUID-3C4F5C76-9ADD-45E4-AC65-6FC8738A5B35-low.gif
In GPMC_CSn[i], i is equal to 0, 1, 2 or 3. In GPMC_WAIT[j], j is equal to 0, 1, 2, or 3.
Figure 6-73 GPMC and Multiplexed NOR Flash — Asynchronous Write — Single Word