SLDS120H March   2000  – March 2022 TFP401 , TFP401A

PRODUCTION DATA  

  1. Features
  2. Applications
  3. Description
  4. Revision History
  5. Description (continued)
  6. Pin Configuration and Functions
  7. Specifications
    1. 7.1 Absolute Maximum Ratings (1)
    2. 7.2 ESD Ratings
    3. 7.3 Recommended Operating Conditions
    4. 7.4 Thermal Information
    5. 7.5 DC Digital I/O Electrical Characteristics
    6. 7.6 DC Electrical Characteristics
    7. 7.7 AC Electrical Characteristics
    8. 7.8 Typical Characteristics
  8. Parameter Measurement Information
  9. Detailed Description
    1. 9.1 Overview
    2. 9.2 Functional Block Diagram
    3. 9.3 Feature Description
      1. 9.3.1 TMDS Pixel Data and Control Signal Encoding
      2. 9.3.2 TFP401/401A Clocking and Data Synchronization
      3. 9.3.3 TFP401/401A TMDS Input Levels and Input Impedance Matching
      4. 9.3.4 TFP401A Incorporates HSYNC Jitter Immunity
    4. 9.4 Device Functional Modes
      1. 9.4.1 TFP401/401A Modes of Operation
      2. 9.4.2 TFP401/401A Output Driver Configurations
        1. 9.4.2.1 Output Driver Power Down
        2. 9.4.2.2 Drive Strength
        3. 9.4.2.3 Time-Staggered Pixel Output
        4. 9.4.2.4 Power Management
        5. 9.4.2.5 Sync Detect
  10. 10Applications and Implementation
    1. 10.1 Application Information
    2. 10.2 Typical Application
      1. 10.2.1 Design Requirements
      2. 10.2.2 Detailed Design Procedure
        1. 10.2.2.1 Data and Control Signals
        2. 10.2.2.2 Configuration Options
        3. 10.2.2.3 Power Supplies Decoupling
      3. 10.2.3 Application Curve
  11. 11Power Supply Recommendations
  12. 12Layout
    1. 12.1 Layout Guidelines
      1. 12.1.1 Layer Stack
      2. 12.1.2 Routing High-Speed Differential Signal Traces (RxC–, RxC+, Rx0–, Rx0+, Rx1–, Rx1+, Rx2–, Rx2+)
      3. 12.1.3 DVI Connector
    2. 12.2 Layout Example
    3. 12.3 TI PowerPAD 100-TQFP Package
  13. 13Device and Documentation Support
    1. 13.1 Receiving Notification of Documentation Updates
    2. 13.2 Support Resources
    3. 13.3 Trademarks
    4. 13.4 Electrostatic Discharge Caution
    5. 13.5 Glossary
  14. 14Mechanical, Packaging, and Orderable Information

Package Options

Mechanical Data (Package|Pins)
Thermal pad, mechanical data (Package|Pins)
Orderable Information

Parameter Measurement Information

GUID-53690A82-7676-4041-95E2-812E0311C56C-low.gif Figure 8-1 Rise and Fall Times of Data and Control Signals
GUID-8FD1D8FD-5F49-4CB1-A883-16C7A4B2861A-low.gifFigure 8-2 Rise and Fall Times of ODCK
GUID-46984A95-8A9F-4C3A-B1DB-6C38C2BE0EB6-low.gifFigure 8-3 ODCK Frequency
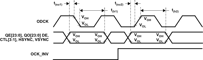
GUID-6B0F8C2E-3BCF-4251-85FF-A33EDD39710E-low.gif Figure 8-4 Data Setup and Hold Times to Rising and Falling Edges of ODCK
GUID-DA37585F-0460-4604-982E-05A97D64DFE3-low.gifFigure 8-5 ODCK High to QE[23:0] Staggered Data Output
GUID-15AD9161-3932-4BCF-9B12-AC83860A9615-low.gifFigure 8-7 Delay From PD Low to Hi-Z Outputs
GUID-44484C50-BD1A-4567-A22B-2F5684FC06C6-low.gifFigure 8-9 Delay From PD Low to High Before Inputs Are Active
GUID-F2CBC2F9-3992-44E7-8254-080B15A744B4-low.gifFigure 8-6 Analog Input Intra-Pair Differential Skew
GUID-0B77F62F-EEB6-4C99-AB87-EB863AA719DB-low.gifFigure 8-8 Delay From PDO Low to Hi-Z Outputs
GUID-F2F2DE60-937F-42AB-AC96-5831FCD8661F-low.gifFigure 8-10 Minimum Time PD Low
GUID-AAC7A270-8C86-4D22-AD51-59373372B70C-low.gif Figure 8-11 Analog Input Channel-to-Channel Skew
GUID-86533586-68BD-46D5-8140-750E5A158FD8-low.gif Figure 8-12 Time Between DE Transitions to SCDT Low and SCDT High
GUID-B3D874E6-98D0-43D9-A3DF-2A73DECA5D7F-low.gif Figure 8-13 Minimum DE Low and Maximum DE High