SLOS224L June   1999  – July 2024 THS4031 , THS4032

PRODUCTION DATA  

  1.   1
  2. Features
  3. Applications
  4. Description
  5. Pin Configuration and Functions
  6. Specifications
    1. 5.1 Absolute Maximum Ratings
    2. 5.2 ESD Ratings
    3. 5.3 Recommended Operating Conditions
    4. 5.4 Thermal Information - THS4031
    5. 5.5 Thermal Information - THS4032
    6. 5.6 Electrical Characteristics - RL = 150Ω
    7. 5.7 Electrical Characteristics - RL = 1kΩ
    8. 5.8 Typical Characteristics
  7. Detailed Description
    1. 6.1 Overview
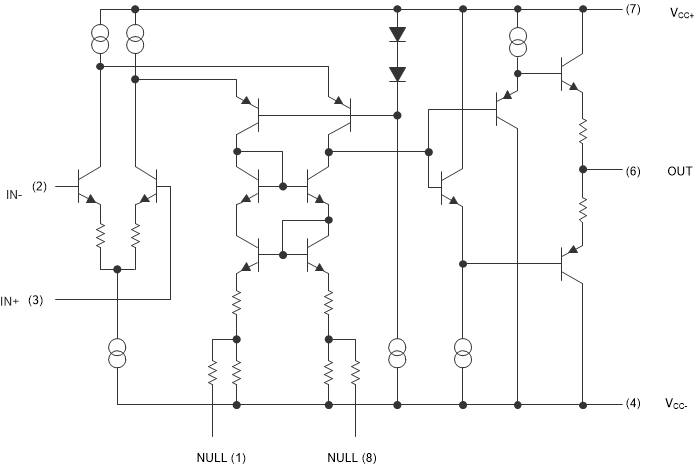
    2. 6.2 Functional Block Diagrams
    3. 6.3 Feature Description
      1. 6.3.1 Offset Nulling
    4. 6.4 Device Functional Modes
  8. Application and Implementation
    1. 7.1 Application Information
      1. 7.1.1 Driving a Capacitive Load
      2. 7.1.2 Low-Pass Filter Configurations
    2. 7.2 Typical Application
      1. 7.2.1 Design Requirements
      2. 7.2.2 Detailed Design Procedure
        1. 7.2.2.1 Multiplexer Selection
        2. 7.2.2.2 Signal Source
        3. 7.2.2.3 Driving Amplifier
          1. 7.2.2.3.1 Driving Amplifier Bandwidth Restriction
      3. 7.2.3 Application Curves
    3. 7.3 Power Supply Recommendations
    4. 7.4 Layout
      1. 7.4.1 Layout Guidelines
        1. 7.4.1.1 General PowerPAD™ Integrated Circuit Package Design Considerations
      2. 7.4.2 Layout Example
  9. Device and Documentation Support
    1. 8.1 Documentation Support
      1. 8.1.1 Related Documentation
    2. 8.2 Receiving Notification of Documentation Updates
    3. 8.3 Support Resources
    4. 8.4 Trademarks
    5. 8.5 Electrostatic Discharge Caution
    6. 8.6 Glossary
  10. Revision History
  11. 10Mechanical, Packaging, and Orderable Information

Package Options

Refer to the PDF data sheet for device specific package drawings

Mechanical Data (Package|Pins)
  • D|8
  • DGN|8
Thermal pad, mechanical data (Package|Pins)
Orderable Information

Functional Block Diagrams

THS4031 THS4032 THS4031: Single Channel Figure 6-1 THS4031: Single Channel
THS4031 THS4032 THS4032: Dual Channel Figure 6-2 THS4032: Dual Channel
THS4031 THS4032 THS4031 Simplified Schematic Figure 6-3 THS4031 Simplified Schematic