SLOS224L June   1999  – July 2024 THS4031 , THS4032

PRODUCTION DATA  

  1.   1
  2. Features
  3. Applications
  4. Description
  5. Pin Configuration and Functions
  6. Specifications
    1. 5.1 Absolute Maximum Ratings
    2. 5.2 ESD Ratings
    3. 5.3 Recommended Operating Conditions
    4. 5.4 Thermal Information - THS4031
    5. 5.5 Thermal Information - THS4032
    6. 5.6 Electrical Characteristics - RL = 150Ω
    7. 5.7 Electrical Characteristics - RL = 1kΩ
    8. 5.8 Typical Characteristics
  7. Detailed Description
    1. 6.1 Overview
    2. 6.2 Functional Block Diagrams
    3. 6.3 Feature Description
      1. 6.3.1 Offset Nulling
    4. 6.4 Device Functional Modes
  8. Application and Implementation
    1. 7.1 Application Information
      1. 7.1.1 Driving a Capacitive Load
      2. 7.1.2 Low-Pass Filter Configurations
    2. 7.2 Typical Application
      1. 7.2.1 Design Requirements
      2. 7.2.2 Detailed Design Procedure
        1. 7.2.2.1 Multiplexer Selection
        2. 7.2.2.2 Signal Source
        3. 7.2.2.3 Driving Amplifier
          1. 7.2.2.3.1 Driving Amplifier Bandwidth Restriction
      3. 7.2.3 Application Curves
    3. 7.3 Power Supply Recommendations
    4. 7.4 Layout
      1. 7.4.1 Layout Guidelines
        1. 7.4.1.1 General PowerPAD™ Integrated Circuit Package Design Considerations
      2. 7.4.2 Layout Example
  9. Device and Documentation Support
    1. 8.1 Documentation Support
      1. 8.1.1 Related Documentation
    2. 8.2 Receiving Notification of Documentation Updates
    3. 8.3 Support Resources
    4. 8.4 Trademarks
    5. 8.5 Electrostatic Discharge Caution
    6. 8.6 Glossary
  10. Revision History
  11. 10Mechanical, Packaging, and Orderable Information

Package Options

Refer to the PDF data sheet for device specific package drawings

Mechanical Data (Package|Pins)
  • D|8
  • DGN|8
Thermal pad, mechanical data (Package|Pins)
Orderable Information

Typical Application

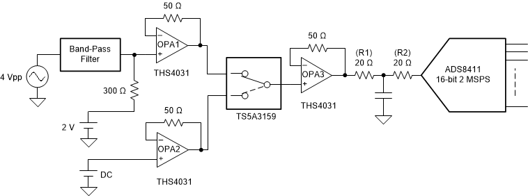
This section demonstrates multiplexing several analog input signals to a high-performance driver amplifier which subsequently drives a single high-resolution, high-speed SAR analog-to-digital converter (ADC). This example uses the ADS8411 and the TS5A3159 or TS5A3359 as the ADC and the multiplexer, respectively. This application uses the THS403x as the operational amplifier.

As detailed in Figure 7-4, the example system consists of an ADC (ADS8411), a driving operational amplifier (THS4031), a multiplexer (TS5A3159), an ac source, a dc source, and two driving operational amplifiers.

The driving amplifiers OPA1 are OPA2 are shown as two THS4031 amplifiers. Alternatively, use a single THS4032 to save on cost and board space. The purpose of these op-amps is make the input sources present a low impedance to rest of the circuit. Additionally, to maintain signal fidelity, these operational amplifiers must have low noise and distortion. The third THS4031 labeled OPA3 in Figure 7-4 is used to maintain switching speed and drive the ADC. The passive band-pass filter before the ADC reduces unwanted noise.

THS4031 THS4032 Multiplexing Setup to Drive a High-Performance ADC Figure 7-4 Multiplexing Setup to Drive a High-Performance ADC