SNOSDC9C October   2022  – December 2024 TLV1811-Q1 , TLV1812-Q1 , TLV1814-Q1 , TLV1821-Q1 , TLV1822-Q1 , TLV1824-Q1

PRODMIX  

  1.   1
  2. Features
  3. Applications
  4. Description
  5. Pin Configuration and Functions
    1.     Pin Functions: TLV18x1-Q1 and TLV18x1L-Q1
    2.     Pin Functions: TLV1812-Q1 and TLV1822-Q1
    3.     Pin Functions: TLV1814-Q1 and TLV1824-Q1
  6. Specifications
    1. 5.1 Absolute Maximum Ratings
    2. 5.2 ESD Ratings
    3. 5.3 Recommended Operating Conditions
    4. 5.4 Thermal Information - Single
    5. 5.5 Thermal Information - EP
    6. 5.6 Thermal Information - Quad
    7. 5.7 Electrical Characteristics
    8. 5.8 Switching Characteristics
  7. Typical Characteristics
  8. Detailed Description
    1. 7.1 Overview
    2. 7.2 Functional Block Diagrams
    3. 7.3 Feature Description
    4. 7.4 Device Functional Modes
      1. 7.4.1 Inputs
        1. 7.4.1.1 TLV18xx Rail-to-Rail Input
        2. 7.4.1.2 ESD Protection
        3. 7.4.1.3 Unused Inputs
      2. 7.4.2 Outputs
        1. 7.4.2.1 TLV181x-Q1 Push-Pull Output
        2. 7.4.2.2 TLV182x-Q1 Open-Drain Output
      3. 7.4.3 Power-On Reset (POR)
      4. 7.4.4 Hysteresis
  9. Application and Implementation
    1. 8.1 Application Information
      1. 8.1.1 Basic Comparator Definitions
        1. 8.1.1.1 Operation
        2. 8.1.1.2 Propagation Delay
        3. 8.1.1.3 Overdrive and Underdrive Voltage
      2. 8.1.2 Hysteresis
        1. 8.1.2.1 Inverting Comparator With Hysteresis
        2. 8.1.2.2 Non-Inverting Comparator With Hysteresis
        3. 8.1.2.3 Inverting and Non-Inverting Hysteresis using Open-Drain Output
    2. 8.2 Typical Applications
      1. 8.2.1 Window Comparator
        1. 8.2.1.1 Design Requirements
        2. 8.2.1.2 Detailed Design Procedure
        3. 8.2.1.3 Application Curve
      2. 8.2.2 Square-Wave Oscillator
        1. 8.2.2.1 Design Requirements
        2. 8.2.2.2 Detailed Design Procedure
        3. 8.2.2.3 Application Curve
      3. 8.2.3 Adjustable Pulse Width Generator
      4. 8.2.4 Time Delay Generator
      5. 8.2.5 Logic Level Shifter
      6. 8.2.6 One-Shot Multivibrator
      7. 8.2.7 Bi-Stable Multivibrator
      8. 8.2.8 Zero Crossing Detector
      9. 8.2.9 Pulse Slicer
    3. 8.3 Power Supply Recommendations
    4. 8.4 Layout
      1. 8.4.1 Layout Guidelines
      2. 8.4.2 Layout Example
  10. Device and Documentation Support
    1. 9.1 Documentation Support
      1. 9.1.1 Related Documentation
    2. 9.2 Receiving Notification of Documentation Updates
    3. 9.3 Support Resources
    4. 9.4 Trademarks
    5. 9.5 Electrostatic Discharge Caution
    6. 9.6 Glossary
  11. 10Revision History
  12. 11Mechanical, Packaging, and Orderable Information

Package Options

Mechanical Data (Package|Pins)
Thermal pad, mechanical data (Package|Pins)
Orderable Information

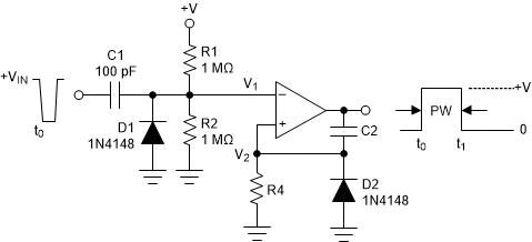
One-Shot Multivibrator

TLV1811-Q1 TLV1821-Q1 TLV1812-Q1 TLV1822-Q1  TLV1814-Q1 TLV1824-Q1 One-Shot MultivibratorFigure 8-15 One-Shot Multivibrator

A monostable multivibrator has one stable state in which the circuit can remain indefinitely. The circuit can be triggered externally to another quasi-stable state. A monostable multivibrator can thus be used to generate a pulse of desired width.

The desired pulse width is set by adjusting the values of C2 and R4. The resistor divider of R1 and R2 can be used to determine the magnitude of the input trigger pulse. The output changes state when V1 < V2. Diode D2 provides a rapid discharge path for capacitor C2 to reset at the end of the pulse. The diode also prevents the non-inverting input from being driven below ground.