SPRS945G January 2017 – January 2023 TMS320F280040-Q1 , TMS320F280040C-Q1 , TMS320F280041 , TMS320F280041-Q1 , TMS320F280041C , TMS320F280041C-Q1 , TMS320F280045 , TMS320F280048-Q1 , TMS320F280048C-Q1 , TMS320F280049 , TMS320F280049-Q1 , TMS320F280049C , TMS320F280049C-Q1
PRODUCTION DATA
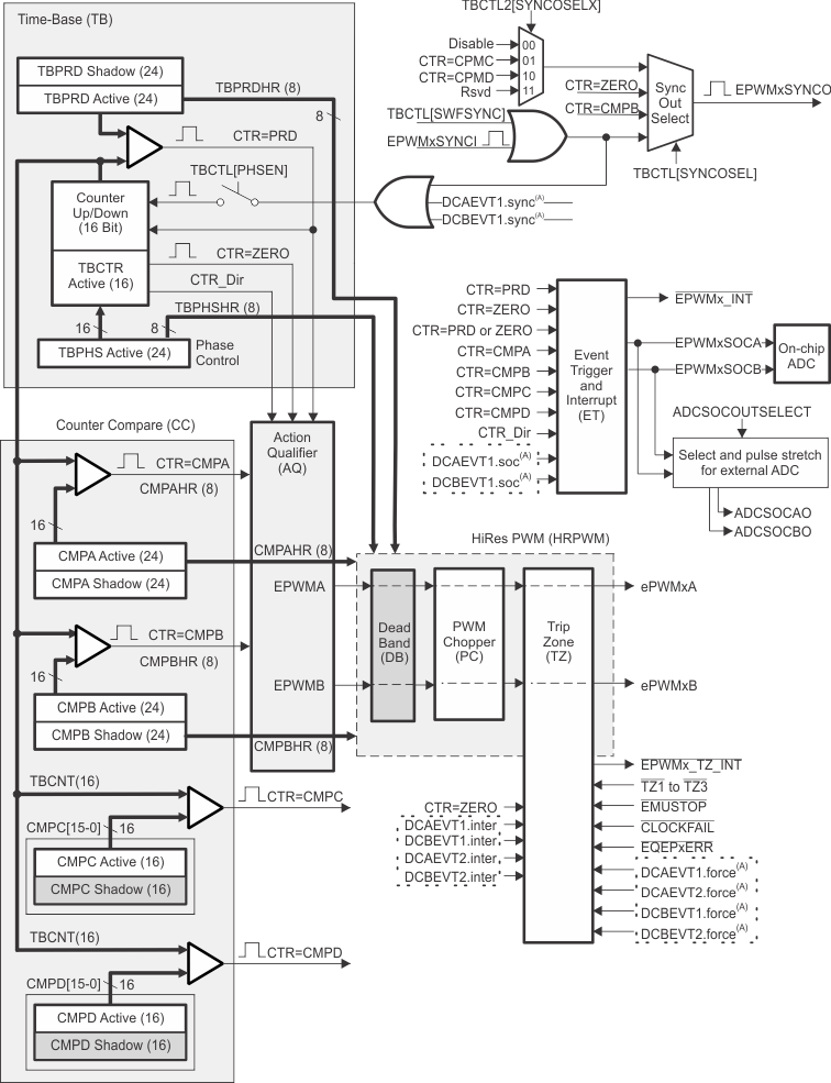
The ePWM peripheral is a key element in controlling many of the power electronic systems found in both commercial and industrial equipment. The ePWM type-4 module generates complex pulse width waveforms with minimal CPU overhead. Some of the highlights of the ePWM type-4 module include complex waveform generation, dead-band generation, a flexible synchronization scheme, advanced trip-zone functionality, and global register reload capabilities.
Figure 7-67 shows the signal interconnections with the ePWM. Figure 7-68 shows the ePWM trip input connectivity.

Figure 7-68 ePWM Trip Input Connectivity