SPRS584Q April   2009  – January 2024 TMS320F28030 , TMS320F28030-Q1 , TMS320F28031 , TMS320F28031-Q1 , TMS320F28032 , TMS320F28032-Q1 , TMS320F28033 , TMS320F28033-Q1 , TMS320F28034 , TMS320F28034-Q1 , TMS320F28035 , TMS320F28035-Q1

PRODUCTION DATA  

  1.   1
  2. Features
  3. Applications
  4. Description
    1. 3.1 Functional Block Diagram
  5. Device Comparison
    1. 4.1 Related Products
  6. Pin Configuration and Functions
    1. 5.1 Pin Diagrams
    2. 5.2 Signal Descriptions
  7. Specifications
    1. 6.1  Absolute Maximum Ratings
    2. 6.2  ESD Ratings – Automotive
    3. 6.3  ESD Ratings – Commercial
    4. 6.4  Recommended Operating Conditions
    5. 6.5  Power Consumption Summary
      1. 6.5.1 TMS320F2803x Current Consumption at 60-MHz SYSCLKOUT
      2. 6.5.2 Reducing Current Consumption
      3. 6.5.3 Current Consumption Graphs (VREG Enabled)
    6. 6.6  Electrical Characteristics
    7. 6.7  Thermal Resistance Characteristics
      1. 6.7.1 PN Package
      2. 6.7.2 PAG Package
      3. 6.7.3 RSH Package
    8. 6.8  Thermal Design Considerations
    9. 6.9  JTAG Debug Probe Connection Without Signal Buffering for the MCU
    10. 6.10 Parameter Information
      1. 6.10.1 Timing Parameter Symbology
      2. 6.10.2 General Notes on Timing Parameters
    11. 6.11 Test Load Circuit
    12. 6.12 Power Sequencing
      1. 6.12.1 Reset ( XRS) Timing Requirements
      2. 6.12.2 Reset ( XRS) Switching Characteristics
    13. 6.13 Clock Specifications
      1. 6.13.1 Device Clock Table
        1. 6.13.1.1 2803x Clock Table and Nomenclature (60-MHz Devices)
        2. 6.13.1.2 Device Clocking Requirements/Characteristics
        3. 6.13.1.3 Internal Zero-Pin Oscillator (INTOSC1/INTOSC2) Characteristics
      2. 6.13.2 Clock Requirements and Characteristics
        1. 6.13.2.1 XCLKIN Timing Requirements – PLL Enabled
        2. 6.13.2.2 XCLKIN Timing Requirements – PLL Disabled
        3. 6.13.2.3 XCLKOUT Switching Characteristics (PLL Bypassed or Enabled)
    14. 6.14 Flash Timing
      1. 6.14.1 Flash/OTP Endurance for T Temperature Material
      2. 6.14.2 Flash/OTP Endurance for S Temperature Material
      3. 6.14.3 Flash/OTP Endurance for Q Temperature Material
      4. 6.14.4 Flash Parameters at 60-MHz SYSCLKOUT
      5. 6.14.5 Flash/OTP Access Timing
      6. 6.14.6 Flash Data Retention Duration
  8. Detailed Description
    1. 7.1 Overview
      1. 7.1.1  CPU
      2. 7.1.2  Control Law Accelerator (CLA)
      3. 7.1.3  Memory Bus (Harvard Bus Architecture)
      4. 7.1.4  Peripheral Bus
      5. 7.1.5  Real-Time JTAG and Analysis
      6. 7.1.6  Flash
      7. 7.1.7  M0, M1 SARAMs
      8. 7.1.8  L0 SARAM, and L1, L2, and L3 DPSARAMs
      9. 7.1.9  Boot ROM
        1. 7.1.9.1 Emulation Boot
        2. 7.1.9.2 GetMode
        3. 7.1.9.3 Peripheral Pins Used by the Bootloader
      10. 7.1.10 Security
      11. 7.1.11 Peripheral Interrupt Expansion (PIE) Block
      12. 7.1.12 External Interrupts (XINT1–XINT3)
      13. 7.1.13 Internal Zero Pin Oscillators, Oscillator, and PLL
      14. 7.1.14 Watchdog
      15. 7.1.15 Peripheral Clocking
      16. 7.1.16 Low-power Modes
      17. 7.1.17 Peripheral Frames 0, 1, 2, 3 (PFn)
      18. 7.1.18 General-Purpose Input/Output (GPIO) Multiplexer
      19. 7.1.19 32-Bit CPU-Timers (0, 1, 2)
      20. 7.1.20 Control Peripherals
      21. 7.1.21 Serial Port Peripherals
    2. 7.2 Memory Maps
    3. 7.3 Register Maps
    4. 7.4 Device Emulation Registers
    5. 7.5 VREG/BOR/POR
      1. 7.5.1 On-chip Voltage Regulator (VREG)
        1. 7.5.1.1 Using the On-chip VREG
        2. 7.5.1.2 Disabling the On-chip VREG
      2. 7.5.2 On-chip Power-On Reset (POR) and Brown-Out Reset (BOR) Circuit
    6. 7.6 System Control
      1. 7.6.1 Internal Zero Pin Oscillators
      2. 7.6.2 Crystal Oscillator Option
      3. 7.6.3 PLL-Based Clock Module
      4. 7.6.4 Loss of Input Clock (NMI Watchdog Function)
      5. 7.6.5 CPU Watchdog Module
    7. 7.7 Low-power Modes Block
    8. 7.8 Interrupts
      1. 7.8.1 External Interrupts
        1. 7.8.1.1 External Interrupt Electrical Data/Timing
          1. 7.8.1.1.1 External Interrupt Timing Requirements
          2. 7.8.1.1.2 External Interrupt Switching Characteristics
    9. 7.9 Peripherals
      1. 7.9.1  Control Law Accelerator (CLA) Overview
      2. 7.9.2  Analog Block
        1. 7.9.2.1 Analog-to-Digital Converter (ADC)
          1. 7.9.2.1.1 Features
          2. 7.9.2.1.2 ADC Start-of-Conversion Electrical Data/Timing
            1. 7.9.2.1.2.1 External ADC Start-of-Conversion Switching Characteristics
          3. 7.9.2.1.3 On-Chip Analog-to-Digital Converter (ADC) Electrical Data/Timing
            1. 7.9.2.1.3.1 ADC Electrical Characteristics
            2. 7.9.2.1.3.2 ADC Power Modes
            3. 7.9.2.1.3.3 Internal Temperature Sensor
              1. 7.9.2.1.3.3.1 Temperature Sensor Coefficient
            4. 7.9.2.1.3.4 ADC Power-Up Control Bit Timing
              1. 7.9.2.1.3.4.1 ADC Power-Up Delays
            5. 7.9.2.1.3.5 ADC Sequential and Simultaneous Timings
        2. 7.9.2.2 ADC MUX
        3. 7.9.2.3 Comparator Block
          1. 7.9.2.3.1 On-Chip Comparator/DAC Electrical Data/Timing
            1. 7.9.2.3.1.1 Electrical Characteristics of the Comparator/DAC
      3. 7.9.3  Detailed Descriptions
      4. 7.9.4  Serial Peripheral Interface (SPI) Module
        1. 7.9.4.1 SPI Master Mode Electrical Data/Timing
          1. 7.9.4.1.1 SPI Master Mode External Timing (Clock Phase = 0)
          2. 7.9.4.1.2 SPI Master Mode External Timing (Clock Phase = 1)
        2. 7.9.4.2 SPI Slave Mode Electrical Data/Timing
          1. 7.9.4.2.1 SPI Slave Mode External Timing (Clock Phase = 0)
          2. 7.9.4.2.2 SPI Slave Mode External Timing (Clock Phase = 1)
      5. 7.9.5  Serial Communications Interface (SCI) Module
      6. 7.9.6  Local Interconnect Network (LIN)
      7. 7.9.7  Enhanced Controller Area Network (eCAN) Module
      8. 7.9.8  Inter-Integrated Circuit (I2C)
        1. 7.9.8.1 I2C Electrical Data/Timing
          1. 7.9.8.1.1 I2C Timing Requirements
          2. 7.9.8.1.2 I2C Switching Characteristics
      9. 7.9.9  Enhanced PWM Modules (ePWM1/2/3/4/5/6/7)
        1. 7.9.9.1 ePWM Electrical Data/Timing
          1. 7.9.9.1.1 ePWM Timing Requirements
          2. 7.9.9.1.2 ePWM Switching Characteristics
        2. 7.9.9.2 Trip-Zone Input Timing
          1. 7.9.9.2.1 Trip-Zone Input Timing Requirements
      10. 7.9.10 High-Resolution PWM (HRPWM)
        1. 7.9.10.1 HRPWM Electrical Data/Timing
          1. 7.9.10.1.1 High-Resolution PWM Characteristics
      11. 7.9.11 Enhanced Capture Module (eCAP1)
        1. 7.9.11.1 eCAP Electrical Data/Timing
          1. 7.9.11.1.1 Enhanced Capture (eCAP) Timing Requirement
          2. 7.9.11.1.2 eCAP Switching Characteristics
      12. 7.9.12 High-Resolution Capture (HRCAP) Module
        1. 7.9.12.1 HRCAP Electrical Data/Timing
          1. 7.9.12.1.1 High-Resolution Capture (HRCAP) Timing Requirements
      13. 7.9.13 Enhanced Quadrature Encoder Pulse (eQEP)
        1. 7.9.13.1 eQEP Electrical Data/Timing
          1. 7.9.13.1.1 Enhanced Quadrature Encoder Pulse (eQEP) Timing Requirements
          2. 7.9.13.1.2 eQEP Switching Characteristics
      14. 7.9.14 JTAG Port
      15. 7.9.15 General-Purpose Input/Output (GPIO) MUX
        1. 7.9.15.1 GPIO Electrical Data/Timing
          1. 7.9.15.1.1 GPIO - Output Timing
            1. 7.9.15.1.1.1 General-Purpose Output Switching Characteristics
          2. 7.9.15.1.2 GPIO - Input Timing
            1. 7.9.15.1.2.1 General-Purpose Input Timing Requirements
          3. 7.9.15.1.3 Sampling Window Width for Input Signals
          4. 7.9.15.1.4 Low-Power Mode Wakeup Timing
            1. 7.9.15.1.4.1 IDLE Mode Timing Requirements
            2. 7.9.15.1.4.2 IDLE Mode Switching Characteristics
            3. 7.9.15.1.4.3 STANDBY Mode Timing Requirements
            4. 7.9.15.1.4.4 STANDBY Mode Switching Characteristics
            5. 7.9.15.1.4.5 HALT Mode Timing Requirements
            6. 7.9.15.1.4.6 HALT Mode Switching Characteristics
  9. Applications, Implementation, and Layout
    1. 8.1 TI Reference Design
  10. Device and Documentation Support
    1. 9.1 Device and Development Support Tool Nomenclature
    2. 9.2 Tools and Software
    3. 9.3 Documentation Support
    4. 9.4 Support Resources
    5. 9.5 Trademarks
    6. 9.6 Electrostatic Discharge Caution
    7. 9.7 Glossary
  11. 10Revision History
  12. 11Mechanical, Packaging, and Orderable Information
    1. 11.1 Packaging Information

Package Options

Mechanical Data (Package|Pins)
Thermal pad, mechanical data (Package|Pins)
Orderable Information

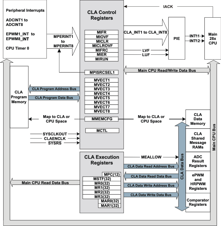
Control Law Accelerator (CLA) Overview

The control law accelerator extends the capabilities of the C28x CPU by adding parallel processing. Time-critical control loops serviced by the CLA can achieve low ADC sample to output delay. Thus, the CLA enables faster system response and higher frequency control loops. Utilizing the CLA for time-critical tasks frees up the main CPU to perform other system and communication functions concurrently. The following is a list of major features of the CLA.

  • Clocked at the same rate as the main CPU (SYSCLKOUT).
  • An independent architecture allowing CLA algorithm execution independent of the main C28x CPU.
    • Complete bus architecture:
      • Program address bus and program data bus
      • Data address bus, data read bus, and data write bus
    • Independent eight-stage pipeline.
    • 12-bit program counter (MPC)
    • Four 32-bit result registers (MR0–MR3)
    • Two 16-bit auxiliary registers (MAR0, MAR1)
    • Status register (MSTF)
  • Instruction set includes:
    • IEEE single-precision (32-bit) floating-point math operations
    • Floating-point math with parallel load or store
    • Floating-point multiply with parallel add or subtract
    • 1/X and 1/sqrt(X) estimations
    • Data type conversions.
    • Conditional branch and call
    • Data load/store operations
  • The CLA program code can consist of up to eight tasks or interrupt service routines.
    • The start address of each task is specified by the MVECT registers.
    • No limit on task size as long as the tasks fit within the CLA program memory space.
    • One task is serviced at a time through to completion. There is no nesting of tasks.
    • Upon task completion, a task-specific interrupt is flagged within the PIE.
    • When a task finishes, the next highest-priority pending task is automatically started.
  • Task trigger mechanisms:
    • C28x CPU through the IACK instruction
    • Task1 to Task7: the corresponding ADC or ePWM module interrupt. For example:
      • Task1: ADCINT1 or EPWM1_INT
      • Task2: ADCINT2 or EPWM2_INT
      • Task7: ADCINT7 or EPWM7_INT
    • Task8: ADCINT8 or by CPU Timer 0.
  • Memory and Shared Peripherals:
    • Two dedicated message RAMs for communication between the CLA and the main CPU.
    • The C28x CPU can map CLA program and data memory to the main CPU space or CLA space.
    • The CLA has direct access to the ADC Result registers, comparator registers, and the ePWM+HRPWM registers.

For more information on the CLA, see the Control Law Accelerator (CLA) chapter in the TMS320F2803x Real-Time Microcontrollers Technical Reference Manual.

GUID-61E0454D-DF1C-41E5-9160-C63335D6BD6C-low.gifFigure 7-15 CLA Block Diagram
Table 7-22 CLA Control Registers
REGISTER NAMECLA1
ADDRESS
SIZE (x16)EALLOW
PROTECTED
DESCRIPTION(1)
MVECT10x14001YesCLA Interrupt/Task 1 Start Address
MVECT20x14011YesCLA Interrupt/Task 2 Start Address
MVECT30x14021YesCLA Interrupt/Task 3 Start Address
MVECT40x14031YesCLA Interrupt/Task 4 Start Address
MVECT50x14041YesCLA Interrupt/Task 5 Start Address
MVECT60x14051YesCLA Interrupt/Task 6 Start Address
MVECT70x14061YesCLA Interrupt/Task 7 Start Address
MVECT80x14071YesCLA Interrupt/Task 8 Start Address
MCTL0x14101YesCLA Control Register
MMEMCFG0x14111YesCLA Memory Configure Register
MPISRCSEL10x14142YesPeripheral Interrupt Source Select Register 1
MIFR0x14201YesInterrupt Flag Register
MIOVF0x14211YesInterrupt Overflow Register
MIFRC0x14221YesInterrupt Force Register
MICLR0x14231YesInterrupt Clear Register
MICLROVF0x14241YesInterrupt Overflow Clear Register
MIER0x14251YesInterrupt Enable Register
MIRUN0x14261YesInterrupt RUN Register
MIPCTL0x14271YesInterrupt Priority Control Register
MPC(2)0x14281CLA Program Counter
MAR0(2)0x142A1CLA Aux Register 0
MAR1(2)0x142B1CLA Aux Register 1
MSTF(2)0x142E2CLA STF Register
MR0(2)0x14302CLA R0H Register
MR1(2)0x14342CLA R1H Register
MR2(2)0x14382CLA R2H Register
MR3(2)0x143C2CLA R3H Register
All registers in this table are CSM protected
The main C28x CPU has read only access to this register for debug purposes. The main CPU cannot perform CPU or debugger writes to this register.
Table 7-23 CLA Message RAM
ADDRESS RANGESIZE (x16)DESCRIPTION
0x1480 – 0x14FF128CLA to CPU Message RAM
0x1500 – 0x157F128CPU to CLA Message RAM