SPRSP14E may 2019 – june 2023 TMS320F28384D , TMS320F28384D-Q1 , TMS320F28384S , TMS320F28384S-Q1 , TMS320F28386D , TMS320F28386D-Q1 , TMS320F28386S , TMS320F28386S-Q1 , TMS320F28388D , TMS320F28388S
PRODUCTION DATA
Refer to the PDF data sheet for device specific package drawings
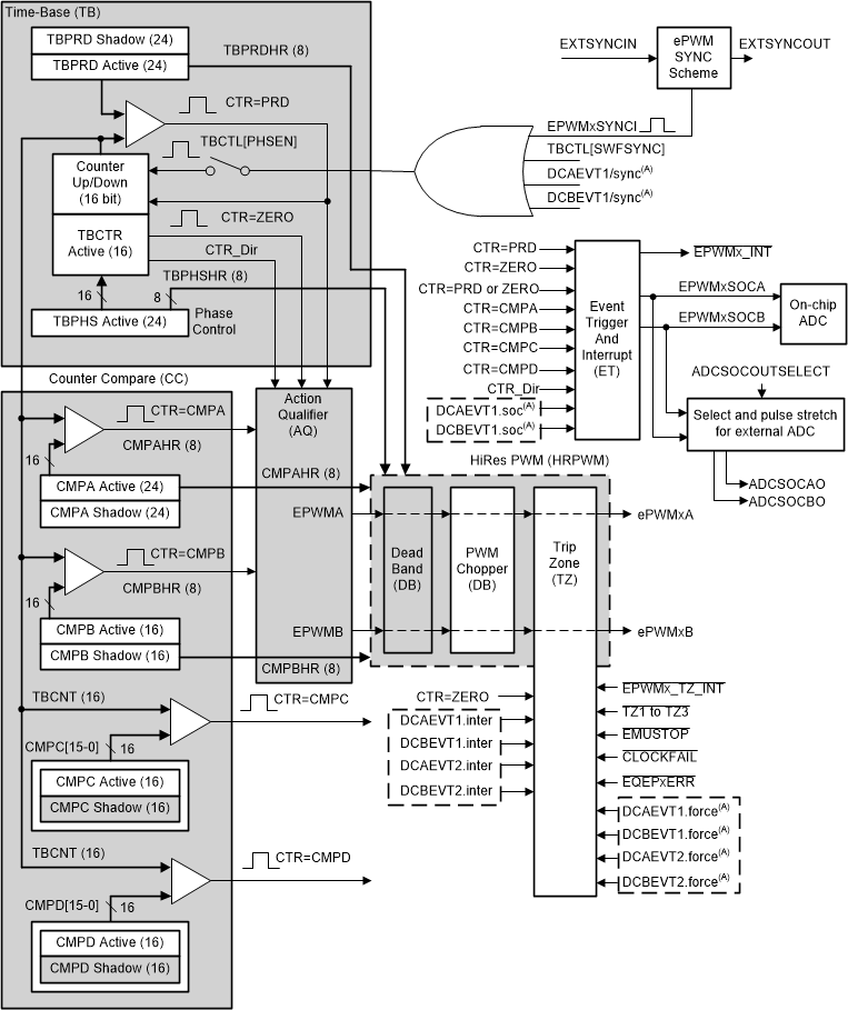
The ePWM peripheral is a key element in controlling many of the power electronic systems found in both commercial and industrial equipment. The ePWM type-4 module is able to generate complex pulse width waveforms with minimal CPU overhead by building the peripheral up from smaller modules with separate resources that can operate together to form a system. Some of the highlights of the ePWM type-4 module include complex waveform generation, dead-band generation, a flexible synchronization scheme, advanced trip-zone functionality, and global register reload capabilities.
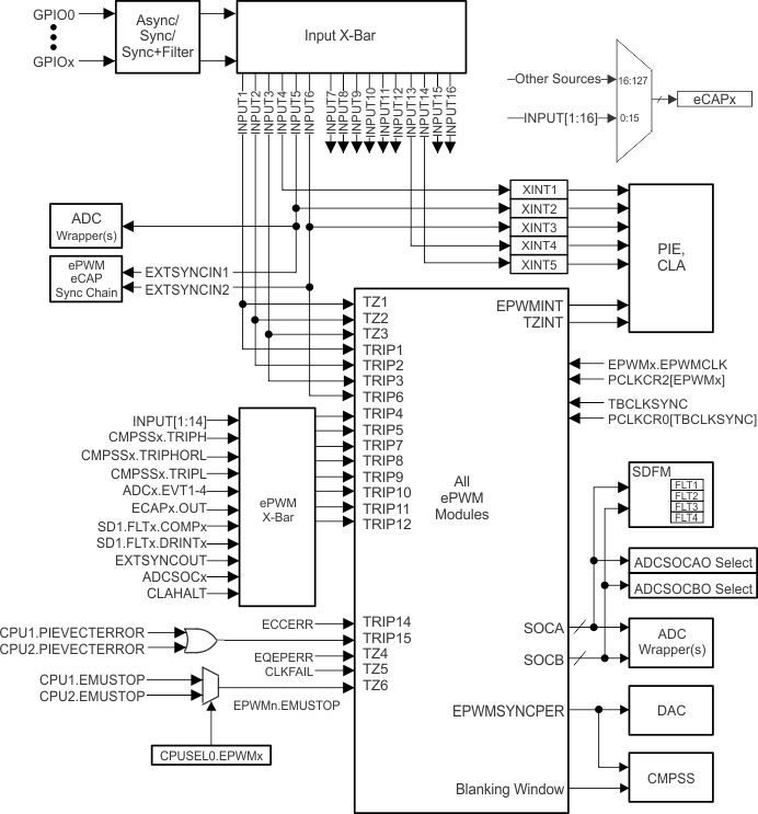
Figure 7-57 shows the signal interconnections with the ePWM. Figure 7-58 shows the ePWM trip input connectivity.

Figure 7-58 ePWM Trip Input Connectivity