SCDS406A December   2018  – February 2024 TMUX1109

PRODUCTION DATA  

  1.   1
  2. Features
  3. Applications
  4. Description
  5. Pin Configuration and Functions
  6. Specifications
    1. 5.1 Absolute Maximum Ratings
    2. 5.2 ESD Ratings
    3. 5.3 Recommended Operating Conditions
    4. 5.4 Thermal Information
    5. 5.5 Electrical Characteristics (VDD = 5V ±10 %)
    6. 5.6 Electrical Characteristics (VDD = 3.3V ±10 %)
    7. 5.7 Electrical Characteristics (VDD = 2.5V ±10 %), (VSS = –2.5V ±10 %)
    8. 5.8 Electrical Characteristics (VDD = 1.8V ±10 %)
    9. 5.9 Electrical Characteristics (VDD = 1.2V ±10 %)
    10.     Typical Characteristics
  7. Detailed Description
    1. 6.1 Overview
      1. 6.1.1  On-Resistance
      2. 6.1.2  Off-Leakage Current
      3. 6.1.3  On-Leakage Current
      4. 6.1.4  Transition Time
      5. 6.1.5  Break-Before-Make
      6. 6.1.6  tON(EN) and tOFF(EN)
      7. 6.1.7  Charge Injection
      8. 6.1.8  Off Isolation
      9. 6.1.9  Crosstalk
      10. 6.1.10 Bandwidth
    2. 6.2 Functional Block Diagram
    3. 6.3 Feature Description
      1. 6.3.1 Bidirectional Operation
      2. 6.3.2 Rail to Rail Operation
      3. 6.3.3 1.8V Logic Compatible Inputs
      4. 6.3.4 Fail-Safe Logic
      5. 6.3.5 Ultra-Low Leakage Current
      6. 6.3.6 Ultra-Low Charge Injection
    4. 6.4 Device Functional Modes
      1. 6.4.1 Truth Tables
  8. Application and Implementation
    1. 7.1 Application Information
    2. 7.2 Typical Application
      1. 7.2.1 Design Requirements
      2. 7.2.2 Detailed Design Procedure
      3. 7.2.3 Application Curve
    3. 7.3 Power Supply Recommendations
    4. 7.4 Layout
      1. 7.4.1 Layout Guidelines
      2. 7.4.2 Layout Example
  9. Device and Documentation Support
    1. 8.1 Documentation Support
      1. 8.1.1 Related Documentation
    2. 8.2 Receiving Notification of Documentation Updates
    3. 8.3 Support Resources
    4. 8.4 Trademarks
    5. 8.5 Electrostatic Discharge Caution
    6. 8.6 Glossary
  10. Revision History
  11. 10Mechanical, Packaging, and Orderable Information

Package Options

Refer to the PDF data sheet for device specific package drawings

Mechanical Data (Package|Pins)
  • PW|16
  • RSV|16
Thermal pad, mechanical data (Package|Pins)
Orderable Information

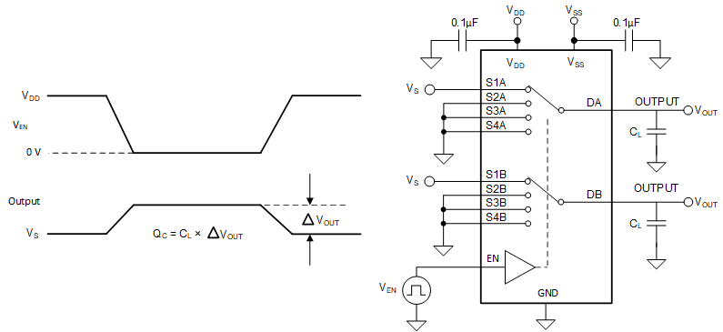
Charge Injection

The TMUX1109 has a transmission-gate topology. Any mismatch in capacitance between the NMOS and PMOS transistors results in a charge injected into the drain or source during the falling or rising edge of the gate signal. The amount of charge injected into the source or drain of the device is known as charge injection, and is denoted by the symbol QC. Figure 6-7 shows the setup used to measure charge injection from source (Sx) to drain (D).

GUID-EDF3BE45-B244-4B47-A60C-145E8024A338-low.gifFigure 6-7 Charge-Injection Measurement Setup