SCDS401C December   2018  – February 2024 TMUX1119

PRODUCTION DATA  

  1.   1
  2. Features
  3. Applications
  4. Description
  5. Pin Configuration and Functions
  6. Specifications
    1. 5.1 Absolute Maximum Ratings
    2. 5.2 ESD Ratings
    3. 5.3 Recommended Operating Conditions
    4. 5.4 Thermal Information
    5. 5.5 Electrical Characteristics (VDD = 5V ±10 %)
    6. 5.6 Electrical Characteristics (VDD = 3.3V ±10 %)
    7. 5.7 Electrical Characteristics (VDD = 1.8V ±10 %)
    8. 5.8 Electrical Characteristics (VDD = 1.2V ±10 %)
    9.     Typical Characteristics
  7. Parameter Measurement Information
    1. 6.1 On-Resistance
    2. 6.2 Off-Leakage Current
    3. 6.3 On-Leakage Current
    4. 6.4 Transition Time
    5. 6.5 Break-Before-Make
    6. 6.6 Charge Injection
    7. 6.7 Off Isolation
    8. 6.8 Crosstalk
    9. 6.9 Bandwidth
  8. Detailed Description
    1. 7.1 Overview
    2. 7.2 Functional Block Diagram
    3. 7.3 Feature Description
      1. 7.3.1 Bidirectional Operation
      2. 7.3.2 Rail to Rail Operation
      3. 7.3.3 1.8V Logic Compatible Inputs
      4. 7.3.4 Fail-Safe Logic
      5. 7.3.5 Ultra-Low Leakage Current
      6. 7.3.6 Ultra-Low Charge Injection
    4. 7.4 Device Functional Modes
    5. 7.5 Truth Tables
  9. Application and Implementation
    1. 8.1 Application Information
    2. 8.2 Typical Application
      1. 8.2.1 Design Requirements
      2. 8.2.2 Detailed Design Procedure
      3. 8.2.3 Application Curve
    3. 8.3 Power Supply Recommendations
    4. 8.4 Layout
      1. 8.4.1 Layout Guidelines
      2. 8.4.2 Layout Example
  10. Device and Documentation Support
    1. 9.1 Documentation Support
      1. 9.1.1 Related Documentation
    2. 9.2 Receiving Notification of Documentation Updates
    3. 9.3 Support Resources
    4. 9.4 Trademarks
    5. 9.5 Electrostatic Discharge Caution
    6. 9.6 Glossary
  11. 10Revision History
  12. 11Mechanical, Packaging, and Orderable Information

Package Options

Mechanical Data (Package|Pins)
Thermal pad, mechanical data (Package|Pins)
Orderable Information

On-Leakage Current

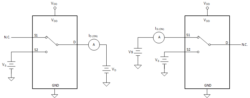
Source on-leakage current is defined as the leakage current flowing into or out of the source pin when the switch is on. This current is denoted by the symbol IS(ON).

Drain on-leakage current is defined as the leakage current flowing into or out of the drain pin when the switch is on. This current is denoted by the symbol ID(ON).

Either the source pin or drain pin is left floating during the measurement. Figure 6-3 shows the circuit used for measuring the on-leakage current, denoted by IS(ON) or ID(ON).

GUID-6C0B5A0C-A610-4B06-AF1B-566AADA75F80-low.gifFigure 6-3 On-Leakage Measurement Setup