SCDS393A April   2019  – October 2019 TMUX1204

PRODUCTION DATA.  

  1. Features
  2. Applications
  3. Description
    1.     Device Images
      1.      Application Example
      2.      TMUX1204 Block Diagram
  4. Revision History
  5. Pin Configuration and Functions
    1.     Pin Functions
  6. Specifications
    1. 6.1 Absolute Maximum Ratings
    2. 6.2 ESD Ratings
    3. 6.3 Recommended Operating Conditions
    4. 6.4 Thermal Information
    5. 6.5 Electrical Characteristics (VDD = 5 V ±10 %)
    6. 6.6 Electrical Characteristics (VDD = 3.3 V ±10 %)
    7. 6.7 Electrical Characteristics (VDD = 1.8 V ±10 %)
    8. 6.8 Electrical Characteristics (VDD = 1.2 V ±10 %)
    9. 6.9 Typical Characteristics
  7. Parameter Measurement Information
    1. 7.1  On-Resistance
    2. 7.2  Off-Leakage Current
    3. 7.3  On-Leakage Current
    4. 7.4  Transition Time
    5. 7.5  Break-Before-Make
    6. 7.6  tON(EN) and tOFF(EN)
    7. 7.7  Charge Injection
    8. 7.8  Off Isolation
    9. 7.9  Crosstalk
    10. 7.10 Bandwidth
  8. Detailed Description
    1. 8.1 Functional Block Diagram
    2. 8.2 Feature Description
      1. 8.2.1 Bidirectional Operation
      2. 8.2.2 Rail to Rail Operation
      3. 8.2.3 1.8 V Logic Compatible Inputs
      4. 8.2.4 Fail-Safe Logic
    3. 8.3 Device Functional Modes
    4. 8.4 Truth Tables
  9. Application and Implementation
    1. 9.1 Application Information
    2. 9.2 Typical Application
    3. 9.3 Design Requirements
    4. 9.4 Detailed Design Procedure
    5. 9.5 Application Curve
  10. 10Power Supply Recommendations
  11. 11Layout
    1. 11.1 Layout Guidelines
      1. 11.1.1 Layout Information
    2. 11.2 Layout Example
  12. 12Device and Documentation Support
    1. 12.1 Documentation Support
      1. 12.1.1 Related Documentation
    2. 12.2 Receiving Notification of Documentation Updates
    3. 12.3 Community Resources
    4. 12.4 Trademarks
    5. 12.5 Electrostatic Discharge Caution
    6. 12.6 Glossary
  13. 13Mechanical, Packaging, and Orderable Information

Package Options

Mechanical Data (Package|Pins)
Thermal pad, mechanical data (Package|Pins)
Orderable Information

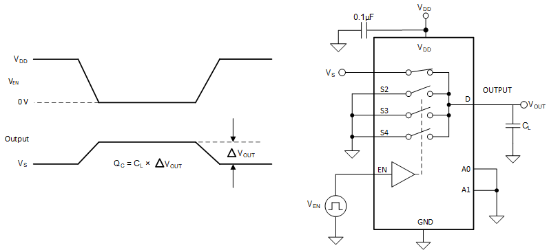
Charge Injection

The TMUX1204 has a transmission-gate topology. Any mismatch in capacitance between the NMOS and PMOS transistors results in a charge injected into the drain or source during the falling or rising edge of the gate signal. The amount of charge injected into the source or drain of the device is known as charge injection, and is denoted by the symbol QC. Figure 13 shows the setup used to measure charge injection from source (Sx) to drain (D).

TMUX1204 Charge_Injection.gifFigure 13. Charge-Injection Measurement Setup