SCDS393A April   2019  – October 2019 TMUX1204

PRODUCTION DATA.  

  1. Features
  2. Applications
  3. Description
    1.     Device Images
      1.      Application Example
      2.      TMUX1204 Block Diagram
  4. Revision History
  5. Pin Configuration and Functions
    1.     Pin Functions
  6. Specifications
    1. 6.1 Absolute Maximum Ratings
    2. 6.2 ESD Ratings
    3. 6.3 Recommended Operating Conditions
    4. 6.4 Thermal Information
    5. 6.5 Electrical Characteristics (VDD = 5 V ±10 %)
    6. 6.6 Electrical Characteristics (VDD = 3.3 V ±10 %)
    7. 6.7 Electrical Characteristics (VDD = 1.8 V ±10 %)
    8. 6.8 Electrical Characteristics (VDD = 1.2 V ±10 %)
    9. 6.9 Typical Characteristics
  7. Parameter Measurement Information
    1. 7.1  On-Resistance
    2. 7.2  Off-Leakage Current
    3. 7.3  On-Leakage Current
    4. 7.4  Transition Time
    5. 7.5  Break-Before-Make
    6. 7.6  tON(EN) and tOFF(EN)
    7. 7.7  Charge Injection
    8. 7.8  Off Isolation
    9. 7.9  Crosstalk
    10. 7.10 Bandwidth
  8. Detailed Description
    1. 8.1 Functional Block Diagram
    2. 8.2 Feature Description
      1. 8.2.1 Bidirectional Operation
      2. 8.2.2 Rail to Rail Operation
      3. 8.2.3 1.8 V Logic Compatible Inputs
      4. 8.2.4 Fail-Safe Logic
    3. 8.3 Device Functional Modes
    4. 8.4 Truth Tables
  9. Application and Implementation
    1. 9.1 Application Information
    2. 9.2 Typical Application
    3. 9.3 Design Requirements
    4. 9.4 Detailed Design Procedure
    5. 9.5 Application Curve
  10. 10Power Supply Recommendations
  11. 11Layout
    1. 11.1 Layout Guidelines
      1. 11.1.1 Layout Information
    2. 11.2 Layout Example
  12. 12Device and Documentation Support
    1. 12.1 Documentation Support
      1. 12.1.1 Related Documentation
    2. 12.2 Receiving Notification of Documentation Updates
    3. 12.3 Community Resources
    4. 12.4 Trademarks
    5. 12.5 Electrostatic Discharge Caution
    6. 12.6 Glossary
  13. 13Mechanical, Packaging, and Orderable Information

Package Options

Mechanical Data (Package|Pins)
Thermal pad, mechanical data (Package|Pins)
Orderable Information

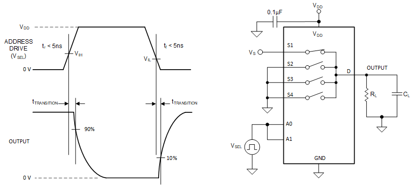
Transition Time

Transition time is defined as the time taken by the output of the device to rise or fall 10% after the address signal has risen or fallen past the logic threshold. The 10% transition measurement is utilized to provide the timing of the device. System level timing can then account for the time constant added from the load resistance and load capacitance. Figure 10 shows the setup used to measure transition time, denoted by the symbol tTRANSITION.

TMUX1204 Address_Output_Switching_tTRANSITION.gifFigure 10. Transition-Time Measurement Setup