SLVSCG3F January   2014  – July 2017 TPS22968

PRODUCTION DATA.  

  1. Features
  2. Applications
  3. Description
    1.     Device Images
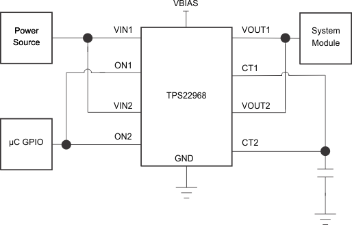
      1.      Typical Application Schematic
  4. Revision History
  5. Device Comparison
  6. Pin Configuration and Functions
    1.     Pin Functions
  7. Specifications
    1. 7.1 Absolute Maximum Ratings
    2. 7.2 ESD Ratings
    3. 7.3 Recommended Operating Conditions
    4. 7.4 Thermal Information
    5. 7.5 Electrical Characteristics (VBIAS = 5 V)
    6. 7.6 Electrical Characteristics (VBIAS = 2.5 V)
    7. 7.7 Switching Characteristics
    8. 7.8 Typical DC Characteristics
    9. 7.9 Typical AC Characteristics
  8. Parameter Measurement Information
  9. Detailed Description
    1. 9.1 Overview
    2. 9.2 Functional Block Diagram
    3. 9.3 Feature Description
      1. 9.3.1 ON and OFF Control
      2. 9.3.2 Input Capacitor (Optional)
      3. 9.3.3 Output Capacitor (Optional)
      4. 9.3.4 QOD (Optional)
      5. 9.3.5 VIN and VBIAS Voltage Range
      6. 9.3.6 Adjustable Rise Time
    4. 9.4 Device Functional Modes
  10. 10Application and Implementation
    1. 10.1 Application Information
      1. 10.1.1 Parallel Configuration
      2. 10.1.2 Standby Power Reduction
      3. 10.1.3 Power Supply Sequencing Without a GPIO Input
      4. 10.1.4 Reverse Current Blocking
    2. 10.2 Typical Application
      1. 10.2.1 Design Requirements
      2. 10.2.2 Detailed Design Procedure
        1. 10.2.2.1 VIN to VOUT Voltage Drop
        2. 10.2.2.2 Inrush Current
        3. 10.2.2.3 Thermal Considerations
      3. 10.2.3 Application Curves
  11. 11Power Supply Recommendations
  12. 12Layout
    1. 12.1 Layout Guidelines
    2. 12.2 Layout Example
  13. 13Device and Documentation Support
    1. 13.1 Device Support
      1. 13.1.1 Development Support
    2. 13.2 Documentation Support
      1. 13.2.1 Related Documentation
    3. 13.3 Related Links
    4. 13.4 Receiving Notification of Documentation Updates
    5. 13.5 Community Resources
    6. 13.6 Trademarks
    7. 13.7 Electrostatic Discharge Caution
    8. 13.8 Glossary
  14. 14Mechanical, Packaging, and Orderable Information

Package Options

Mechanical Data (Package|Pins)
Thermal pad, mechanical data (Package|Pins)
Orderable Information

Parallel Configuration

To increase the current capabilities and lower the RON by approximately 50%, both channels can be placed in parallel as shown in Figure 31 (parallel configuration). With this configuration, the CT1 and CT2 pins can be tied together to use one capacitor, CT, as shown in Figure 31. With a single CT capacitor, the rise time is half of the typical rise-time value. Refer to the Table 1 for typical timing values.

TPS22968 TPS22968N paracon_shared_lvscg3.gifFigure 31. Parallel Configuration