SLVSBD4E May   2012  – September 2021 TPS55340

PRODUCTION DATA  

  1. Features
  2. Applications
  3. Description
  4. Revision History
  5. Pin Configuration and Functions
  6. Specifications
    1. 6.1 Absolute Maximum Ratings
    2. 6.2 ESD Ratings
    3. 6.3 Recommended Operating Conditions
    4. 6.4 Thermal Information
    5. 6.5 Electrical Characteristics
    6. 6.6 Typical Characteristics
  7. Detailed Description
    1. 7.1 Overview
    2. 7.2 Functional Block Diagram
    3. 7.3 Feature Description
      1. 7.3.1 Operation
      2. 7.3.2 Switching Frequency
      3. 7.3.3 Overcurrent Protection and Frequency Foldback
        1. 7.3.3.1 Minimum On-Time and Pulse Skipping
      4. 7.3.4 Voltage Reference and Setting Output Voltage
      5. 7.3.5 Soft-Start
      6. 7.3.6 Slope Compensation
      7. 7.3.7 Enable and Thermal Shutdown
      8. 7.3.8 Undervoltage Lockout (UVLO)
    4. 7.4 Device Functional Modes
      1. 7.4.1 Operation With VIN < 2.9 V (Minimum VIN)
      2. 7.4.2 Operation With EN Control
      3. 7.4.3 Operation at Light Loads
  8. Application and Implementation
    1. 8.1 Application Information
    2. 8.2 Typical Applications
      1. 8.2.1 Boost Converter
        1. 8.2.1.1 Design Requirements
        2. 8.2.1.2 Detailed Design Procedure
          1. 8.2.1.2.1  Custom Design with WEBENCH Tools
          2. 8.2.1.2.2  Selecting the Switching Frequency (R4)
          3. 8.2.1.2.3  Determining the Duty Cycle
          4. 8.2.1.2.4  Selecting the Inductor (L1)
          5. 8.2.1.2.5  Computing the Maximum Output Current
          6. 8.2.1.2.6  Selecting the Output Capacitors (C8, C9, C10)
          7. 8.2.1.2.7  Selecting the Input Capacitors (C2, C7)
          8. 8.2.1.2.8  Setting Output Voltage (R1, R2)
          9. 8.2.1.2.9  Setting the Soft-start Time (C7)
          10. 8.2.1.2.10 Selecting the Schottky Diode (D1)
          11. 8.2.1.2.11 Compensating the Control Loop (R3, C4, C5)
        3. 8.2.1.3 Application Curves
      2. 8.2.2 SEPIC Converter
        1. 8.2.2.1 Design Requirements
        2. 8.2.2.2 Detailed Design Procedure
          1. 8.2.2.2.1  Selecting the Switching Frequency (R4)
          2. 8.2.2.2.2  Duty Cycle
          3. 8.2.2.2.3  Selecting the Inductor (L1)
          4. 8.2.2.2.4  Calculating the Maximum Output Current
          5. 8.2.2.2.5  Selecting the Output Capacitors (C8, C9, C10)
          6. 8.2.2.2.6  Selecting the Series Capacitor (C6)
          7. 8.2.2.2.7  Selecting the Input Capacitor (C2, C7)
          8. 8.2.2.2.8  Selecting the Schottky Diode (D1)
          9. 8.2.2.2.9  Setting the Output Voltage (R1, R2)
          10. 8.2.2.2.10 Setting the Soft-start Time (C3)
          11. 8.2.2.2.11 MOSFET Rating Considerations
          12. 8.2.2.2.12 Compensating the Control Loop (R3, C4)
        3. 8.2.2.3 Application Curves
  9. Power Supply Recommendations
  10. 10Layout
    1. 10.1 Layout Guidelines
    2. 10.2 Layout Example
    3. 10.3 Thermal Considerations
  11. 11Device and Documentation Support
    1. 11.1 Device Support
      1. 11.1.1 Third-Party Products Disclaimer
      2. 11.1.2 Development Support
        1. 11.1.2.1 Custom Design with WEBENCH Tools
    2. 11.2 Receiving Notification of Documentation Updates
    3. 11.3 Support Resources
    4. 11.4 Trademarks
    5. 11.5 Electrostatic Discharge Caution
    6. 11.6 Glossary
  12. 12Mechanical, Packaging, and Orderable Information

Package Options

Mechanical Data (Package|Pins)
Thermal pad, mechanical data (Package|Pins)
Orderable Information

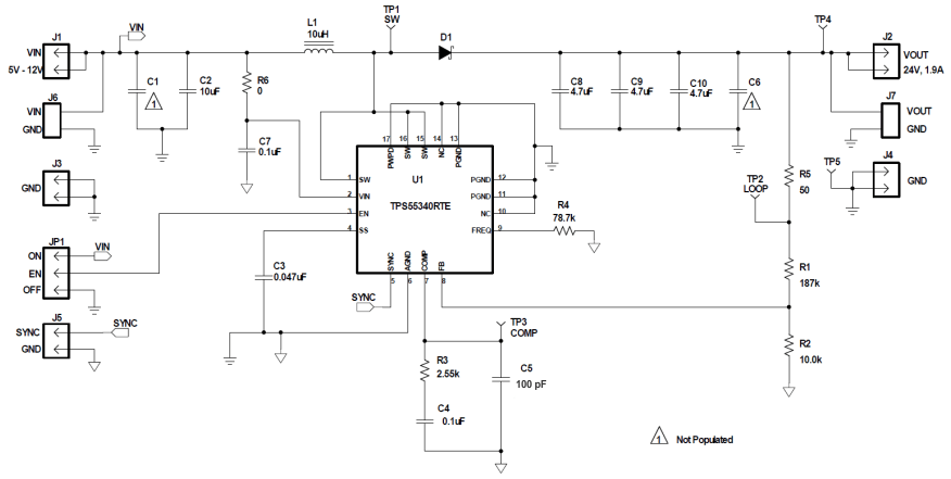
Boost Converter

GUID-BFA4D475-3050-4D1E-B91C-7CB5C2E89FDC-low.gif Figure 8-1 Boost Converter Application Schematic