SLVSAQ8G February   2011  – September 2017 TPS65185

PRODUCTION DATA.  

  1. Features
  2. Applications
  3. Description
  4. Revision History
  5. Description (continued)
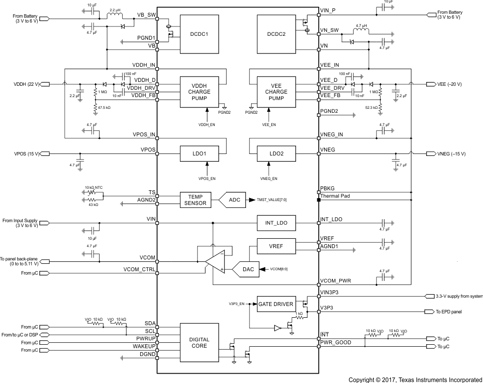
  6. Pin Configuration and Functions
  7. Specifications
    1. 7.1 Absolute Maximum Ratings
    2. 7.2 ESD Ratings
    3. 7.3 Recommended Operating Conditions
    4. 7.4 Thermal Information
    5. 7.5 Electrical Characteristics
    6. 7.6 Timing Requirements: Data Transmission
    7. 7.7 Typical Characteristics
  8. Detailed Description
    1. 8.1 Overview
    2. 8.2 Functional Block Diagram
    3. 8.3 Feature Description
      1. 8.3.1  Wake-Up and Power-Up Sequencing
      2. 8.3.2  Dependencies Between Rails
      3. 8.3.3  Soft Start
      4. 8.3.4  Active Discharge
      5. 8.3.5  VPOS/VNEG Supply Tracking
      6. 8.3.6  V3P3 Power Switch
      7. 8.3.7  VCOM Adjustment
        1. 8.3.7.1 Kick-Back Voltage Measurement
        2. 8.3.7.2 Storing the VCOM Power-Up Default Value in Memory
      8. 8.3.8  Fault Handling And Recovery
      9. 8.3.9  Power Good Pin
      10. 8.3.10 Interrupt Pin
      11. 8.3.11 Panel Temperature Monitoring
        1. 8.3.11.1 NTC Bias Circuit
        2. 8.3.11.2 Hot, Cold, and Temperature-Change Interrupts
        3. 8.3.11.3 Typical Application of the Temperature Monitor
    4. 8.4 Device Functional Modes
      1. 8.4.1 SLEEP
      2. 8.4.2 STANDBY
      3. 8.4.3 ACTIVE
      4. 8.4.4 Mode Transitions
        1. 8.4.4.1 SLEEP → ACTIVE
        2. 8.4.4.2 SLEEP → STANDBY
        3. 8.4.4.3 STANDBY → ACTIVE
        4. 8.4.4.4 ACTIVE → STANDBY
        5. 8.4.4.5 STANDBY → SLEEP
        6. 8.4.4.6 ACTIVE → SLEEP
    5. 8.5 Programming
      1. 8.5.1 I2C Bus Operation
    6. 8.6 Register Maps
      1. 8.6.1  Thermistor Readout (TMST_VALUE) Register (address = 0x00h) [reset = N/A]
      2. 8.6.2  Enable (ENABLE) Register (address = 0x01h) [reset = 0h]
      3. 8.6.3  Voltage Adjustment (VADJ) Register (address = 0x02h) [reset = 23h]
      4. 8.6.4  VCOM 1 (VCOM1) Register (address = 0x03h) [reset = 7Dh]
      5. 8.6.5  VCOM 2 (VCOM2) Register (address = 0x04h) [reset = 04h]
      6. 8.6.6  Interrupt Enable 1 (INT_EN1) Register (address = 0x05h) [reset = 7Fh]
      7. 8.6.7  Interrupt Enable 2 (INT_EN2) Register (address = 0x06h) [reset = FFh]
      8. 8.6.8  Interrupt 1 (INT1) Register (address = 0x07h) [reset = 0h]
      9. 8.6.9  Interrupt 2 (INT2) Register (address = 0x08h) [reset = N/A]
      10. 8.6.10 Power-Up Sequence 0 (UPSEQ0) Register (address = 0x09h) [reset = E4h]
      11. 8.6.11 Power-Up Sequence 1 (UPSEQ1) Register (address = 0x0Ah) [reset = 55h]
      12. 8.6.12 Power-Down Sequence 0 (DWNSEQ0) Register (address = 0x0Bh) [reset = 1Eh]
      13. 8.6.13 Power-Down Sequence 1 (DWNSEQ1) Register (address = 0x0Ch) [reset = E0h]
      14. 8.6.14 Thermistor 1 (TMST1) Register (address = 0x0Dh) [reset = 20h]
      15. 8.6.15 Thermistor 2 (TMST2) Register (address = 0x0Eh) [reset = 78h]
      16. 8.6.16 Power Good Status (PG) Register (address = 0x0Fh) [reset = 0h]
      17. 8.6.17 Revision and Version Control (REVID) Register (address = 0x10h) [reset = 45h]
  9. Application and Implementation
    1. 9.1 Application Information
    2. 9.2 Typical Application
      1. 9.2.1 Design Requirements
      2. 9.2.2 Detailed Design Procedure
      3. 9.2.3 Application Curves
  10. 10Power Supply Recommendations
  11. 11Layout
    1. 11.1 Layout Guidelines
    2. 11.2 Layout Example
  12. 12Device and Documentation Support
    1. 12.1 Device Support
      1. 12.1.1 Third-Party Products Disclaimer
    2. 12.2 Documentation Support
      1. 12.2.1 Related Documentation
    3. 12.3 Receiving Notification of Documentation Updates
    4. 12.4 Community Resources
    5. 12.5 Trademarks
    6. 12.6 Electrostatic Discharge Caution
    7. 12.7 Glossary
  13. 13Mechanical, Packaging, and Orderable Information

Package Options

Mechanical Data (Package|Pins)
Thermal pad, mechanical data (Package|Pins)
Orderable Information

Application and Implementation

NOTE

Information in the following applications sections is not part of the TI component specification, and TI does not warrant its accuracy or completeness. TI’s customers are responsible for determining suitability of components for their purposes. Customers should validate and test their design implementation to confirm system functionality.

Application Information

The TPS65185x device is used to power display screens in E-book applications, specifically E-Ink Vizplex display, by connecting the screen to the positive and negative charge pump, LDO1, LDO2, and VCOM rails. The device supports display screens up to 9.7 inches.

Typical Application

TPS65185 TPS651851 tps65185x-application-schematic-example.gif Figure 46. Typical Application Schematic

Design Requirements

For this design example, use the parameters listed in Table 20 as the input parameters.

Table 20. Design Parameters

VOLTAGE SEQUENCE (STROBE)
VNEG (LDO2) –15 V 1
VEE (Charge pump 2) –20 V 2
VPOS (LDO1) 15 V 3
VDDH (Charge pump 1) 22 V 4

Detailed Design Procedure

For the positive boost regulator (DCDC1) a 10-μF capacitor can be used as the input capacitor value; two 4.7-μF capacitors are used as output capacitors to reduce ESR along with a 2.2-μH inductor. For the inverting buck-boost regulator (DCDC2), a 10-μF capacitor can be used at the input capacitor value; two 4.7-μF capacitors are used as output capacitors to reduce ESR along with a 4.7-μH inductor. The charge pump pins VDDH_D and VEE_D require 100-nF capacitors to ground for reliable operation. An ESR capacitor with a value of 20 mΩ is expected for all capacitors, and ceramic X5R material or better is recommended. These values are the typical the values used; additional inductor and capacitor values can be used for improved functionality; however, the components should be rated the same as the recommended external components listed in Table 21.

Table 21. Recommended External Components

PART NUMBER VALUE SIZE MANUFACTURER
INDUCTORS
LQH44PN4R7MP0 4.7 µH 4 mm × 4 mm × 1.65 mm Murata
NR4018T4R7M 4.7 µH 4 mm × 4 mm × 1.8 mm Taiyo Yuden
VLS252015ET-2R2M 2.2 µH 2 mm × 2.5 mm × 1.5 mm TDK
NR4012T2R2M 2.2 µH 4 mm × 4 mm × 1.2 mm Taiyo Yuden
CAPACITORS
GRM21BC81E475KA12L 4.7 µF, 25 V, X6S 805 Murata
GRM32ER71H475KA88L 4.7 µF, 50 V, X7R 1210 Murata
All other capacitors X5R or better
DIODES
BAS3010 SOD-323 Infineon
MBR130T1 SOD-123 ON-Semi
BAV99 SOT-23 Fairchild
THERMISTOR
NCP18XH103F03RB 10 kΩ 603 Murata

Application Curves

TPS65185 TPS651851 vn_dcdc_eff_lvsaq8.gif
T = 25°C
Figure 47. VN DCDC Efficiency
TPS65185 TPS651851 vee_chrgpump_eff_lvsaq8.gif
T = 25°C
Figure 49. VEE Charge Pump Efficiency
TPS65185 TPS651851 vb_dcdc_eff_lvsaq8.gif
T = 25°C
Figure 48. VB DCDC Efficiency
TPS65185 TPS651851 vddh_chrgpump_eff_lvsaq8.gif
T = 25°C
Figure 50. VDDH Charge Pump Efficiency