SLVSDF8B December   2016  – July 2017 TPSM84A22

PRODUCTION DATA.  

  1. Features
  2. Applications
  3. Description
    1.     Device Images
      1.      Simplified Schematic
      2.      Transient Response
  4. Revision History
  5. Pin Configuration and Functions
    1.     Pin Functions
  6. Specifications
    1. 6.1 Absolute Maximum Ratings
    2. 6.2 ESD Ratings
    3. 6.3 Recommended Operating Conditions
    4. 6.4 Thermal Information
    5. 6.5 Electrical Characteristics
    6. 6.6 Switching Characteristics
    7. 6.7 Package Specifications
    8. 6.8 Typical Characteristics
  7. Detailed Description
    1. 7.1 Overview
    2. 7.2 Functional Block Diagram
    3. 7.3 Feature Description
      1. 7.3.1  Adjusting the Output Voltage (VADJ)
      2. 7.3.2  Input and Output Capacitance
      3. 7.3.3  Transient Response
        1. 7.3.3.1 Transient Response Waveforms
      4. 7.3.4  Oscillator Frequency
      5. 7.3.5  External Clock Syncronization
      6. 7.3.6  Soft Start
      7. 7.3.7  Power Good (PGOOD)
      8. 7.3.8  Gate Driver (VG)
      9. 7.3.9  Startup into Pre-biased Outputs
      10. 7.3.10 Thermal Shutdown
      11. 7.3.11 Overcurrent Protection
      12. 7.3.12 Output Undervoltage/Overvoltage Protection
      13. 7.3.13 Enable (EN)
      14. 7.3.14 Undervoltage Lockout (UVLO)
    4. 7.4 Device Functional Modes
      1. 7.4.1 Active Mode
      2. 7.4.2 Light Load Operation
      3. 7.4.3 Shutdown Mode
  8. Application and Implementation
    1. 8.1 Application Information
    2. 8.2 Typical Application
      1. 8.2.1 Design Requirements
      2. 8.2.2 Detailed Design Procedure
        1. 8.2.2.1 Setting the Output Voltage
        2. 8.2.2.2 Input and Output Capacitance
        3. 8.2.2.3 Power Good (PGOOD)
        4. 8.2.2.4 External VG Voltage
      3. 8.2.3 Application Curves
  9. Power Supply Recommendations
  10. 10Layout
    1. 10.1 Layout Guidelines
    2. 10.2 Layout Examples
    3. 10.3 EMI
  11. 11Device and Documentation Support
    1. 11.1 Documentation Support
      1. 11.1.1 Related Documentation
    2. 11.2 Receiving Notification of Documentation Updates
    3. 11.3 Community Resources
    4. 11.4 Trademarks
    5. 11.5 Electrostatic Discharge Caution
    6. 11.6 Glossary
  12. 12Mechanical, Packaging, and Orderable Information
    1. 12.1 Tape and Reel Information

Package Options

Mechanical Data (Package|Pins)
Thermal pad, mechanical data (Package|Pins)
Orderable Information

Layout Examples

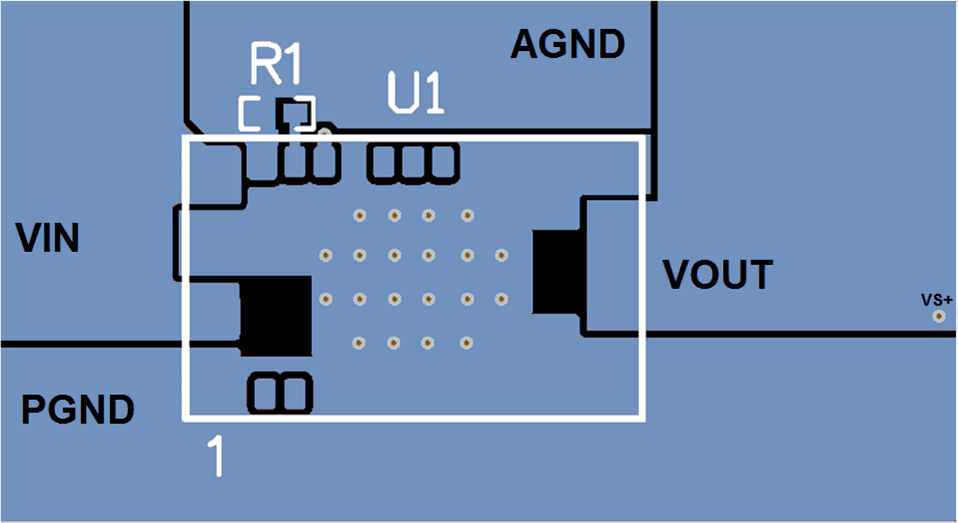
The layout shown in Figure 21 shows the minimum solution size with only a single voltage setting resistor (R1) as the only additional required component. Figure 22 shows a typical internal PCB layer with a trace connecting the VS+ pin to VOUT near the load.

TPSM84A22 ToplayerMin2.gifFigure 21. Minimum Component Layout
TPSM84A22 Innerlayer.gifFigure 22. VS+ Trace on Internal Layer

Figure 23 shows a layout with the placement of additional ceramic input capacitors (C1, C3) and ceramic output capacitors (C2, C4) for designs that require additional ripple reduction or improved transient response. Figure 24 shows a typical internal PCB layer with a trace connecting the VS+ pin to VOUT near the load.

TPSM84A22 Toplayer2.gifFigure 23. Layout with Optional CIN and COUT
TPSM84A22 Innerlayer2.gifFigure 24. VS+ Trace on Internal Layer