SCDS261H March   2008  – June 2017 TS5A22364

PRODUCTION DATA.  

  1. Features
  2. Applications
  3. Description
  4. Revision History
  5. Pin Configuration and Functions
  6. Specifications
    1. 6.1 Absolute Maximum Ratings
    2. 6.2 ESD Ratings
    3. 6.3 Recommended Operating Conditions
    4. 6.4 Thermal Information
    5. 6.5 Electrical Characteristics for 2.5-V Supply
    6. 6.6 Electrical Characteristics for 3.3-V Supply
    7. 6.7 Electrical Characteristics for 5-V Supply
    8. 6.8 Typical Characteristics
  7. Parameter Measurement Information
  8. Detailed Description
    1. 8.1 Overview
    2. 8.2 Functional Block Diagram
    3. 8.3 Feature Description
      1. 8.3.1 Click and Pop Reduction
      2. 8.3.2 Negative Signal Swing Capability
    4. 8.4 Device Functional Modes
  9. Application and Implementation
    1. 9.1 Application Information
    2. 9.2 Typical Application
      1. 9.2.1 Design Requirements
      2. 9.2.2 Detailed Design Procedure
      3. 9.2.3 Application Curve
  10. 10Power Supply Recommendations
  11. 11Layout
    1. 11.1 Layout Guidelines
    2. 11.2 Layout Example
  12. 12Device and Documentation Support
    1. 12.1 Receiving Notification of Documentation Updates
    2. 12.2 Community Resources
    3. 12.3 Trademarks
    4. 12.4 Electrostatic Discharge Caution
    5. 12.5 Glossary
  13. 13Mechanical, Packaging, and Orderable Information

Package Options

Mechanical Data (Package|Pins)
Thermal pad, mechanical data (Package|Pins)
Orderable Information

Parameter Measurement Information

TS5A22364 onresist_cds260.gif Figure 13. ON-State Resistance (Ron)
TS5A22364 offleak_cds260.gif Figure 14. OFF-State Leakage Current (ICOM(OFF), INO(OFF))
TS5A22364 onleak_cds260.gif Figure 15. ON-State Leakage Current
(ICOM(ON), INO(ON))
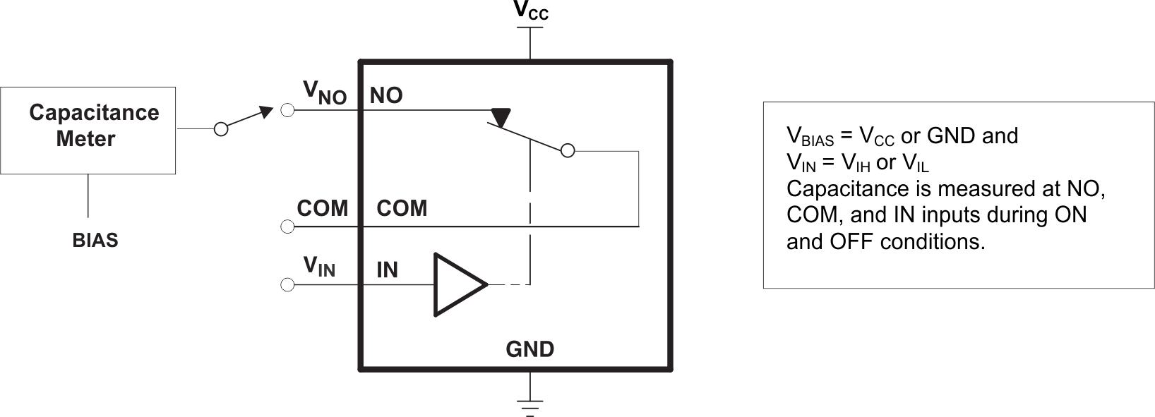
TS5A22364 capacitance_cds260.gif Figure 16. Capacitance
(CI, CCOM(OFF), CCOM(ON), CNO(OFF), CNO(ON))
TS5A22364 ton_toff_cds260.gif
All input pulses are supplied by generators having the following characteristics:
PRR ≤ 10 MHz, ZO = 50 Ω, tr < 5 ns, tf < 5 ns.
CL includes probe and jig capacitance.
Figure 17. Turnon (tON) and Turnoff Time (tOFF)
TS5A22364 tbbm_64_cds260.gif
CL includes probe and jig capacitance.
All input pulses are supplied by generators having the following characteristics:
PRR ≤ 10 MHz, ZO = 50 Ω, tr < 5 ns, tf < 5 ns.
Figure 18. Break-Before-Make Time (tBBM)
TS5A22364 bandwidth_cds260.gif Figure 19. Bandwidth (BW)
TS5A22364 offiso_cds260.gif Figure 20. OFF Isolation (OISO)
TS5A22364 xtalk_cds260.gif Figure 21. Crosstalk (XTALK)
TS5A22364 chargeinjection_cds260.gif
All input pulses are supplied by generators having the following characteristics:
PRR ≤ 10 MHz, ZO = 50 Ω, tr < 5 ns, tf < 5 ns.
CL includes probe and jig capacitance.
Figure 22. Charge Injection (QC)
TS5A22364 thd_cds260.gif
CL includes probe and jig capacitance.
Figure 23. Total Harmonic Distortion (THD)