SLUSDA5B February   2018  – April 2024 UCC21222-Q1

PRODUCTION DATA  

  1.   1
  2. Features
  3. Applications
  4. Description
  5. Pin Configuration and Functions
  6. Specifications
    1. 5.1  Absolute Maximum Ratings
    2. 5.2  ESD Ratings (Automotive)
    3. 5.3  Recommended Operating Conditions
    4. 5.4  Thermal Information
    5. 5.5  Power Ratings
    6. 5.6  Insulation Specifications
    7. 5.7  Safety Limiting Values
    8. 5.8  Electrical Characteristics
    9. 5.9  Switching Characteristics
    10. 5.10 Insulation Characteristics Curves
    11. 5.11 Typical Characteristics
  7. Parameter Measurement Information
    1. 6.1 Minimum Pulses
    2. 6.2 Propagation Delay and Pulse Width Distortion
    3. 6.3 Rising and Falling Time
    4. 6.4 Input and Disable Response Time
    5. 6.5 Programmable Dead Time
    6. 6.6 Power-Up UVLO Delay to OUTPUT
    7. 6.7 CMTI Testing
  8. Detailed Description
    1. 7.1 Overview
    2. 7.2 Functional Block Diagram
    3. 7.3 Feature Description
      1. 7.3.1 VDD, VCCI, and Undervoltage Lock Out (UVLO)
      2. 7.3.2 Input and Output Logic Table
      3. 7.3.3 Input Stage
      4. 7.3.4 Output Stage
      5. 7.3.5 Diode Structure in the UCC21222-Q1
    4. 7.4 Device Functional Modes
      1. 7.4.1 Disable Pin
      2. 7.4.2 Programmable Dead Time (DT) Pin
        1. 7.4.2.1 DT Pin Tied to VCCI or DT Pin Left Open
        2. 7.4.2.2 Connecting a Programming Resistor between DT and GND Pins
  9. Application and Implementation
    1. 8.1 Application Information
    2. 8.2 Typical Application
      1. 8.2.1 Design Requirements
      2. 8.2.2 Detailed Design Procedure
        1. 8.2.2.1 Custom Design With WEBENCH® Tools
        2. 8.2.2.2 Designing INA/INB Input Filter
        3. 8.2.2.3 Select Dead Time Resistor and Capacitor
        4. 8.2.2.4 Select External Bootstrap Diode and its Series Resistor
        5. 8.2.2.5 Gate Driver Output Resistor
        6. 8.2.2.6 Estimating Gate Driver Power Loss
        7. 8.2.2.7 Estimating Junction Temperature
        8. 8.2.2.8 Selecting VCCI, VDDA/B Capacitor
          1. 8.2.2.8.1 Selecting a VCCI Capacitor
          2. 8.2.2.8.2 Selecting a VDDA (Bootstrap) Capacitor
          3. 8.2.2.8.3 Select a VDDB Capacitor
        9. 8.2.2.9 Application Circuits with Output Stage Negative Bias
      3. 8.2.3 Application Curves
  10. Power Supply Recommendations
  11. 10Layout
    1. 10.1 Layout Guidelines
      1. 10.1.1 Component Placement Considerations
      2. 10.1.2 Grounding Considerations
      3. 10.1.3 High-Voltage Considerations
      4. 10.1.4 Thermal Considerations
    2. 10.2 Layout Example
  12. 11Device and Documentation Support
    1. 11.1 Device Support
      1. 11.1.1 Third-Party Products Disclaimer
      2. 11.1.2 Development Support
        1. 11.1.2.1 Custom Design With WEBENCH® Tools
    2. 11.2 Documentation Support
      1. 11.2.1 Related Documentation
    3. 11.3 Receiving Notification of Documentation Updates
    4. 11.4 Support Resources
    5. 11.5 Trademarks
    6. 11.6 Electrostatic Discharge Caution
    7. 11.7 Glossary
  13. 12Revision History
  14. 13Mechanical, Packaging, and Orderable Information

Package Options

Mechanical Data (Package|Pins)
Thermal pad, mechanical data (Package|Pins)
Orderable Information

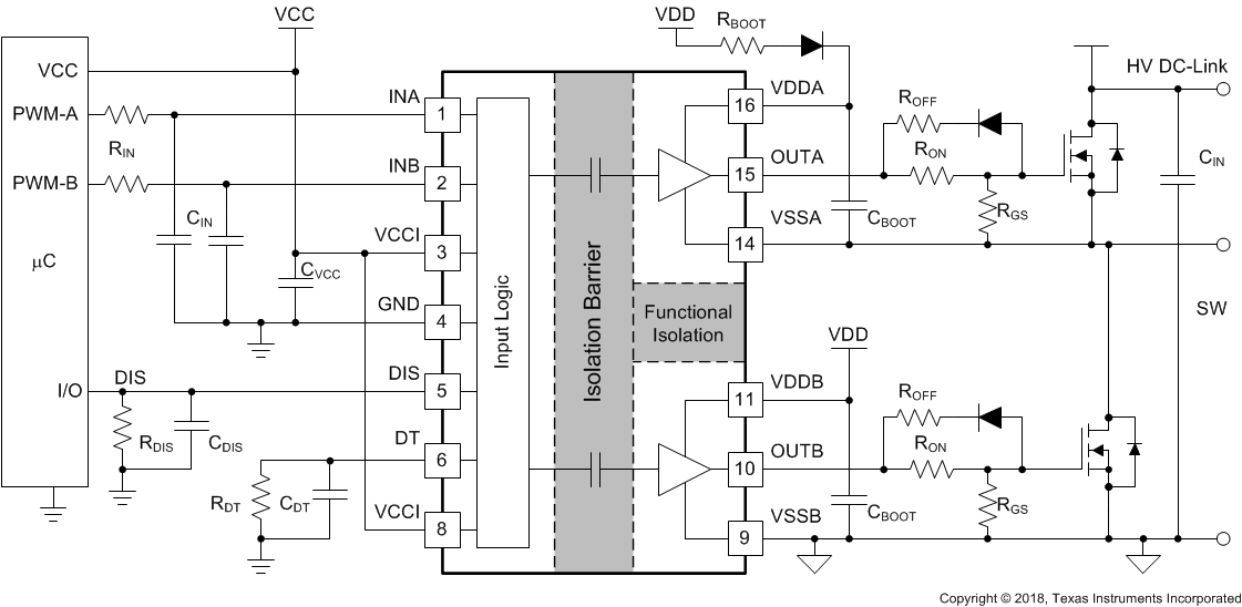
Typical Application

The circuit in Figure 8-1 shows a reference design with the UCC21222-Q1 driving a typical half-bridge configuration which could be used in several popular power converter topologies such as synchronous buck, synchronous boost, half-bridge/full bridge isolated topologies, and 3-phase motor drive applications.

GUID-FBF7B9D1-162E-4FF3-90C4-21F858EAB62F-low.gifFigure 8-1 Typical Application Schematic