JAJSED4A September   2013  – January 2018 CSD13202Q2

PRODUCTION DATA.  

  1. 1特長
  2. 2アプリケーション
  3. 3概要
    1.     Device Images
  4. 4改訂履歴
  5. 5Specifications
    1. 5.1 Electrical Characteristics
    2. 5.2 Thermal Characteristics
    3. 5.3 Typical MOSFET Characteristics
  6. 6デバイスおよびドキュメントのサポート
    1. 6.1 ドキュメントの更新通知を受け取る方法
    2. 6.2 コミュニティ・リソース
    3. 6.3 商標
    4. 6.4 静電気放電に関する注意事項
    5. 6.5 Glossary
  7. 7メカニカル、パッケージ、および注文情報
    1. 7.1 Q2パッケージの寸法
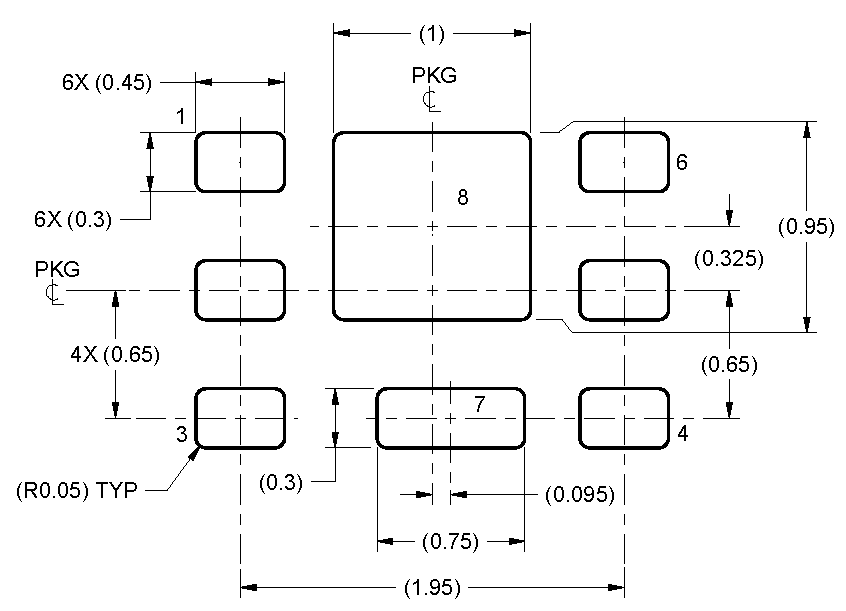
      1. 7.1.1 推奨されるPCBパターン
      2. 7.1.2 推奨されるステンシル・パターン
    2. 7.2 Q2のテープ・アンド・リール情報

パッケージ・オプション

デバイスごとのパッケージ図は、PDF版データシートをご参照ください。

メカニカル・データ(パッケージ|ピン)
  • DQK|6
サーマルパッド・メカニカル・データ
発注情報

推奨されるPCBパターン

CSD13202Q2 PCB1.png
CSD13202Q2 PCB2.png
  1. このパッケージは、基板上のサーマル・パッドにハンダ付けされるよう設計されています。詳細については、『QFN/SON PCBアタッチメント』(SLUA271)を参照してください。