JAJS332K May 2008 – November 2023 INA210 , INA211 , INA212 , INA213 , INA214 , INA215
PRODUCTION DATA
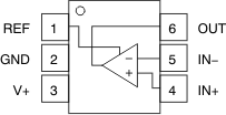
図 4-1 DCK パッケージ6 ピン SC70上面図
| ピン | I/O | 説明 | ||
|---|---|---|---|---|
| 名称 | DCK | RSW | ||
| GND | 2 | 9 | アナログ | グランド |
| IN- | 5 | 4、5 | アナログ入力 | シャント抵抗の負荷側に接続 |
| IN+ | 4 | 2、3 | アナログ入力 | シャント抵抗の電源側に接続 |
| NC | — | 1、7 | — | 内部接続なし。フローティングのままにするか、グランドに接続。 |
| OUT | 6 | 10 | アナログ出力 | 出力電圧 |
| REF | 1 | 8 | アナログ入力 | 基準電圧、0V~V+ |
| V+ | 3 | 6 | アナログ | 電源、2.7V~26V |