JAJSDC4 June   2017 LM385-1.2-MIL

PRODUCTION DATA.  

  1. 特長
  2. アプリケーション
  3. 概要
  4. 改訂履歴
  5. Pin Configuration and Functions
  6. Specifications
    1. 6.1 Absolute Maximum Ratings
    2. 6.2 ESD Ratings
    3. 6.3 Recommended Operating Conditions
    4. 6.4 Thermal Information
    5. 6.5 Electrical Characteristics
    6. 6.6 Typical Characteristics
  7. Detailed Description
    1. 7.1 Overview
    2. 7.2 Functional Block Diagram
    3. 7.3 Feature Description
    4. 7.4 Device Functional Modes
  8. Application and Implementation
    1. 8.1 Application Information
    2. 8.2 Typical Application
      1. 8.2.1 Design Requirements
      2. 8.2.2 Detailed Design Procedure
      3. 8.2.3 Application Curve
    3. 8.3 System Examples
      1. 8.3.1 Thermocouple Cold-Junction Compensator
      2. 8.3.2 Generating Reference Voltage with a Constant Current Source
  9. Power Supply Recommendations
  10. 10Layout
    1. 10.1 Layout Guidelines
    2. 10.2 Layout Example
  11. 11デバイスおよびドキュメントのサポート
    1. 11.1 ドキュメントのサポート
      1. 11.1.1 関連資料
    2. 11.2 ドキュメントの更新通知を受け取る方法
    3. 11.3 コミュニティ・リソース
    4. 11.4 商標
    5. 11.5 静電気放電に関する注意事項
    6. 11.6 Glossary
  12. 12メカニカル、パッケージ、および注文情報

パッケージ・オプション

メカニカル・データ(パッケージ|ピン)
  • YS|0
サーマルパッド・メカニカル・データ
発注情報

Detailed Description

Overview

The LM385-1.2-MIL device is micropower, two-terminal, band-gap voltage references which operate over a 10-μA to 20-mA current range. On-chip trimming provides tight voltage tolerance. The band-gap reference for these devices has low noise and long-term stability.

The design makes these devices exceptionally tolerant of capacitive loading and, thus, easier to use in most reference applications. The wide dynamic operating temperature range accommodates varying current supplies, with excellent regulation.

The extremely low power drain of this series makes them useful for micropower circuitry. These voltage references can be used to make portable meters, regulators, or general-purpose analog circuitry, with battery life approaching shelf life.

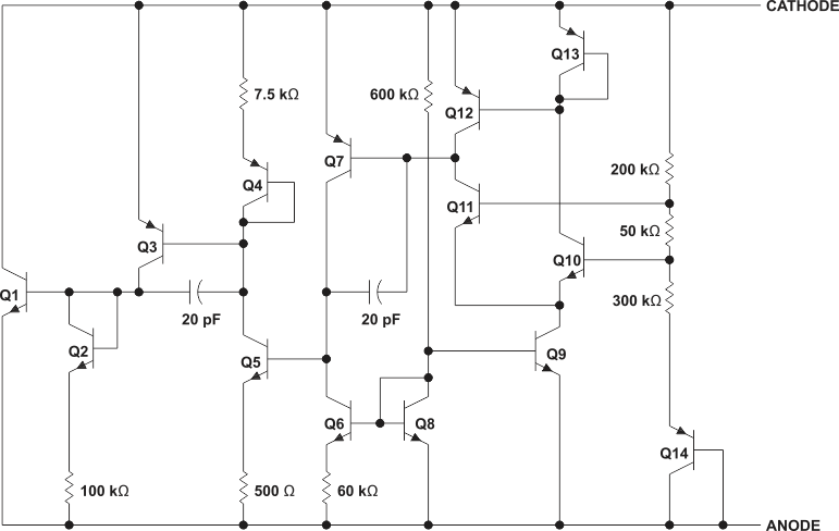
Functional Block Diagram

LM385-1.2-MIL sch_slvs075.gif
Component values shown are nominal.

Feature Description

A band gap voltage reference controls high gain amplifier and shunt pass element to maintain a nearly constant voltage between cathode and anode. Regulation occurs after a minimum current is provided to power the voltage divider and amplifier. Internal frequency compensation provides a stable loop for all capacitor loads. Floating shunt design is useful for both positive and negative regulation applications.

Device Functional Modes

The LM385-1.2-MIL device operates in one mode, which is as a fixed voltage reference that cannot be adjusted.

In order for a proper Reverse Voltage to be developed, current must be sourced into the cathode of LM285. The minimum current needed for proper regulation is denoted in Electrical Characteristics as IZ,min.