JAJSGF7G May   2010  – November 2018 LM98640QML-SP

PRODUCTION DATA.  

  1. 特長
  2. アプリケーション
  3. 概要
  4. 改訂履歴
  5. Pin Configuration and Functions
    1.     Pin Functions
  6. Specifications
    1. 6.1 Absolute Maximum Ratings
    2. 6.2 ESD Ratings    
    3. 6.3 Recommended Operating Conditions
    4. 6.4 Thermal Information         
    5. 6.5 Quality Conformance Inspection
    6. 6.6 LM98640QML-SP Electrical Characteristics
    7. 6.7 AC Timing Specifications
    8. 6.8 Typical Performance Characteristics
  7. Detailed Description
    1. 7.1 Overview
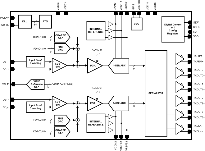
    2. 7.2 Functional Block Diagram
    3. 7.3 Feature Description
      1. 7.3.1 Input Sampling Modes
        1. 7.3.1.1 Sample & Hold Mode
          1. 7.3.1.1.1 Sample & Hold Mode CLAMP/SAMPLE Adjust
        2. 7.3.1.2 CDS Mode
          1. 7.3.1.2.1 CDS Mode Bimodal Offset
          2. 7.3.1.2.2 CDS Mode CLAMP/SAMPLE Adjust
      2. 7.3.2 Input Bias and Clamping
        1. 7.3.2.1 Sample and Hold Mode Biasing
        2. 7.3.2.2 CDS Mode Biasing
        3. 7.3.2.3 VCLP DAC
      3. 7.3.3 Programmable Gain
        1. 7.3.3.1 CDS/SH Stage Gain
        2. 7.3.3.2 PGA Gain Plots
      4. 7.3.4 Programmable Analog Offset Correction
      5. 7.3.5 Analog to Digital Converter
      6. 7.3.6 LVDS Output
        1. 7.3.6.1 LVDS Output Voltage
        2. 7.3.6.2 LVDS Output Modes
        3. 7.3.6.3 TXFRM Output
          1. 7.3.6.3.1 Output Mode 1 - Dual Lane
          2. 7.3.6.3.2 Output Mode 2 - Quad Lane
      7. 7.3.7 Clock Receiver
      8. 7.3.8 Power Trimming
    4. 7.4 Device Functional Mode
      1. 7.4.1 Powerdown Modes
      2. 7.4.2 LVDS Test Modes
        1. 7.4.2.1 Test Mode 0 - Fixed Pattern
        2. 7.4.2.2 Test Mode 1 - Horizontal Gradient
        3. 7.4.2.3 Test Mode 2 - Vertical Gradient
        4. 7.4.2.4 Test Mode 3 - Lattice Pattern
        5. 7.4.2.5 Test Mode 4 - Stripe Pattern
        6. 7.4.2.6 Test Mode 5 - LVDS Test Pattern (Synchronous)
        7. 7.4.2.7 Test Mode 6 - LVDS Test Pattern (Asynchronous)
        8. 7.4.2.8 Pseudo Random Number Mode
    5. 7.5 Programming
      1. 7.5.1 Serial Interface
      2. 7.5.2 Writing to the Serial Registers
      3. 7.5.3 Reading the Serial Registers
      4. 7.5.4 Serial Interface Timing Details
    6. 7.6 Register Maps
      1. 7.6.1 Register Definitions
  8. Application and Implementation
    1. 8.1 Application Information
      1. 8.1.1 Total Ionizing Dose
      2. 8.1.2 Single Event Latch-Up and Functional Interrupt
      3. 8.1.3 Single Event Effects
    2. 8.2 Typical Application
      1. 8.2.1 Sample/Hold Mode
    3. 8.3 Initialization Set Up
  9. Layout
    1. 9.1 Layout Guidelines
      1. 9.1.1 Power Planes
      2. 9.1.2 Bypass Capacitors
      3. 9.1.3 Ground Plane
      4. 9.1.4 Thermal Management
  10. 10デバイスおよびドキュメントのサポート
    1. 10.1 デバイス・サポート
      1. 10.1.1 開発サポート
        1. 10.1.1.1 評価ボード
        2. 10.1.1.2 レジスタのプログラミング用ソフトウェア
    2. 10.2 ドキュメントの更新通知を受け取る方法
    3. 10.3 コミュニティ・リソース
    4. 10.4 輸出管理に関する注意事項
    5. 10.5 商標
    6. 10.6 静電気放電に関する注意事項
    7. 10.7 Glossary
  11. 11メカニカル、パッケージ、および注文情報
    1. 11.1 エンジニアリング・サンプル

パッケージ・オプション

デバイスごとのパッケージ図は、PDF版データシートをご参照ください。

メカニカル・データ(パッケージ|ピン)
  • NBB|68
サーマルパッド・メカニカル・データ
発注情報

Functional Block Diagram

LM98640QML-SP c004.gifFigure 13. Chip Block Diagram
LM98640QML-SP 30064770.gifFigure 14. Typical CCD System