JAJSFW2A July   2018  – November 2018 TL431LI , TL432LI

PRODUCTION DATA.  

  1. 特長
  2. アプリケーション
  3. 概要
    1.     Device Images
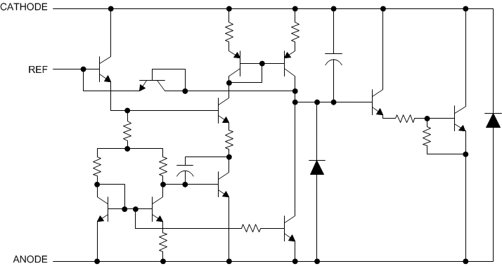
      1.      概略回路図
  4. 改訂履歴
  5. デバイス比較表
  6. ピン構成および機能
    1.     端子機能
  7. 仕様
    1. 7.1 絶対最大定格
    2. 7.2 ESD定格
    3. 7.3 熱特性
    4. 7.4 推奨動作条件
    5. 7.5 電気的特性
    6. 7.6 代表的特性
  8. パラメータ測定情報
    1. 8.1 温度係数
    2. 8.2 ダイナミック・インピーダンス
  9. 詳細説明
    1. 9.1 概要
    2. 9.2 機能ブロック図
    3. 9.3 機能説明
    4. 9.4 デバイスの機能モード
      1. 9.4.1 開ループ(コンパレータ)
      2. 9.4.2 閉ループ
  10. 10アプリケーションと実装
    1. 10.1 アプリケーション情報
    2. 10.2 代表的なアプリケーション
      1. 10.2.1 基準電圧内蔵コンパレータ
        1. 10.2.1.1 設計要件
        2. 10.2.1.2 詳細な設計手順
          1. 10.2.1.2.1 基本動作
            1. 10.2.1.2.1.1 オーバードライブ
          2. 10.2.1.2.2 出力電圧とロジック入力レベル
            1. 10.2.1.2.2.1 入力抵抗
        3. 10.2.1.3 アプリケーション曲線
      2. 10.2.2 高精度定電流シンク
        1. 10.2.2.1 設計要件
        2. 10.2.2.2 詳細な設計手順
          1. 10.2.2.2.1 基本動作
            1. 10.2.2.2.1.1 出力電流範囲および精度
          2. 10.2.2.2.2 消費電力
      3. 10.2.3 シャント・レギュレータ/基準電圧
        1. 10.2.3.1 設計要件
        2. 10.2.3.2 詳細な設計手順
          1. 10.2.3.2.1 出力/カソード電圧の設定
          2. 10.2.3.2.2 総合精度
          3. 10.2.3.2.3 安定性
          4. 10.2.3.2.4 起動時間
        3. 10.2.3.3 アプリケーション曲線
      4. 10.2.4 オプトカプラによる絶縁型フライバック
        1. 10.2.4.1 設計要件
          1. 10.2.4.1.1 詳細な設計手順
            1. 10.2.4.1.1.1 TL431の帰還ループ誤差の計算
    3. 10.3 システム例
  11. 11電源に関する推奨事項
  12. 12レイアウト
    1. 12.1 レイアウトの注意点
    2. 12.2 レイアウト例
  13. 13デバイスおよびドキュメントのサポート
    1. 13.1 関連リンク
    2. 13.2 ドキュメントのサポート
      1. 13.2.1 デバイスの項目表記
      2. 13.2.2 関連資料
    3. 13.3 ドキュメントの更新通知を受け取る方法
    4. 13.4 コミュニティ・リソース
    5. 13.5 商標
    6. 13.6 静電気放電に関する注意事項
    7. 13.7 Glossary
  14. 14メカニカル、パッケージ、および注文情報

パッケージ・オプション

メカニカル・データ(パッケージ|ピン)
サーマルパッド・メカニカル・データ
発注情報

機能ブロック図

TL431LI TL432LI func_block_dgm_lvs543.gifFigure 18. 等価回路図
TL431LI TL432LI simplified_schematic.gifFigure 19. 詳細回路図