JAJSCL1 October   2016 TLV2376 , TLV376 , TLV4376

PRODUCTION DATA.  

  1. 特長
  2. アプリケーション
  3. 概要
  4. 改訂履歴
  5. Pin Configuration and Functions
  6. Specifications
    1. 6.1 Absolute Maximum Ratings
    2. 6.2 ESD Ratings
    3. 6.3 Recommended Operating Conditions
    4. 6.4 Thermal Information: TLV376
    5. 6.5 Thermal Information: TLV2376
    6. 6.6 Thermal Information: TLV4376
    7. 6.7 Electrical Characteristics
    8. 6.8 Typical Characteristics
  7. Detailed Description
    1. 7.1 Overview
    2. 7.2 Functional Block Diagram
    3. 7.3 Feature Description
      1. 7.3.1 Operating Voltage
      2. 7.3.2 Capacitive Load and Stability
      3. 7.3.3 Input Offset Voltage and Input Offset Voltage Drift
      4. 7.3.4 Common-Mode Voltage Range
      5. 7.3.5 Input and ESD Protection
    4. 7.4 Device Functional Modes
  8. Application and Implementation
    1. 8.1 Application Information
      1. 8.1.1 Operating Characteristics
      2. 8.1.2 Basic Amplifier Configurations
      3. 8.1.3 Active Filtering
      4. 8.1.4 Driving an Analog-to-Digital Converter
      5. 8.1.5 Phantom-Powered Microphone
    2. 8.2 Typical Application
      1. 8.2.1 Design Requirements
      2. 8.2.2 Detailed Design Procedure
      3. 8.2.3 Application Curve
  9. Power Supply Recommendations
  10. 10Layout
    1. 10.1 Layout Guidelines
    2. 10.2 Layout Example
  11. 11デバイスおよびドキュメントのサポート
    1. 11.1 デバイス・サポート
      1. 11.1.1 開発サポート
        1. 11.1.1.1 TINA-TI(無料のダウンロード・ソフトウェア)
        2. 11.1.1.2 TI Precision Designs
        3. 11.1.1.3 WEBENCH® Filter Designer
    2. 11.2 ドキュメントのサポート
      1. 11.2.1 関連資料
    3. 11.3 関連リンク
    4. 11.4 ドキュメントの更新通知を受け取る方法
    5. 11.5 コミュニティ・リソース
    6. 11.6 商標
    7. 11.7 静電気放電に関する注意事項
    8. 11.8 Glossary
  12. 12メカニカル、パッケージ、および注文情報

パッケージ・オプション

メカニカル・データ(パッケージ|ピン)
サーマルパッド・メカニカル・データ
発注情報

Layout

Layout Guidelines

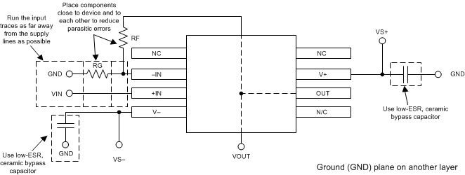
For best operational performance of the device, use good printed circuit board (PCB) layout practices, including:

  • Noise can propagate into analog circuitry through the power pins of the circuit as a whole and the op amp itself. Bypass capacitors are used to reduce the coupled noise by providing low-impedance power sources local to the analog circuitry.
    • Connect low-equivalent series resistance (ESR), 0.1-µF ceramic bypass capacitors between each supply pin and ground, placed as close to the device as possible. A single bypass capacitor from V+ to ground is applicable for single-supply applications.
  • Separate grounding for analog and digital portions of circuitry is one of the simplest and most-effective methods of noise suppression. One or more layers on multilayer PCBs are usually devoted to ground planes. A ground plane helps distribute heat and reduces electromagnetic interference (EMI) noise pickup. Make sure to physically separate digital and analog grounds paying attention to the flow of the ground current. For more detailed information, see the Circuit Board Layout Techniques application report.
  • In order to reduce parasitic coupling, run the input traces as far away from the supply or output traces as possible. If these traces cannot be kept separate, crossing the sensitive trace perpendicular is much better as opposed to in parallel with the noisy trace.
  • Place the external components as close to the device as possible. As illustrated in Figure 32, keeping RF and RG close to the inverting input minimizes parasitic capacitance.
  • Keep the length of input traces as short as possible. Always remember that the input traces are the most sensitive part of the circuit.
  • Consider a driven, low-impedance guard ring around the critical traces. A guard ring can significantly reduce leakage currents from nearby traces that are at different potentials.
  • Cleaning the PCB following board assembly is recommended for best performance.
  • Any precision integrated circuit can experience performance shifts resulting from moisture ingress into the plastic package. Following any aqueous PCB cleaning process, baking the PCB assembly is recommended to remove moisture introduced into the device packaging during the cleaning process. A low-temperature, post-cleaning bake at 85°C for 30 minutes is sufficient for most circumstances.

Layout Example

TLV376 TLV2376 TLV4376 layout_representation_sbos755.gif Figure 31. Schematic Representation of Figure 32
TLV376 TLV2376 TLV4376 layout_example_sbos755.gif Figure 32. Layout Example