JAJSGR0F December   2010  – December 2018 TPS51916

PRODUCTION DATA.  

  1. 特長
  2. アプリケーション
  3. 概要
    1.     アプリケーション概略
  4. 改訂履歴
  5. 概要(続き)
  6. Pin Configuration and Functions
    1.     Pin Functions
  7. Specifications
    1. 7.1 Absolute Maximum Ratings
    2. 7.2 ESD Ratings
    3. 7.3 Recommended Operating Conditions
    4. 7.4 Thermal Information
    5. 7.5 Electrical Characteristics
    6. 7.6 Typical Characteristics
  8. Detailed Description
    1. 8.1 Overview
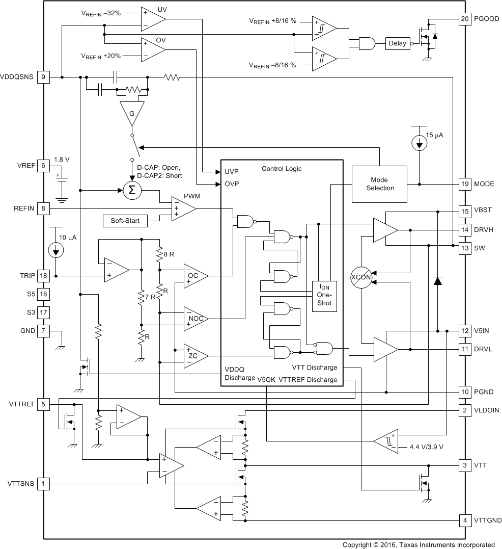
    2. 8.2 Functional Block Diagram
    3. 8.3 Feature Description
      1. 8.3.1  VDDQ Switch Mode Power Supply Control
      2. 8.3.2  VREF and REFIN, VDDQ Output Voltage
      3. 8.3.3  Soft-Start and Powergood
      4. 8.3.4  Power State Control
      5. 8.3.5  Discharge Control
      6. 8.3.6  VTT and VTTREF
      7. 8.3.7  VDDQ Overvoltage and Undervoltage Protection
      8. 8.3.8  VDDQ Out-of-Bound Operation
      9. 8.3.9  VDDQ Overcurrent Protection
      10. 8.3.10 VTT Overcurrent Protection
      11. 8.3.11 V5IN Undervoltage Lockout Protection
      12. 8.3.12 Thermal Shutdown
    4. 8.4 Device Functional Modes
      1. 8.4.1 MODE Pin Configuration
      2. 8.4.2 D-CAP™ Mode
    5. 8.5 D-CAP2™ Mode Operation
  9. Application and Implementation
    1. 9.1 Application Information
      1. 9.1.1 DDR3, D-CAP™ 400-kHz Application with Tracking Discharge
        1. 9.1.1.1 Design Requirements
        2. 9.1.1.2 Detailed Design Procedure
          1. 9.1.1.2.1 1. Determine the value of R1 AND R2
          2. 9.1.1.2.2 2. Choose the inductor
          3. 9.1.1.2.3 3. Choose the OCL setting resistance, RTRIP
          4. 9.1.1.2.4 Choose the output capacitors
        3. 9.1.1.3 Application Curves
      2. 9.1.2 DDR3, DCAP-2 500-kHz Application, with Tracking Discharge
        1. 9.1.2.1 Design Requirements
        2. 9.1.2.2 Detailed Design Procedure
          1. 9.1.2.2.1 Select Mode and Switching Frequency
          2. 9.1.2.2.2 Determine output capacitance
        3. 9.1.2.3 Application Curves
  10. 10Power Supply Recommendations
  11. 11Layout
    1. 11.1 Layout Guidelines
    2. 11.2 Layout Example
  12. 12デバイスおよびドキュメントのサポート
    1. 12.1 ドキュメントの更新通知を受け取る方法
    2. 12.2 コミュニティ・リソース
    3. 12.3 商標
    4. 12.4 静電気放電に関する注意事項
    5. 12.5 Glossary
  13. 13メカニカル、パッケージ、および注文情報

パッケージ・オプション

メカニカル・データ(パッケージ|ピン)
サーマルパッド・メカニカル・データ
発注情報

Functional Block Diagram

TPS51916 fbd_fiddler.gif