JAJS014X September   2003  – May 2025 TPS736

PRODUCTION DATA  

  1.   1
  2. 特長
  3. アプリケーション
  4. 概要
  5. ピン構成および機能
  6. 仕様
    1. 5.1 絶対最大定格
    2. 5.2 ESD 定格
    3. 5.3 推奨動作条件
    4. 5.4 熱に関する情報
    5. 5.5 熱に関する情報
    6. 5.6 電気的特性
    7. 5.7 代表的特性
  7. 詳細説明
    1. 6.1 概要
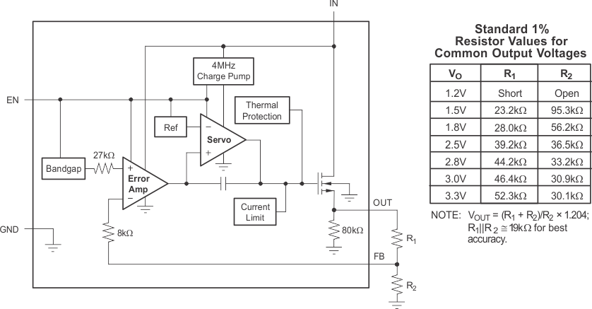
    2. 6.2 機能ブロック図
    3. 6.3 機能説明
      1. 6.3.1 出力ノイズ
      2. 6.3.2 内部電流制限
      3. 6.3.3 イネーブルおよびシャットダウン
      4. 6.3.4 逆電流
    4. 6.4 デバイスの機能モード
      1. 6.4.1 1.7V ≤ VIN ≤ 5.5V および VEN ≥ 1.7V での通常動作
  8. アプリケーションと実装
    1. 7.1 アプリケーション情報
    2. 7.2 代表的なアプリケーション
      1. 7.2.1 設計要件
      2. 7.2.2 詳細な設計手順
        1. 7.2.2.1 入出力コンデンサの要件
        2. 7.2.2.2 ドロップアウト電圧
        3. 7.2.2.3 過渡応答
      3. 7.2.3 アプリケーション曲線
    3. 7.3 電源に関する推奨事項
    4. 7.4 レイアウト
      1. 7.4.1 レイアウトのガイドライン
        1. 7.4.1.1 電力散逸
        2. 7.4.1.2 過熱保護
      2. 7.4.2 レイアウト例
  9. デバイスおよびドキュメントのサポート
    1. 8.1 デバイス サポート
      1. 8.1.1 開発サポート
        1. 8.1.1.1 評価基板
        2. 8.1.1.2 SPICE モデル
      2. 8.1.2 デバイスの命名規則
    2. 8.2 ドキュメントのサポート
      1. 8.2.1 関連資料
    3. 8.3 ドキュメントの更新通知を受け取る方法
    4. 8.4 サポート・リソース
    5. 8.5 商標
    6. 8.6 静電気放電に関する注意事項
    7. 8.7 用語集
  10. 改訂履歴
  11. 10メカニカル、パッケージ、および注文情報

パッケージ・オプション

メカニカル・データ(パッケージ|ピン)
サーマルパッド・メカニカル・データ
発注情報

機能ブロック図

TPS736 固定電圧バージョン図 6-1 固定電圧バージョン
TPS736 可変電圧バージョン図 6-2 可変電圧バージョン