JAJSGN3C December   2018  – December 2022 TPS7A25

PRODUCTION DATA  

  1. 特長
  2. アプリケーション
  3. 概要
  4. Revision History
  5. Pin Configuration and Functions
  6. Specifications
    1. 6.1 Absolute Maximum Ratings
    2. 6.2 ESD Ratings
    3. 6.3 Recommended Operating Conditions
    4. 6.4 Thermal Information
    5. 6.5 Electrical Characteristics
  7. Typical Characteristics
  8. Detailed Description
    1. 8.1 Overview
    2. 8.2 Functional Block Diagrams
    3. 8.3 Feature Description
      1. 8.3.1 Output Enable
      2. 8.3.2 Dropout Voltage
      3. 8.3.3 Current Limit
      4. 8.3.4 Undervoltage Lockout (UVLO)
      5. 8.3.5 Thermal Shutdown
      6. 8.3.6 Power Good
      7. 8.3.7 Active Overshoot Pulldown Circuitry
    4. 8.4 Device Functional Modes
      1. 8.4.1 Device Functional Mode Comparison
      2. 8.4.2 Normal Operation
      3. 8.4.3 Dropout Operation
      4. 8.4.4 Disabled
        1.       Application and Implementation
          1. 9.1 Application Information
            1. 9.1.1 Adjustable Device Feedback Resistors
            2. 9.1.2 Recommended Capacitor Types
            3. 9.1.3 Input and Output Capacitor Requirements
            4. 9.1.4 Reverse Current
            5. 9.1.5 Feed-Forward Capacitor (CFF)
            6. 9.1.6 Power Dissipation (PD)
            7. 9.1.7 Estimating Junction Temperature
            8. 9.1.8 Special Consideration for Line Transients
          2. 9.2 Typical Application
            1. 9.2.1 Design Requirements
            2. 9.2.2 Detailed Design Procedure
              1. 9.2.2.1 Transient Response
              2. 9.2.2.2 Selecting Feedback Divider Resistors
              3. 9.2.2.3 Thermal Dissipation
            3. 9.2.3 Application Curve
          3. 9.3 Power Supply Recommendations
          4. 9.4 Layout
            1. 9.4.1 Layout Guidelines
            2. 9.4.2 Layout Examples
  9. Device and Documentation Support
    1. 9.1 Device Support
      1. 9.1.1 Device Nomenclature
    2. 9.2 Documentation Support
      1. 9.2.1 Related Documentation
    3. 9.3 Receiving Notification of Documentation Updates
    4. 9.4 サポート・リソース
    5. 9.5 Trademarks
    6. 9.6 Electrostatic Discharge Caution
    7. 9.7 Glossary
  10. 10Mechanical, Packaging, and Orderable Information
    1. 10.1 Mechanical Data

パッケージ・オプション

デバイスごとのパッケージ図は、PDF版データシートをご参照ください。

メカニカル・データ(パッケージ|ピン)
  • DRV|6
サーマルパッド・メカニカル・データ
発注情報

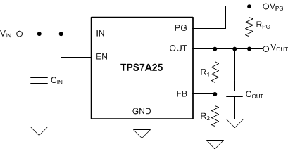
Typical Application

GUID-77182093-4D9A-4EFA-944B-727E3635924E-low.gifFigure 9-4 Generating a 5-V Rail From a Multicell Power Bank