JAJSFJ9B December   2017  – October 2019 UCC28064A

PRODUCTION DATA.  

  1. 特長
  2. アプリケーション
  3. 概要
    1.     Device Images
      1.      アプリケーション概略図
  4. 改訂履歴
  5. 概要(続き)
  6. Pin Configuration and Functions
    1.     Pin Functions
  7. Specifications
    1. 7.1 Absolute Maximum Ratings
    2. 7.2 ESD Ratings
    3. 7.3 Recommended Operating Conditions
    4. 7.4 Thermal Information
    5. 7.5 Electrical Characteristics
    6. 7.6 Typical Characteristics
  8. Detailed Description
    1. 8.1 Overview
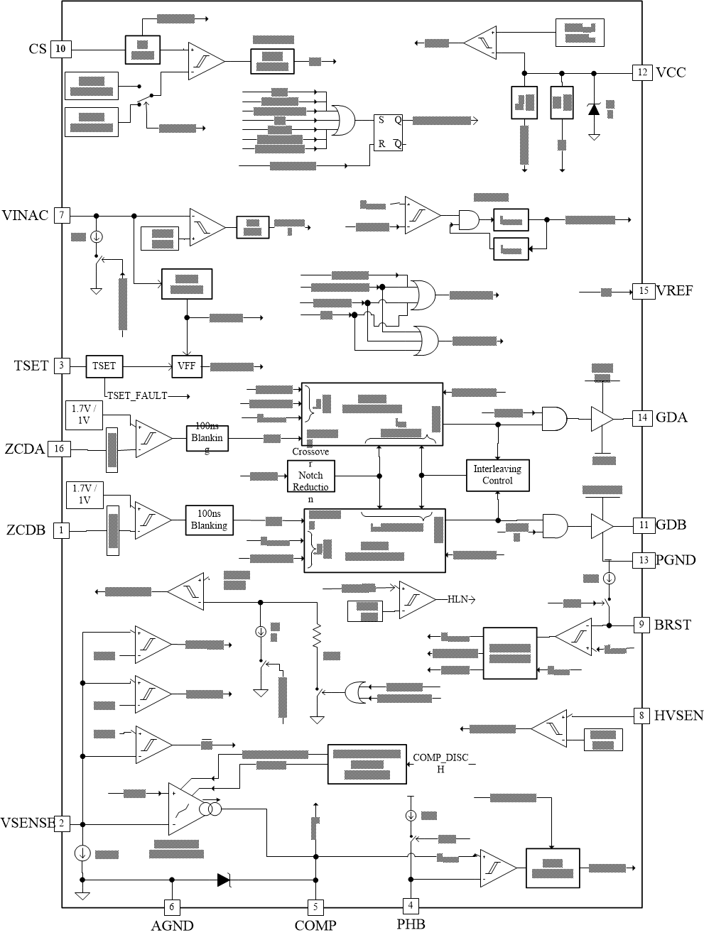
    2. 8.2 Functional Block Diagram
    3. 8.3 Feature Description
      1. 8.3.1  Principles of Operation
      2. 8.3.2  Natural Interleaving
      3. 8.3.3  On-Time Control, Maximum Frequency Limiting, Restart Timer and Input Voltage Feed-Forward compensation
      4. 8.3.4  Distortion Reduction
      5. 8.3.5  Zero-Current Detection and Valley Switching
      6. 8.3.6  Phase Management and Light-Load Operation
      7. 8.3.7  Burst Mode Operation
      8. 8.3.8  External Disable
      9. 8.3.9  Improved Error Amplifier
      10. 8.3.10 Soft Start
      11. 8.3.11 Brownout Protection
      12. 8.3.12 Line Dropout Detection
      13. 8.3.13 VREF
      14. 8.3.14 VCC
      15. 8.3.15 System Level Protections
        1. 8.3.15.1 Failsafe OVP - Output Over-voltage Protection
        2. 8.3.15.2 Overcurrent Protection
        3. 8.3.15.3 Open-Loop Protection
        4. 8.3.15.4 VCC Undervoltage Lock-Out (UVLO) Protection
        5. 8.3.15.5 Phase-Fail Protection
        6. 8.3.15.6 CS - Open, TSET - Open and Short Protection
        7. 8.3.15.7 Thermal Shutdown Protection
        8. 8.3.15.8 Fault Logic Diagram
    4. 8.4 Device Functional Modes
  9. Application and Implementation
    1. 9.1 Application Information
    2. 9.2 Typical Application
      1. 9.2.1 Design Requirements
      2. 9.2.2 Detailed Design Procedure
        1. 9.2.2.1  Custom Design With WEBENCH® Tools
        2. 9.2.2.2  Inductor Selection
        3. 9.2.2.3  ZCD Resistor Selection RZA, RZB
        4. 9.2.2.4  HVSEN
        5. 9.2.2.5  Output Capacitor Selection
        6. 9.2.2.6  Selecting RS For Peak Current Limiting
        7. 9.2.2.7  Power Semiconductor Selection (Q1, Q2, D1, D2)
        8. 9.2.2.8  Brownout Protection
        9. 9.2.2.9  Converter Timing
        10. 9.2.2.10 Programming VOUT
        11. 9.2.2.11 Voltage Loop Compensation
      3. 9.2.3 Application Curves
        1. 9.2.3.1 Input Ripple Current Cancellation with Natural Interleaving
        2. 9.2.3.2 Brownout Protection
  10. 10Power Supply Recommendations
  11. 11Layout
    1. 11.1 Layout Guidelines
    2. 11.2 Layout Example
  12. 12Package Option Addendum
    1. 12.1 Packaging Information
  13. 13デバイスおよびドキュメントのサポート
    1. 13.1 デバイス・サポート
      1. 13.1.1 開発サポート
        1. 13.1.1.1 WEBENCH®ツールによるカスタム設計
    2. 13.2 ドキュメントのサポート
      1. 13.2.1 関連資料
    3. 13.3 ドキュメントの更新通知を受け取る方法
    4. 13.4 コミュニティ・リソース
    5. 13.5 商標
    6. 13.6 静電気放電に関する注意事項
    7. 13.7 Glossary
  14. 14メカニカル、パッケージ、および注文情報

パッケージ・オプション

メカニカル・データ(パッケージ|ピン)
サーマルパッド・メカニカル・データ
発注情報

Functional Block Diagram

UCC28064A block2_slusc60.gif