JAJSCK3E July   2016  – November 2023 TUSB522P

PRODUCTION DATA  

  1.   1
  2. 特長
  3. アプリケーション
  4. 概要
  5. Revision History
  6. Pin Configuration and Functions
  7. Specifications
    1. 6.1 Absolute Maximum Ratings
    2. 6.2 ESD Ratings
    3. 6.3 Recommended Operating Conditions
    4. 6.4 Thermal Information
    5. 6.5 Electrical Characteristics, Power Supply
    6. 6.6 Electrical Characteristics, DC
    7. 6.7 Electrical Characteristics, AC
  8. Detailed Description
    1. 7.1 Overview
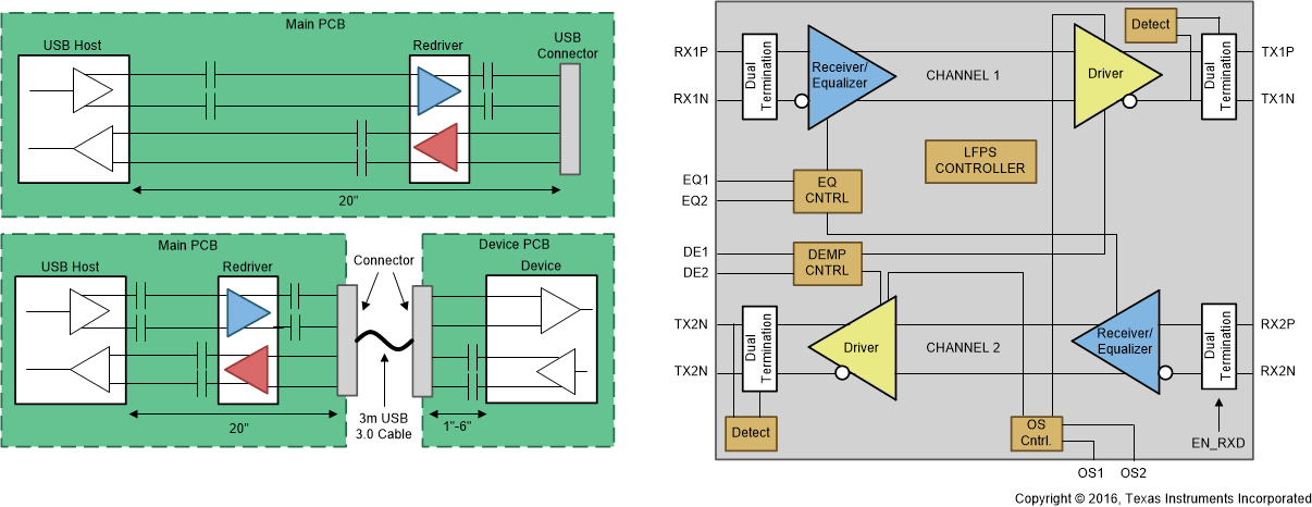
    2. 7.2 Functional Block Diagram
    3. 7.3 Feature Description
      1. 7.3.1 Receiver Equalization
      2. 7.3.2 De-Emphasis Control and Output Swing
      3. 7.3.3 Automatic LFPS Detection
    4. 7.4 Device Functional Modes
      1. 7.4.1 Device Configuration
      2. 7.4.2 Power Modes
        1. 7.4.2.1 U0 Mode (Active Power Mode)
        2. 7.4.2.2 U2/U3 (Low Power Mode)
        3. 7.4.2.3 Disconnect Mode - RX Detect
        4. 7.4.2.4 Shutdown Mode
  9. Application and Implementation
    1. 8.1 Application Information
    2. 8.2 Typical Application
      1. 8.2.1 Design Requirements
      2. 8.2.2 Detailed Design Procedure
        1. 8.2.2.1 ESD Protection
      3. 8.2.3 Application Curves
    3. 8.3 Power Supply Recommendations
    4. 8.4 Layout
      1. 8.4.1 Layout Guidelines
      2. 8.4.2 Layout Example
  10. Device and Documentation Support
    1. 9.1 ドキュメントの更新通知を受け取る方法
    2. 9.2 サポート・リソース
    3. 9.3 Trademarks
    4. 9.4 静電気放電に関する注意事項
    5. 9.5 用語集
  11. 10Mechanical, Packaging, and Orderable Information

概要

TUSB522P は、5Gbps をサポートする、第 4 世代、デュアル・チャネル、シングル・レーンの USB 3.1 GEN1 リドライバおよびシグナル・コンディショナです。このデバイスは超低電力アーキテクチャにより 3.3V 電源で動作し、低消費電力を実現します。USB 3.1 の低電力モードをサポートしているため、アイドル時の消費電力をさらに減らすことができます。

デュアル・チャネル機能により、システムは送信および受信の両方のデータパスで信号の整合性を維持できます。レシーバのイコライゼーションには 3 つのゲイン設定があり、挿入損失やシンボル間干渉によるチャネルの劣化を克服できます。これらの設定は EQ ピンから制御されます。伝送ライン損失を補償するため、出力ドライバはピン DE によるディエンファシスの構成をサポートしています。さらに、自動的な LFPS ディエンファシス制御により、完全な USB 3.1 準拠が可能になります。これらの設定により、最適な性能が実現され、信号の距離が延長され、TUSB522P を USB 3.1 GEN1 のパス内に柔軟に配置できます。

製品情報
部品番号 温度 パッケージ(1)
TUSB522P TA = 0℃~70℃ RGE (VQFN、24)
TUSB522PI TA = -40℃~85℃
利用可能なすべてのパッケージについては、データシートの末尾にある注文情報を参照してください。
GUID-C92CC0D3-662C-4A08-8C0E-369B5E20EAAA-low.gif概略回路図