JAJSDA4H February   2013  – June 2017 LM5122

PRODUCTION DATA.  

  1. 特長
  2. アプリケーション
  3. 概要
    1.     アプリケーション概略図
  4. 改訂履歴
  5. ピン構成および機能
    1.     ピン機能
  6. 仕様
    1. 6.1 絶対最大定格
    2. 6.2 ESD定格: LM5122、LM5122Z
    3. 6.3 推奨動作条件
    4. 6.4 熱に関する情報
    5. 6.5 電気的特性
    6. 6.6 代表的特性
  7. 詳細説明
    1. 7.1 概要
    2. 7.2 機能ブロック図
    3. 7.3 機能説明
      1. 7.3.1  低電圧誤動作防止(UVLO)
      2. 7.3.2  高電圧VCCレギュレータ
      3. 7.3.3  発振器
      4. 7.3.4  勾配補償
      5. 7.3.5  エラー・アンプ
      6. 7.3.6  PWMコンパレータ
      7. 7.3.7  ソフトスタート
      8. 7.3.8  HOおよびLOドライバ
      9. 7.3.9  バイパス動作(VOUT = VIN)
      10. 7.3.10 サイクル単位の電流制限
      11. 7.3.11 クロック同期
      12. 7.3.12 最大デューティ・サイクル
      13. 7.3.13 過熱保護
    4. 7.4 デバイスの機能モード
      1. 7.4.1 MODE制御(強制PWMモードおよびダイオード・エミュレーション・モード)
      2. 7.4.2 モード制御(スキップ・サイクル・モードおよびパルス・スキッピング・モード)
      3. 7.4.3 ヒカップ・モードの過負荷保護
      4. 7.4.4 スレーブ・モードとSYNCOUT
  8. アプリケーションと実装
    1. 8.1 アプリケーション情報
      1. 8.1.1 帰還補償
      2. 8.1.2 分数調波の発振
      3. 8.1.3 インターリーブ昇圧構成
      4. 8.1.4 DCRの検出
      5. 8.1.5 出力過電圧保護
      6. 8.1.6 SEPICコンバータの概略回路図
      7. 8.1.7 非絶縁同期整流フライバック・コンバータの概略回路図
      8. 8.1.8 負から正への変換
    2. 8.2 代表的なアプリケーション
      1. 8.2.1 設計要件
      2. 8.2.2 詳細な設計手順
        1. 8.2.2.1  WEBENCH®ツールによるカスタム設計
        2. 8.2.2.2  タイミング抵抗RT
        3. 8.2.2.3  UVLO分圧抵抗RUV2、RUV1
        4. 8.2.2.4  入力インダクタLIN
        5. 8.2.2.5  電流センス抵抗RS
        6. 8.2.2.6  電流センス・フィルタRCSFP、RCSFN、CCS
        7. 8.2.2.7  勾配補償抵抗RSLOPE
        8. 8.2.2.8  出力コンデンサCOUT
        9. 8.2.2.9  入力コンデンサCIN
        10. 8.2.2.10 VINフィルタRVIN、CVIN
        11. 8.2.2.11 ブートストラップ・コンデンサCBSTと、昇圧ダイオードDBST
        12. 8.2.2.12 VCCコンデンサCVCC
        13. 8.2.2.13 出力電圧分圧抵抗RFB1、RFB2
        14. 8.2.2.14 ソフトスタート・コンデンサCSS
        15. 8.2.2.15 再起動コンデンサCRES
        16. 8.2.2.16 ローサイド電力スイッチQL
        17. 8.2.2.17 ハイサイド電力スイッチQHと追加の並列ショットキー・ダイオード
        18. 8.2.2.18 スナバ部品
        19. 8.2.2.19 ループ補償部品CCOMP、RCOMP、CHF
      3. 8.2.3 アプリケーション曲線
  9. 電源に関する推奨事項
  10. 10レイアウト
    1. 10.1 レイアウトの注意点
    2. 10.2 レイアウト例
  11. 11デバイスおよびドキュメントのサポート
    1. 11.1 デバイス・サポート
      1. 11.1.1 開発サポート
        1. 11.1.1.1 WEBENCH®ツールによるカスタム設計
    2. 11.2 ドキュメントの更新通知を受け取る方法
    3. 11.3 コミュニティ・リソース
    4. 11.4 商標
    5. 11.5 静電気放電に関する注意事項
    6. 11.6 Glossary
  12. 12メカニカル、パッケージ、および注文情報

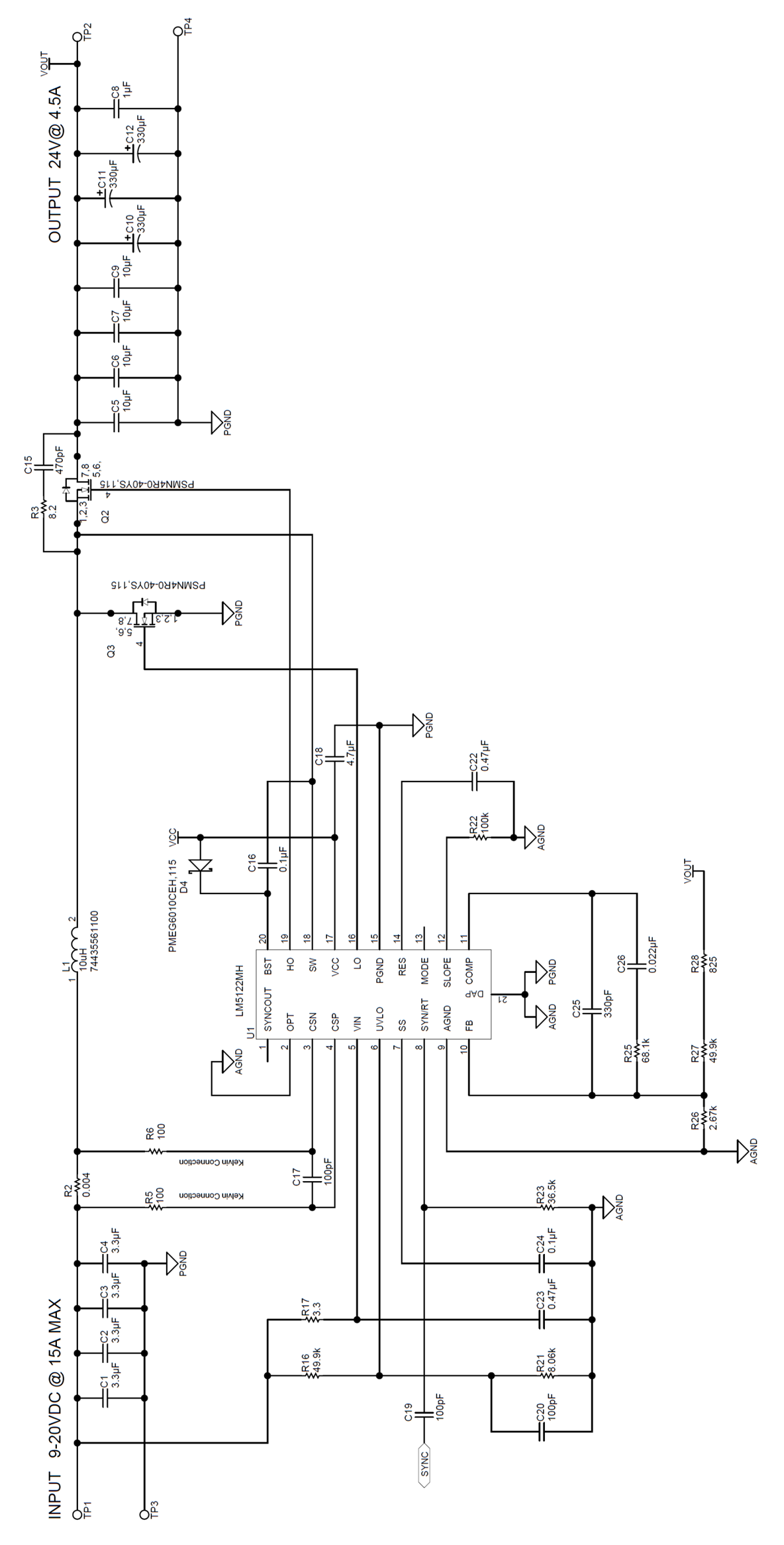
代表的なアプリケーション

LM5122 Schematic.pngFigure 40. 単相の回路図例