JAJSDB6D June   2017  – October 2024 AMC1303E0510 , AMC1303E0520 , AMC1303E2510 , AMC1303E2520 , AMC1303M0510 , AMC1303M0520 , AMC1303M2510 , AMC1303M2520

PRODUCTION DATA  

  1.   1
  2. 特長
  3. アプリケーション
  4. 概要
  5. デバイス比較表
  6. ピン構成および機能
  7. 仕様
    1. 6.1  絶対最大定格
    2. 6.2  ESD 定格
    3. 6.3  推奨動作条件
    4. 6.4  熱に関する情報
    5. 6.5  電力定格
    6. 6.6  絶縁仕様
    7. 6.7  安全関連認証
    8. 6.8  安全限界値
    9. 6.9  電気的特性:AMC1303x05x
    10. 6.10 電気的特性:AMC1303x25x
    11. 6.11 スイッチング特性
    12. 6.12 タイミング図
    13. 6.13 絶縁特性曲線
    14. 6.14 代表的特性
  8. 詳細説明
    1. 7.1 概要
    2. 7.2 機能ブロック図
    3. 7.3 機能説明
      1. 7.3.1 アナログ入力
      2. 7.3.2 変調器
      3. 7.3.3 絶縁チャネルの信号伝送
      4. 7.3.4 デジタル出力
      5. 7.3.5 マンチェスター符号化機能
    4. 7.4 デバイスの機能モード
      1. 7.4.1 フェイルセーフ出力
      2. 7.4.2 フルスケール入力の場合の出力動作
  9. アプリケーションと実装
    1. 8.1 アプリケーション情報
      1. 8.1.1 デジタル フィルタの使用
    2. 8.2 代表的なアプリケーション
      1. 8.2.1 周波数インバータ アプリケーション
        1. 8.2.1.1 設計要件
        2. 8.2.1.2 詳細な設計手順
        3. 8.2.1.3 アプリケーション曲線
      2. 8.2.2 絶縁電圧検出
        1. 8.2.2.1 設計要件
        2. 8.2.2.2 詳細な設計手順
        3. 8.2.2.3 アプリケーション曲線
      3. 8.2.3 設計のベスト プラクティス
    3. 8.3 電源に関する推奨事項
    4. 8.4 レイアウト
      1. 8.4.1 レイアウトのガイドライン
      2. 8.4.2 レイアウト例
  10. デバイスおよびドキュメントのサポート
    1. 9.1 デバイス サポート
      1. 9.1.1 デバイスの命名規則
        1. 9.1.1.1 絶縁の用語集
    2. 9.2 ドキュメントのサポート
      1. 9.2.1 関連資料
    3. 9.3 ドキュメントの更新通知を受け取る方法
    4. 9.4 サポート・リソース
    5. 9.5 商標
    6. 9.6 静電気放電に関する注意事項
    7. 9.7 用語集
  11. 10改訂履歴
  12. 11メカニカル、パッケージ、および注文情報

周波数インバータ アプリケーション

絶縁 ΔΣ 変調器は、高い AC および DC 性能を持つため、周波数インバータの設計に広く使用されています。周波数インバータは産業用モータ制御、ソーラー電池インバータ(ストリングおよび集中インバータ)、無停止電源装置(UPS)、その他の産業用アプリケーションにおいて重要な部品です。

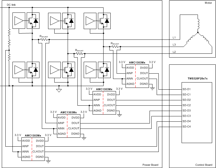
産業用モータ駆動に使用される、典型的な周波数インバータ アプリケーションにおける、AMC1303Mx の単純化された回路図を、図 8-2 に示します。ここでは、電流センシングにシャント抵抗 (RSHUNT) が使用されています。システムの設計に応じて、モータの位相電流のうち3つすべて、または2つだけが検出されます。

AMC1303E0510 AMC1303M0510 AMC1303E0520 AMC1303M0520   AMC1303E2510 AMC1303M2510 AMC1303E2520 AMC1303M2520 周波数インバータ アプリケーションにおけるAMC1303Mxの単純化された回路図図 8-2 周波数インバータ アプリケーションにおけるAMC1303Mxの単純化された回路図

AMC1303Ex のマンチェスター符号化されたビットストリーム出力により、電源と制御基板とを接続する配線の労力が最小化されることを、図 8-3 に示します。このビットストリーム出力によって、電源基板上でクロックをローカルに生成でき、マイクロコントローラのセットアップおよびホールド時間の要件を満たすために各DOUT接続の伝搬遅延時間を調整する必要がなくなります。

AMC1303E0510 AMC1303M0510 AMC1303E0520 AMC1303M0520   AMC1303E2510 AMC1303M2510 AMC1303E2520 AMC1303M2520 周波数インバータ アプリケーションにおけるAMC1303Exの単純化された回路図図 8-3 周波数インバータ アプリケーションにおけるAMC1303Exの単純化された回路図

前に示したどちらの例でも、DCリンクの絶縁電圧センシングをサポートするため、追加として4つ目のAMC1303が使用されます。この高電圧は抵抗分割器を使用して降圧され、より小さな抵抗の両端でデバイスにより検出されます。「絶縁電圧検出」セクションで説明しているように、この抵抗の値によって測定性能が低下する可能性があります。