JAJSFB7F April   2018  – October 2024 INA181-Q1 , INA2181-Q1 , INA4181-Q1

PRODUCTION DATA  

  1.   1
  2. 特長
  3. アプリケーション
  4. 概要
  5. デバイスの比較
  6. ピン構成および機能
  7. 仕様
    1. 6.1 絶対最大定格
    2. 6.2 ESD 定格
    3. 6.3 推奨動作条件
    4. 6.4 熱に関する情報
    5. 6.5 電気的特性
    6. 6.6 代表的特性
  8. 詳細説明
    1. 7.1 概要
    2. 7.2 機能ブロック図
    3. 7.3 機能説明
      1. 7.3.1 広い帯域幅と大きなスルーレート
      2. 7.3.2 双方向電流監視
      3. 7.3.3 広い入力同相電圧範囲
      4. 7.3.4 高精度ローサイド電流センシング
      5. 7.3.5 レール・ツー・レール出力
    4. 7.4 デバイスの機能モード
      1. 7.4.1 通常モード
      2. 7.4.2 単方向モード
      3. 7.4.3 双方向モード
      4. 7.4.4 入力差動過負荷
      5. 7.4.5 シャットダウン・モード
  9. アプリケーションと実装
    1. 8.1 アプリケーション情報
      1. 8.1.1 基本的な接続
      2. 8.1.2 RSENSE とデバイスのゲインの選択
      3. 8.1.3 信号フィルタリング
      4. 8.1.4 複数の電流の加算
      5. 8.1.5 リーク電流の検出
    2. 8.2 代表的なアプリケーション
      1. 8.2.1 設計要件
      2. 8.2.2 詳細な設計手順
      3. 8.2.3 アプリケーション曲線
    3. 8.3 電源に関する推奨事項
      1. 8.3.1 26V を超える同相過渡
    4. 8.4 レイアウト
      1. 8.4.1 レイアウトのガイドライン
      2. 8.4.2 レイアウト例
  10. デバイスおよびドキュメントのサポート
    1. 9.1 デバイスのサポート
      1. 9.1.1 開発サポート
    2. 9.2 ドキュメントのサポート
      1. 9.2.1 関連資料
    3. 9.3 ドキュメントの更新通知を受け取る方法
    4. 9.4 サポート・リソース
    5. 9.5 商標
    6. 9.6 静電気放電に関する注意事項
    7. 9.7 用語集
  11. 10改訂履歴
  12. 11メカニカル、パッケージ、および注文情報

機能ブロック図

INA181-Q1 INA2181-Q1 INA4181-Q1 INA181-Q1 の機能ブロック図図 7-1 INA181-Q1 の機能ブロック図
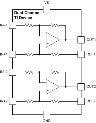
INA181-Q1 INA2181-Q1 INA4181-Q1 INA2181-Q1 の機能ブロック図図 7-2 INA2181-Q1 の機能ブロック図
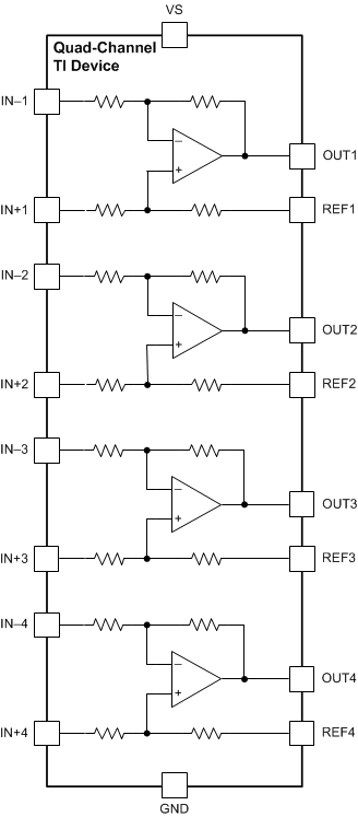
INA181-Q1 INA2181-Q1 INA4181-Q1 INA4181-Q1 の機能ブロック図図 7-3 INA4181-Q1 の機能ブロック図