JAJSOR2N August   1998  – February 2025 CD4051B , CD4051B-MIL , CD4052B , CD4052B-MIL , CD4053B , CD4053B-MIL

PRODUCTION DATA  

  1.   1
  2. 特長
  3. アプリケーション
  4. 概要
  5. Pin Configuration and Functions
  6. Specifications
    1. 5.1 Absolute Maximum Ratings
    2. 5.2 ESD Ratings
    3. 5.3 Recommended Operating Conditions
    4. 5.4 Thermal Information
    5. 5.5 Electrical Characteristics
    6. 5.6 AC Performance Characteristics
    7. 5.7 Typical Characteristics
  7. Parameter Measurement Information
  8. Detailed Description
    1. 7.1 Overview
    2. 7.2 Functional Block Diagrams
    3. 7.3 Feature Description
    4. 7.4 Device Functional Modes
  9. Application and Implementation
    1. 8.1 Application Information
    2. 8.2 Typical Application
      1. 8.2.1 Design Requirements
      2. 8.2.2 Detailed Design Procedure
      3. 8.2.3 Application Curve
    3. 8.3 Power Supply Recommendations
    4. 8.4 Layout
      1. 8.4.1 Layout Guidelines
      2. 8.4.2 Layout Example
  10. Device and Documentation Support
    1. 9.1 Documentation Support
      1. 9.1.1 Related Documentation
    2. 9.2 ドキュメントの更新通知を受け取る方法
    3. 9.3 サポート・リソース
    4. 9.4 Trademarks
    5. 9.5 静電気放電に関する注意事項
    6. 9.6 用語集
  11. 10Revision History
  12. 11Mechanical, Packaging, and Orderable Information

Functional Block Diagrams

CD4051B CD4052B CD4053B Functional Block Diagram, CD4051B
All inputs are protected by standard CMOS protection network.
Figure 7-1 Functional Block Diagram, CD4051B
CD4051B CD4052B CD4053B Functional Block Diagram, CD4052B
All inputs are protected by standard CMOS protection network.
Figure 7-2 Functional Block Diagram, CD4052B
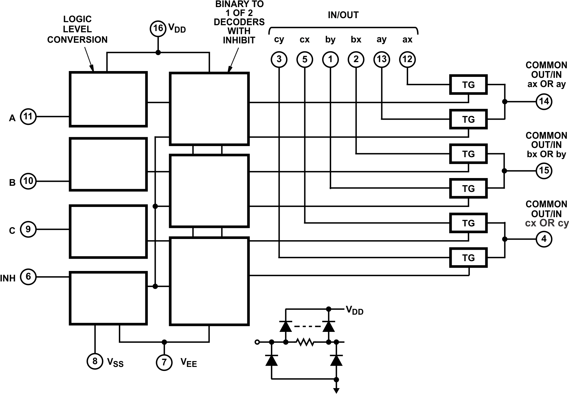
CD4051B CD4052B CD4053B Functional Block Diagram, CD4053B
All inputs are protected by standard CMOS protection network.
Figure 7-3 Functional Block Diagram, CD4053B