SLVAER4 August   2020  – MONTH  TPS61022

 

  1.   Trademarks
  2. 1Introduction
  3. 2Proposed Circuit Principle
  4. 3Loop Stability, Feedforward Capacitor Selection
  5. 4Schematic and Bench Test Results
    1. 4.1 Schematic
    2. 4.2 Bench Test Results
  6. 5Summary
  7. 6References

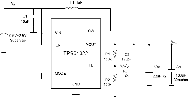
Schematic

Figure 4-1 shows the schematic for a typical supercap backup power application.

GUID-20200728-CA0I-VQ60-NDGW-RHGSSTHD1S75-low.gifFigure 4-1 TPS61022 Circuit With Feedfoward Capacitor

Although a large aluminum polymer capacitor CO2 is used, 1 to 2 multilayer X5R or X7R low ESR, 22-µF ceramic capacitors are also necessary and must be placed close to the VOUT pin and GND pin.

By inputting the parameter shown in Figure 4-1, TPS61022 calculation tool generate the loop bode plot shown in Figure 4-2 for VIN = 0.7 V. The crossover frequency is 5.6 kHz with 67.8° phase margin and 9.5-dB gain margin.

GUID-99AC3637-7578-47F3-ABDE-9D5DBAB1CEA3-low.gifFigure 4-2 Bode Plot With Recommended External Components