SLVU895B March   2013  – January 2022 LMZ31704 , LMZ31707 , LMZ31710

 

  1.   Trademarks
  2. 1Description
  3. 2Getting Started
  4. 3Test Point Descriptions
  5. 4Operation Notes
  6. 5Performance Data
  7. 6Schematic
  8. 7Bill of Materials
  9. 8PCB Layout
  10. 9Revision History

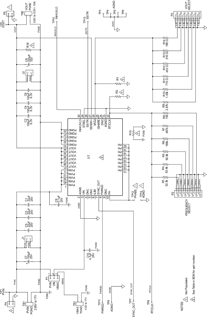
Schematic

Figure 6-1 is the schematic for this EVM.

GUID-266E069C-07B5-480A-878F-9264C404206C-low.gifFigure 6-1 LMZ317xxEVM Schematic