SBAS533E March 2011 – February 2023 ADS4222 , ADS4225 , ADS4226 , ADS4242 , ADS4245 , ADS4246
PRODUCTION DATA
The equivalent circuit of each LVDS output buffer is shown in #SBAS509IMG5887. After reset, the buffer presents an output impedance of 100 Ω to match with the external 100-Ω termination.

The VDIFF voltage is nominally 350 mV, resulting in an output swing of ±350 mV with 100-Ω external termination. The VDIFF voltage is programmable using the LVDS SWING register bits from ±125 mV to ±570 mV.
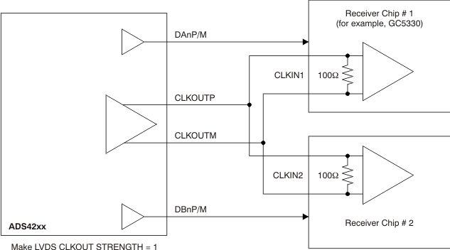
Additionally, a mode exists to double the strength of the LVDS buffer to support 50-Ω differential termination, as shown in #SBAS533IMG5238. This mode can be used when the output LVDS signal is routed to two separate receiver chips, each using a 100-Ω termination. The mode can be enabled using the LVDS DATA STRENGTH and LVDS CLKOUT STRENGTH register bits for data and output clock buffers, respectively.
The buffer output impedance behaves in the same way as a source-side series termination. By absorbing reflections from the receiver end, it helps to improve signal integrity.
Figure 8-23 LVDS Buffer Differential Termination