SLAA494B May   2011  – September 2023 MSP430AFE221 , MSP430AFE222 , MSP430AFE223 , MSP430AFE231 , MSP430AFE232 , MSP430AFE233 , MSP430AFE251 , MSP430AFE252 , MSP430AFE253

 

  1.   1
  2.   Implementation of a Single-Phase Electronic Watt-Hour Meter Using the MSP430AFE2xx
  3. Trademarks
  4. Introduction
  5. Block Diagram
  6. Hardware Implementation
    1. 4.1 Power Supply
      1. 4.1.1 Resistor Capacitor (RC) Power Supply
      2. 4.1.2 Switching-Based Power Supply
    2. 4.2 Analog Inputs
      1. 4.2.1 Voltage Inputs
      2. 4.2.2 Current Inputs
  7. Software Implementation
    1. 5.1 Peripherals Setup
      1. 5.1.1 SD24 Setup
    2. 5.2 Foreground Process
      1. 5.2.1 Formulas
        1. 5.2.1.1 Voltage and Current
        2. 5.2.1.2 Power and Energy
    3. 5.3 The Background Process
      1. 5.3.1 Voltage and Current Signals
      2. 5.3.2 Phase Compensation
      3. 5.3.3 Frequency Measurement and Cycle Tracking
      4. 5.3.4 LED Pulse Generation
    4. 5.4 Energy Meter Configuration
  8. Energy Meter Demo
    1. 6.1 EVM Overview
      1. 6.1.1 Connections to the Test Setup or AC Voltages
      2. 6.1.2 Power Supply Options
    2. 6.2 Loading the Example Code
      1. 6.2.1 Opening the Project
  9. Results
    1. 7.1 Viewing Results on PC
    2. 7.2 Viewing Results During Debug
  10. Important Notes
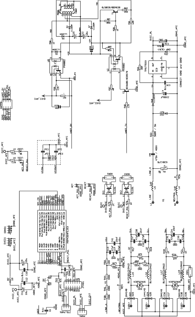
  11. Schematics
  12. 10References
  13. 11Revision History

Schematics

GUID-56D01E2A-7E08-4CDD-8B7D-79B643AA4B7A-low.gif Figure 9-1 Schematic 1
GUID-F34066E9-7B08-4728-B741-601D6FDD046D-low.gif Figure 9-2 Schematic 2
GUID-EF79434F-3042-4614-9E9C-44A6B50F25FD-low.gif Figure 9-3 Schematic 3