SLASEK6 October   2017 MSP432E411Y

PRODUCTION DATA.  

  1. 1Device Overview
    1. 1.1 Features
    2. 1.2 Applications
    3. 1.3 Description
    4. 1.4 Functional Block Diagram
  2. 2Revision History
  3. 3Device Characteristics
    1. 3.1 Related Products
  4. 4Terminal Configuration and Functions
    1. 4.1 Pin Diagram
    2. 4.2 Pin Attributes
    3. 4.3 Signal Descriptions
      1. Table 4-3 Signal Descriptions
    4. 4.4 GPIO Pin Multiplexing
    5. 4.5 Buffer Type
    6. 4.6 Connections for Unused Pins
  5. 5Specifications
    1. 5.1  Absolute Maximum Ratings
    2. 5.2  ESD Ratings
    3. 5.3  Recommended Operating Conditions
    4. 5.4  Recommended DC Operating Conditions
    5. 5.5  Recommended GPIO Operating Characteristics
    6. 5.6  Recommended Fast GPIO Pad Operating Conditions
    7. 5.7  Recommended Slow GPIO Pad Operating Conditions
    8. 5.8  GPIO Current Restrictions
    9. 5.9  I/O Reliability
    10. 5.10 Current Consumption
    11. 5.11 Peripheral Current Consumption
    12. 5.12 LDO Regulator Characteristics
    13. 5.13 Power Dissipation
    14. 5.14 Thermal Resistance Characteristics, 212-Pin ZAD (NFBGA) Package
    15. 5.15 Timing and Switching Characteristics
      1. 5.15.1  Load Conditions
      2. 5.15.2  Power Supply Sequencing
        1. 5.15.2.1 Power and Brownout
          1. Table 5-3 Power and Brownout Levels
          2. 5.15.2.1.1 VDDA Levels
          3. 5.15.2.1.2 VDD Levels
          4. 5.15.2.1.3 VDDC Levels
          5. 5.15.2.1.4 VDD Glitch Response
          6. 5.15.2.1.5 VDD Droop Response
      3. 5.15.3  Reset Timing
        1. Table 5-4 Reset Characteristics
      4. 5.15.4  Clock Specifications
        1. 5.15.4.1 PLL Specifications
          1. Table 5-5 Phase Locked Loop (PLL) Characteristics
          2. 5.15.4.1.1 PLL Configuration
        2. 5.15.4.2 PIOSC Specifications
        3. 5.15.4.3 Low-Frequency Oscillator Specifications
          1. Table 5-9 Low-Frequency Oscillator Characteristics
        4. 5.15.4.4 Hibernation Low-Frequency Oscillator Specifications
          1. Table 5-10 Hibernation External Oscillator (XOSC) Input Characteristics
          2. Table 5-11 Hibernation Internal Low-Frequency Oscillator Clock Characteristics
        5. 5.15.4.5 Main Oscillator Specifications
          1. Table 5-12 Main Oscillator Input Characteristics
        6. 5.15.4.6 Main Oscillator Specification WIth ADC
          1. Table 5-14 System Clock Characteristics With ADC Operation
        7. 5.15.4.7 System Clock Characteristics With USB Operation
          1. Table 5-15 System Clock Characteristics With USB Operation
      5. 5.15.5  Sleep Modes
        1. Table 5-16 Wake From Sleep Characteristics
        2. Table 5-17 Wake From Deep Sleep Characteristics
      6. 5.15.6  Hibernation Module
        1. Table 5-18 Hibernation Module Battery Characteristics
        2. Table 5-19 Hibernation Module Characteristics
        3. Table 5-20 Hibernation Module Tamper I/O Characteristics
      7. 5.15.7  Flash Memory
        1. Table 5-21 Flash Memory Characteristics
      8. 5.15.8  EEPROM
        1. Table 5-22 EEPROM Characteristics
      9. 5.15.9  Input/Output Pin Characteristics
        1. Table 5-23 Fast GPIO Module Characteristics
        2. Table 5-24 Slow GPIO Module Characteristics
        3. 5.15.9.1    Types of I/O Pins and ESD Protection
          1. 5.15.9.1.1 Hibernate WAKE pin
            1. Table 5-25 Pad Voltage and Current Characteristics for Hibernate WAKE Pin
          2. 5.15.9.1.2 Nonpower I/O Pins
            1. Table 5-26 Nonpower I/O Pad Voltage and Current Characteristics
      10. 5.15.10 External Peripheral Interface (EPI)
        1. Table 5-28 EPI SDRAM Characteristics
        2. Table 5-29 EPI SDRAM Interface Characteristics
        3. Table 5-30 EPI Host-Bus 8 and Host-Bus 16 Interface Characteristics
        4. Table 5-31 EPI General-Purpose Interface Characteristics
        5. Table 5-32 EPI PSRAM Interface Characteristics
      11. 5.15.11 Analog-to-Digital Converter (ADC)
        1. Table 5-33 Electrical Characteristics for ADC at 1 Msps
        2. Table 5-34 Electrical Characteristics for ADC at 2 Msps
      12. 5.15.12 Synchronous Serial Interface (SSI)
        1. Table 5-35 SSI Characteristics
        2. Table 5-36 Bi- and Quad-SSI Characteristics
      13. 5.15.13 Inter-Integrated Circuit (I2C) Interface
        1. Table 5-37 I2C Characteristics
      14. 5.15.14 Ethernet Controller
        1. 5.15.14.1 DC Characteristics
          1. Table 5-38 Ethernet PHY DC Characteristics
        2. 5.15.14.2 Clock Characteristics for Ethernet
          1. Table 5-39 MOSC 25-MHz Crystal Specification
          2. Table 5-40 MOSC Single-Ended 25-MHz Oscillator Specification
          3. Table 5-41 EN0RREF_CLK 50-MHz Oscillator Specification
        3. 5.15.14.3 AC Characteristics
          1. Table 5-42 Ethernet Controller Enable and Software Reset Timing
          2. Table 5-43 MII Serial Management Timing
          3. Table 5-44 100-Mbps MII Transmit Timing
          4. Table 5-45 100-Mbps MII Receive Timing
          5. Table 5-46 100Base-TX Transmit Timing
          6. Table 5-47 10-Mbps MII Transmit Timing
          7. Table 5-48 10-Mbps MII Receive Timing
          8. Table 5-49 10Base-T Normal Link Pulse Timing
          9. Table 5-50 Auto-Negotiation Fast Link Pulse (FLP) Timing
          10. Table 5-51 100Base-TX Signal Detect Timing
          11. Table 5-52 RMII Transmit Timing
          12. Table 5-53 RMII Receive Timing
      15. 5.15.15 Universal Serial Bus (USB) Controller
        1. Table 5-54 ULPI Interface Timing
      16. 5.15.16 LCD Controller
        1. Table 5-55 LCD Controller Load Capacitance Limits
        2. 5.15.16.1   LCD Interface Display Driver (LIDD Mode)
          1. Table 5-56 LCD Switching Characteristics
          2. Table 5-57 Timing Requirements for LCDDATA in LIDD Mode
          3. 5.15.16.1.1 Hitachi Mode
          4. 5.15.16.1.2 Motorola 6800 Mode
          5. 5.15.16.1.3 Intel 8080 Mode
        3. 5.15.16.2   LCD Raster Mode
          1. Table 5-58 Switching Characteristics for LCD Raster Mode
      17. 5.15.17 Analog Comparator
        1. Table 5-59 Analog Comparator Characteristics
        2. Table 5-60 Analog Comparator Characteristics
        3. Table 5-61 Analog Comparator Voltage Reference Characteristics
        4. Table 5-62 Analog Comparator Voltage Reference Characteristics
      18. 5.15.18 Pulse-Width Modulator (PWM)
        1. Table 5-63 PWM Timing Characteristics
      19. 5.15.19 Emulation and Debug
        1. Table 5-64 JTAG Characteristics
  6. 6Detailed Description
    1. 6.1 Overview
    2. 6.2 Functional Block Diagram
    3. 6.3 Arm Cortex-M4F Processor Core
      1. 6.3.1 Processor Core
      2. 6.3.2 System Timer (SysTick)
      3. 6.3.3 Nested Vectored Interrupt Controller (NVIC)
      4. 6.3.4 System Control Block (SCB)
      5. 6.3.5 Memory Protection Unit (MPU)
      6. 6.3.6 Floating-Point Unit (FPU)
    4. 6.4 On-Chip Memory
      1. 6.4.1 SRAM
      2. 6.4.2 Flash Memory
      3. 6.4.3 ROM
      4. 6.4.4 EEPROM
      5. 6.4.5 Memory Map
    5. 6.5 Peripherals
      1. 6.5.1  External Peripheral Interface (EPI)
      2. 6.5.2  Cyclical Redundancy Check (CRC)
      3. 6.5.3  Advanced Encryption Standard (AES) Accelerator
      4. 6.5.4  Data Encryption Standard (DES) Accelerator
      5. 6.5.5  Secure Hash Algorithm/Message Digest Algorithm (SHA/MD5) Accelerator
      6. 6.5.6  Serial Communications Peripherals
        1. 6.5.6.1 Ethernet MAC and PHY
        2. 6.5.6.2 Controller Area Network (CAN)
        3. 6.5.6.3 Universal Serial Bus (USB)
        4. 6.5.6.4 Universal Asynchronous Receiver/Transmitter (UART)
        5. 6.5.6.5 1-Wire Master Module
        6. 6.5.6.6 Inter-Integrated Circuit (I2C)
        7. 6.5.6.7 Quad Synchronous Serial Interface (QSSI)
      7. 6.5.7  System Integration
        1. 6.5.7.1 Direct Memory Access (DMA)
        2. 6.5.7.2 System Control and Clocks
        3. 6.5.7.3 Programmable Timers
        4. 6.5.7.4 Capture Compare PWM (CCP) Pins
        5. 6.5.7.5 Hibernation (HIB) Module
        6. 6.5.7.6 Watchdog Timers
        7. 6.5.7.7 Programmable GPIOs
      8. 6.5.8  LCD Controller
      9. 6.5.9  Advanced Motion Control
        1. 6.5.9.1 Pulse Width Modulation (PWM)
        2. 6.5.9.2 Quadrature Encoder With Index (QEI) Module
      10. 6.5.10 Analog
        1. 6.5.10.1 ADC
        2. 6.5.10.2 Analog Comparators
      11. 6.5.11 JTAG and Arm Serial Wire Debug
      12. 6.5.12 Peripheral Memory Map
    6. 6.6 Identification
    7. 6.7 Boot Modes
  7. 7Applications, Implementation, and Layout
    1. 7.1 System Design Guidelines
  8. 8Device and Documentation Support
    1. 8.1 Getting Started and Next Steps
    2. 8.2 Device Nomenclature
    3. 8.3 Tools and Software
    4. 8.4 Documentation Support
    5. 8.5 Community Resources
    6. 8.6 Trademarks
    7. 8.7 Electrostatic Discharge Caution
    8. 8.8 Export Control Notice
    9. 8.9 Glossary
  9. 9Mechanical, Packaging, and Orderable Information

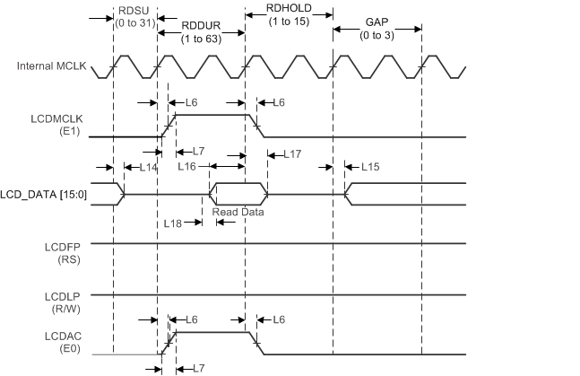
Hitachi Mode

Hitachi mode is an asynchronous mode that does not use an external LCDMCLK and allows for full programmability of the read and write strobes, data, and enables through the LIDDCS0CFG register. In addition to the parameter delays configured in the LIDDCS0CFG register, the delay times in the following figures that are from the internal MCLK to the signal output must be added to the programmed delays for full timing information. All of the parameter values associated with the following figures can be found in Table 5-56 and Table 5-57.

In Figure 5-48, Figure 5-49, and Figure 5-50 the second LCDMCLK is shown as E1 and can be used as the enable strobe for a second display in Hitachi mode. The primary enable strobe is the LCDAC signal.

NOTE

The acronyms WRSU, WRDUR, WRHOLD, and GAP in the following figures correspond to the bit fields of the LIDDCS0CFG register described in Section 5.15.16.1.

MSP432E411Y lcd_cmd_wr_hit.gifFigure 5-48 Command Write in Hitachi Mode
MSP432E411Y lcd_data_wr_hit.gifFigure 5-49 Data Write in Hitachi Mode
MSP432E411Y lcd_cmd_rd_hit.gifFigure 5-50 Command Read in Hitachi Mode
MSP432E411Y lcd_data_rd_hit.gifFigure 5-51 Data Read in Hitachi Mode