SLLSEN9F May   2015  – March 2022 TUSB320

PRODUCTION DATA  

  1. Features
  2. Applications
  3. Description
  4. Revision History
  5. Pin Configuration and Functions
  6. Specifications
    1. 6.1 Absolute Maximum Ratings
    2. 6.2 ESD Ratings
    3. 6.3 Recommended Operating Conditions
    4. 6.4 Thermal Information
    5. 6.5 Electrical Characteristics
    6. 6.6 Timing Requirements
    7. 6.7 Switching Characteristics
  7. Detailed Description
    1. 7.1 Overview
    2. 7.2 Functional Block Diagram
      1. 7.2.1 Cables, Adapters, and Direct Connect Devices
        1. 7.2.1.1 USB Type-C Receptacles and Plugs
        2. 7.2.1.2 USB Type-C Cables
        3. 7.2.1.3 Legacy Cables and Adapters
        4. 7.2.1.4 Direct Connect Devices
        5. 7.2.1.5 Audio Adapters
    3. 7.3 Feature Description
      1. 7.3.1 Port Role Configuration
        1. 7.3.1.1 Downstream Facing Port (DFP) – Source
        2. 7.3.1.2 Upstream Facing Port (UFP) – Sink
        3. 7.3.1.3 Dual Role Port (DRP)
      2. 7.3.2 Type-C Current Mode
      3. 7.3.3 Accessory Support
        1. 7.3.3.1 Audio Accessory
        2. 7.3.3.2 Debug Accessory
      4. 7.3.4 I2C and GPIO Control
      5. 7.3.5 VBUS Detection
    4. 7.4 Device Functional Modes
      1. 7.4.1 Unattached Mode
      2. 7.4.2 Active Mode
      3. 7.4.3 Dead Battery Mode
      4. 7.4.4 Shutdown Mode
    5. 7.5 Programming
    6. 7.6 Register Maps
  8. Application and Implementation
    1. 8.1 Application Information
    2. 8.2 Typical Application
      1. 8.2.1 DRP in I2C Mode
        1. 8.2.1.1 Design Requirements
        2. 8.2.1.2 Detailed Design Procedure
        3. 8.2.1.3 Application Curves
      2. 8.2.2 DFP in I2C Mode
        1. 8.2.2.1 Design Requirements
        2. 8.2.2.2 Detailed Design Procedure
        3. 8.2.2.3 Application Curves
      3. 8.2.3 UFP in I2C Mode
        1. 8.2.3.1 Design Requirements
        2. 8.2.3.2 Detailed Design Procedure
        3. 8.2.3.3 Application Curves
    3. 8.3 Initialization Set Up
  9. Power Supply Recommendations
  10. 10Layout
    1. 10.1 Layout Guidelines
    2. 10.2 Layout Example
  11. 11Device and Documentation Support
    1. 11.1 Receiving Notification of Documentation Updates
    2. 11.2 Support Resources
    3. 11.3 Trademarks
    4. 11.4 Electrostatic Discharge Caution
    5. 11.5 Glossary
  12. 12Mechanical, Packaging, and Orderable Information

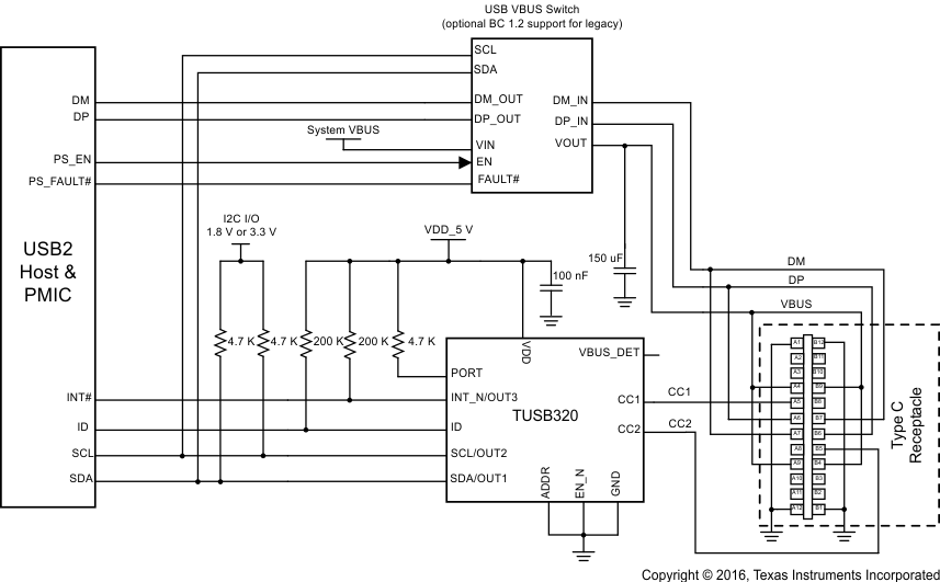
DFP in I2C Mode

Figure 8-9 shows the TUSB320 device configured as a DFP in I2C mode.

GUID-3E0EA566-110C-4BA0-8605-44339B656B58-low.gifFigure 8-9 DFP in I2C Mode Schematic