SLLSEP9I september   2015  – august 2023 SN6505A , SN6505B

PRODUCTION DATA  

  1.   1
  2. Features
  3. Applications
  4. Description
  5. Revision History
  6. Pin Configuration and Functions
  7. Specifications
    1. 6.1 Absolute Maximum Ratings
    2. 6.2 ESD Ratings
    3. 6.3 Recommended Operating Conditions
    4. 6.4 Thermal Information
    5. 6.5 Electrical Characteristics
    6. 6.6 Timing Requirements
    7. 6.7 Typical Characteristics, SN6505A
    8. 6.8 Typical Characteristics, SN6505B
  8. Parameter Measurement Information
  9. Detailed Description
    1. 8.1 Overview
    2. 8.2 Functional Block Diagram
    3. 8.3 Feature Description
      1. 8.3.1 Push-Pull Converter
      2. 8.3.2 Core Magnetization
    4. 8.4 Device Functional Modes
      1. 8.4.1 Start-Up Mode
        1. 8.4.1.1 Soft-Start
      2. 8.4.2 Operating Mode
      3. 8.4.3 Shutdown-Mode
      4. 8.4.4 Spread Spectrum Clocking
      5. 8.4.5 External Clock Mode
  10. Application and Implementation
    1. 9.1 Application Information
    2. 9.2 Typical Application
      1. 9.2.1 Design Requirements
      2. 9.2.2 Detailed Design Procedure
        1. 9.2.2.1 Drive Capability
        2. 9.2.2.2 LDO Selection
        3. 9.2.2.3 Diode Selection
        4. 9.2.2.4 Capacitor Selection
        5. 9.2.2.5 Transformer Selection
          1. 9.2.2.5.1 V-t Product Calculation
          2. 9.2.2.5.2 Turns Ratio Estimate
          3. 9.2.2.5.3 Recommended Transformers
      3. 9.2.3 Application Curves
      4. 9.2.4 System Examples
        1. 9.2.4.1 Higher Output Voltage Designs
        2. 9.2.4.2 Application Circuits
  11. 10Power Supply Recommendations
  12. 11Layout
    1. 11.1 Layout Guidelines
    2. 11.2 Layout Example
  13. 12Device and Documentation Support
    1. 12.1 Device Support
    2. 12.2 Documentation Support
      1. 12.2.1 Related Documentation
    3. 12.3 Related Links
    4. 12.4 Receiving Notification of Documentation Updates
    5. 12.5 Community Resources
    6. 12.6 Trademarks
  14. 13Mechanical, Packaging, and Orderable Information

Application Information

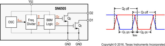
The SN6505 is a transformer driver designed for low-cost, small form-factor, isolated DC/DC converters using the push-pull topology. The device includes an oscillator that feeds a gate-drive circuit. The gate-drive, comprising a frequency divider and a break-before-make (BBM) logic, provides two complementary output signals which alternately turn the two output transistors on and off.

GUID-5BCC4CB7-EB21-464B-A94A-429F2BEE527B-low.gifFigure 9-1 Block Diagram and Output Timing With Break-Before-Make Action

The output frequency of the oscillator is divided down by an asynchronous divider that provides two complementary output signals, S and S, with a 50% duty cycle. A subsequent break-before-make logic inserts a dead-time between the high-pulses of the two signals. The resulting output signals, G1 and G2, present the gate-drive signals for the output transistors Q1 and Q2. As shown in Figure 9-2, before either one of the gates can assume logic high, there must be a short time period during which both signals are low and both transistors are high-impedance. This short period, known as break-before-make time, is required to avoid shorting out both ends of the primary.

GUID-58A0287C-DAD6-4F1A-BFF2-ABDE500A8337-low.pngFigure 9-2 Detailed Output Signal Waveforms