SLUSEG7C December   2021  â€“ October 2024 BQ77207

PRODUCTION DATA  

  1.   1
  2. Features
  3. Applications
  4. Description
  5. Device Comparison Table
  6. Pin Configuration and Functions
  7. Specifications
    1. 6.1 Absolute Maximum Ratings
    2. 6.2 ESD Ratings
    3. 6.3 Recommended Operating Conditions
    4. 6.4 Thermal Information
    5. 6.5 DC Characteristics
    6. 6.6 Timing Requirements
  8. Detailed Description
    1. 7.1 Overview
    2. 7.2 Functional Block Diagram
    3. 7.3 Feature Description
      1. 7.3.1 Voltage Fault Detection
      2. 7.3.2 Open Wire Fault Detection
      3. 7.3.3 Temperature Fault Detection
      4. 7.3.4 Oscillator Health Check
      5. 7.3.5 Sense Positive Input for Vx
      6. 7.3.6 Output Drive, COUT and DOUT
      7. 7.3.7 The LATCH Function
      8. 7.3.8 Supply Input, VDD
    4. 7.4 Device Functional Modes
      1. 7.4.1 NORMAL Mode
      2. 7.4.2 FAULT Mode
      3. 7.4.3 Customer Test Mode
  9. Application and Implementation
    1. 8.1 Application Information
      1. 8.1.1 Design Requirements
      2. 8.1.2 Detailed Design Procedure
        1. 8.1.2.1 Cell Connection Sequence
    2. 8.2 Systems Example
  10. Power Supply Recommendations
  11. 10Layout
    1. 10.1 Layout Guidelines
    2. 10.2 Layout Example
  12. 11Device and Documentation Support
    1. 11.1 Third-Party Products Disclaimer
    2. 11.2 Receiving Notification of Documentation Updates
    3. 11.3 Support Resources
    4. 11.4 Trademarks
    5. 11.5 Electrostatic Discharge Caution
    6. 11.6 Glossary
  13. 12Revision History
  14. 13Mechanical, Packaging, and Orderable Information

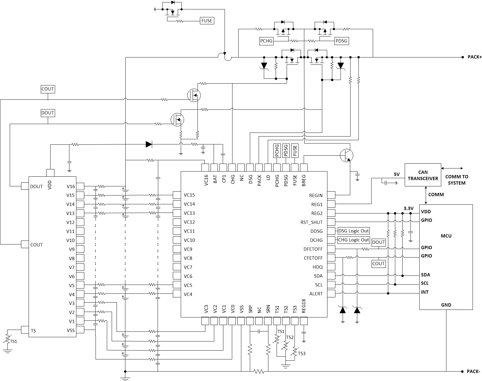
Systems Example

In this application example, the choice of a FUSE or FETs is required on the COUT and DOUT pins—configured as an active high drive to 6V outputs.

BQ77207 5-Series Cell
          Configuration with Active High 6V Option Figure 8-3 5-Series Cell Configuration with Active High 6V Option

When paring with the BQ769x2 or BQ76940 devices, the top cell must be used. For the BQ77207 device to drive the CHG and DSG FETs, the active high 6V option is preferred. Its COUT and DOUT are controlling two N-CH FETs to jointly control the CHG and DSG FETs with the monitoring device. For such joint architecture, the open-wire feature of the BQ77207 device may be affected if the primary protector or monitor device is actively measuring the cells. Care is needed to ensure the VOW spec of the BQ77207 device is met or to choose a version of the BQ77207 device with open wire disabled. When working with a BQ769x2 device, the LOOPSLOW setting of the BQ769x2 device should be set to 0x11 to ensure the BQ77207 VOW spec is met.  

BQ77207 BQ77207 with BQ76952 Figure 8-4 BQ77207 with BQ76952