SLUUBL7A February   2017  – February 2022 TPS543C20

 

  1.   Trademarks
  2. Introduction
    1. 1.1 Before You Begin
  3. Description
    1. 2.1 Typical End-User Applications
    2. 2.2 EVM Features
  4. EVM Electrical Performance Specifications
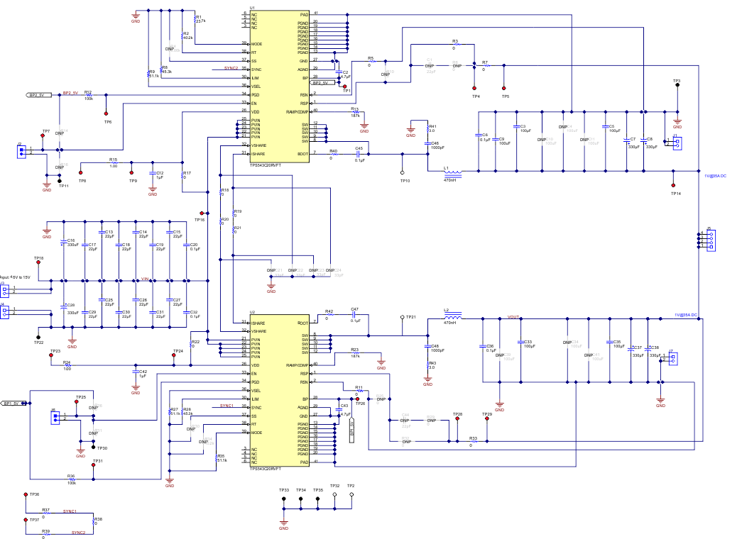
  5. Schematic
  6. Test Equipment
  7. TPS543C20EVM-869
  8. List of Test Points, Jumpers, and Switches
  9. Test Procedure
    1. 8.1 Line and Load Regulation Measurement Procedure
    2. 8.2 Efficiency
    3. 8.3 Equipment Shutdown
  10. Performance Data and Typical Characteristic Curves
    1. 9.1 Load Regulation
    2. 9.2 Efficiency
    3. 9.3 Power Loss
    4. 9.4 Transient Response
    5. 9.5 Output Ripple
    6. 9.6 Enable On
    7. 9.7 Control On and Off
    8. 9.8 Thermal Image
  11. 10EVM Assembly Drawing and PCB Layout
  12. 11List of Materials
  13. 12Revision History

Schematic

Figure 4-1 illustrates the EVM schematic.

GUID-3AA30B39-01AF-4D3F-8840-F99A7C5D3A15-low.gifFigure 4-1 TPS543C20EVM-869 Schematic