SLVAEG2A August   2019  – May 2021 LM10011 , TPS53515 , TPS53915 , TPS543B20 , TPS543C20A , TPS54424 , TPS544B20 , TPS546D24 , TPS546D24A , TPS54824 , TPS548A20 , TPS549A20 , TPS549B22 , TPS549D22 , TPS54A24

 

  1.   Trademarks
  2. 1Suggested DC/DC Converters
  3. 2Adaptive Voltage Scaling
  4. 3High Efficiency and Thermal Performance
  5. 4Current Sharing
  6. 5Voltage Regulation Accuracy
  7. 6Conclusion
  8. 7Resources
  9. 8Revision History

Adaptive Voltage Scaling

Adaptive voltage scaling (AVS) is the adaptation or modification of the supply voltage for a processor (given the processing strength). The supply voltage of the DC/DC converter can be adjusted to minimize power while still achieving desired performance. In hardware accelerator applications, the processor can allow the DC/DC converter to increase or decrease supply voltage based on the required performance. When the supply voltage is reduced, the power consumption of the processor is reduced. This is displayed in Equation 1, where C is the transistor capacitance of the processor. Since power consumption and heat generation are key concerns, especially in high ambient temperature environments, using AVS results in substantially improved processor thermal performance, energy savings, and long-term reliability. Advanced processors typically use a serial communication protocol to set the DC/DC converter’s output voltage, but there are other alternative approaches. These include using external MOSFETs to adjust the voltage divider resistors of the feedback loop, or, as shown in Figure 2-1, implementing a parallel identification scheme by placing the LM10011 VID voltage programmer in the feedback loop of any DC/DC converter.

GUID-12625347-44AF-4EDF-8026-FF52D4F7D2F8-low.gif Figure 2-1 Using LM10011 for AVS
Equation 1. P   =   1 2 × C × V 2

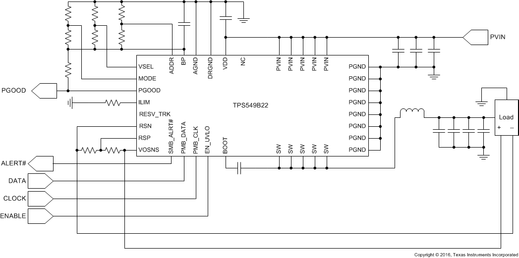
DC/DC converters with an integrated serial bus supporting AVS are the easiest to implement. The PMBus protocol is a simple and powerful open-industry specification that unifies the communication standards for digital power-management systems and power conversion devices. It is the widely accepted Inter-Integrated Circuit (I2C) communication protocol for defining the physical layer. Many DC/DC converters from Texas Instruments with PMBus feature the VOUT_COMMAND to adjust the output voltage on-the-fly. The output voltage can also be adjusted on-the-fly by the VOUT_MARGIN_HIGH and VOUT_MARGIN_LOW commands. The support range for the VOUT_COMMAND of the 25-A TPS549D22, for example, is 0.5996 V to 1.1992 V. Please note that supported PMBus commands differ from one DC/DC converter to another, and it is wise to check the data sheet for the list of supported commands. Any power management device only needs one command to be PMBus-compliant. More DC/DC converters feature telemetry to read voltage, current, and temperature for improved thermal management capability and fault reporting, in addition to supporting AVS. Figure 2-2 shows the TPS549B22 with PMB_DATA and PMB_CLK pins for serial communication, which support AVS and other programmable features.

GUID-C562061A-3212-419A-B7F4-C88AA95D4D2F-low.gif Figure 2-2 TPS549B22 with Integrated PMBus Interface