SLVUBV0A March   2020  – September 2020 TPS55288

 

  1.   Trademarks
  2. 1Introduction
    1. 1.1 Performance Specification
    2. 1.2 Modification
      1. 1.2.1 Modification
  3. 2Connector, Test Point, and Jumper Descriptions
    1. 2.1 Connector and Test Point Descriptions
    2. 2.2 Jumper Configuration
      1. 2.2.1 JP1 (ENABLE)
      2. 2.2.2 JP2 and JP3 (External Feedback and Internal Feedback Selection)
      3. 2.2.3 JP4 (SYNC)
  4. 3Test Procedure
  5. 4Software User Interface
    1. 4.1 Install USB2ANY Explorer
    2. 4.2 GUI Installation
    3. 4.3 Interface Hardware Setup
    4. 4.4 User Interface Operation
    5. 4.5 Register Map Screen
  6. 5Schematic, Bill of Materials, and Board Layout
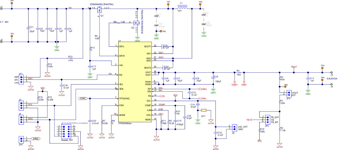
    1. 5.1 Schematic
    2. 5.2 Bill of Materials
    3. 5.3 Board Layout
  7.   Revision History

Schematic

GUID-9DDC04C9-C351-4C73-9464-9E4110C0DF1A-low.gifFigure 5-1 TPS55288EVM-053 Schematic