SNOSDF0A May   2024  – December 2024 TLV4H290-SEP , TLV4H390-SEP

PRODUCTION DATA  

  1.   1
  2. Features
  3. Applications
  4. Description
  5. Pin Configuration and Functions
    1. 4.1 Pin Functions:TLV4H290-SEP and TLV4H390-SEP Quad
  6. Specifications
    1. 5.1 Absolute Maximum Ratings
    2. 5.2 ESD Ratings
    3. 5.3 Recommended Operating Conditions
    4. 5.4 Thermal Information
    5. 5.5 Electrical Characteristics
    6. 5.6 Switching Characteristics
  7. Typical Characteristics
  8. Detailed Description
    1. 7.1 Overview
    2. 7.2 Functional Block Diagram
    3. 7.3 Feature Description
    4. 7.4 Device Functional Modes
      1. 7.4.1 Outputs
        1. 7.4.1.1 TLV4H290-SEP Open Drain Output
        2. 7.4.1.2 TLV4H390-SEP Push-Pull Output
      2. 7.4.2 Inputs
        1. 7.4.2.1 Fault Tolerant Inputs
        2. 7.4.2.2 Input Protection
      3. 7.4.3 ESD Protection
      4. 7.4.4 Unused Inputs
      5. 7.4.5 Hysteresis
  9. Application and Implementation
    1. 8.1 Application Information
      1. 8.1.1 Basic Comparator Definitions
        1. 8.1.1.1 Operation
        2. 8.1.1.2 Propagation Delay
        3. 8.1.1.3 Overdrive Voltage
      2. 8.1.2 Hysteresis
        1. 8.1.2.1 Inverting Comparator With Hysteresis
        2. 8.1.2.2 Non-Inverting Comparator With Hysteresis
        3. 8.1.2.3 Inverting and Non-Inverting Hysteresis using Open-Drain Output
    2. 8.2 Typical Applications
      1. 8.2.1 Window Comparator
        1. 8.2.1.1 Design Requirements
        2. 8.2.1.2 Detailed Design Procedure
        3. 8.2.1.3 Application Curve
      2. 8.2.2 Square-Wave Oscillator
        1. 8.2.2.1 Design Requirements
        2. 8.2.2.2 Detailed Design Procedure
        3. 8.2.2.3 Application Curve
      3. 8.2.3 Adjustable Pulse Width Generator
      4. 8.2.4 Time Delay Generator
      5. 8.2.5 Logic Level Shifter
      6. 8.2.6 One-Shot Multivibrator
      7. 8.2.7 Bi-Stable Multivibrator
      8. 8.2.8 Zero Crossing Detector
      9. 8.2.9 Pulse Slicer
    3. 8.3 Power Supply Recommendations
    4. 8.4 Layout
      1. 8.4.1 Layout Guidelines
      2. 8.4.2 Layout Example
  10. Device and Documentation Support
    1. 9.1 Documentation Support
      1. 9.1.1 Related Documentation
    2. 9.2 Receiving Notification of Documentation Updates
    3. 9.3 Support Resources
    4. 9.4 Trademarks
    5. 9.5 Electrostatic Discharge Caution
    6. 9.6 Glossary
  11. 10Revision History
  12. 11Mechanical, Packaging, and Orderable Information

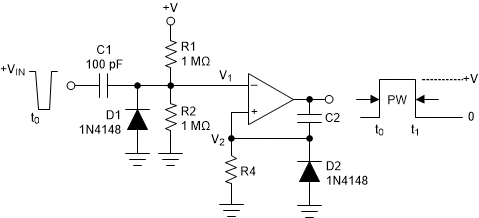
One-Shot Multivibrator

TLV4H290-SEP TLV4H390-SEP One-Shot MultivibratorFigure 8-15 One-Shot Multivibrator

A monostable multivibrator has one stable state in which the output can remain indefinitely. The circuit can be triggered externally to another quasi-stable state. A monostable multivibrator can thus be used to generate a pulse of desired width.

The desired pulse width is set by adjusting the values of C2 and R4. The resistor divider of R1 and R2 can be used to determine the magnitude of the input trigger pulse. The output chnages state when V1 < V2. Diode D2 provides a rapid discharge path for capacitor C2 to reset at the end of the pulse. The diode also prevents the non-inverting input from being driven below ground.