SNVA935A June   2020  – July 2021 LM60430 , LM60430-Q1 , LM60440 , LM60440-Q1

 

  1.   Trademarks
  2. 1Introduction
  3. 2Enhanced HotRod QFN – Optimized EMI Performance
    1. 2.1 Introduction
    2. 2.2 Enhanced HotRod QFN Package
    3. 2.3 Enhanced HotRod QFN Pin-Out
    4. 2.4 Comparative Analysis of EMI Results between FCOL Package and Enhanced HotRod QFN Package
  4. 3Enhanced HotRod QFN - Optimized for Manufacturing
  5. 4Enhanced HotRod QFN - Optimized for Thermals
    1. 4.1 Introduction
    2. 4.2 Enhanced HotRod QFN Thermal Performance
  6. 5Summary
  7. 6References
  8. 7Revision History

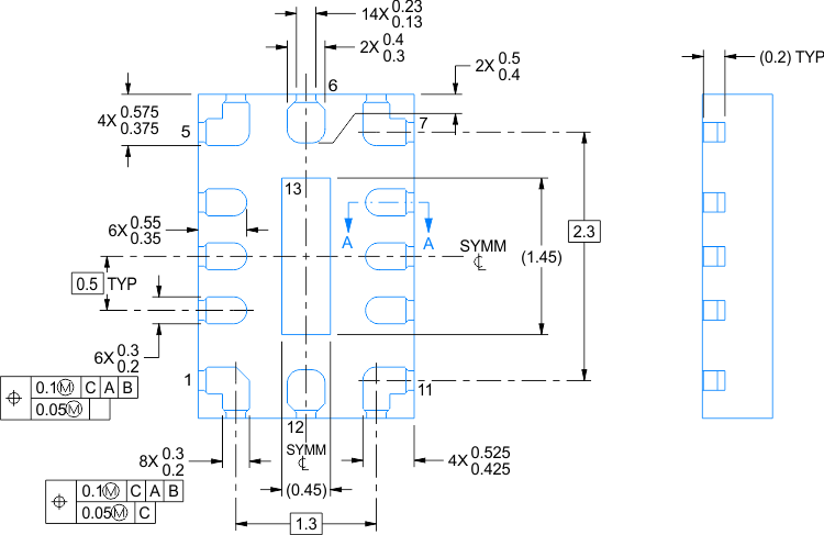
Enhanced HotRod QFN - Optimized for Manufacturing

The construction of the package is also optimized for manufacturing with the inclusion of wettable flanks using step cut technology. Wettable flanks ensure visible side-wetting at good solder joints and enable 100% visual inspection while using an Enhanced HotRod QFN package. The wettable flank step cuts are visible on the package pinout in Figure 3-1. Figure 3-2 shows the side view of the solder join.

GUID-F20FB5B0-56B7-4EC2-AFA6-0E79277E740C-low.gifFigure 3-1 LM604x0 Package Drawing With Step Cut Illustration
GUID-30E164C3-2B48-4C88-9035-AB3E503D047F-low.pngFigure 3-2 Wettable Flanks Solder Connection